Buon giorno a tutti, ho appena installato una caldaia Vailant ecoblock plus (PDF) che alimenta l'impianto di riscaldamento diviso in 2 zone(notte e giorno) tramite 2 valvole di zona Siemens STC25 (Datascheets). Ovviamente le zone sono comandate, una tramite cronotermostato FantiniCosmi C31 e una con termostato Imit. Come faccio a fare i collegamenti elettrici visto che per comandare la caldaia ci sono solo 2 morsetti (le valvole di zona hanno 4 fili, fase-neutro e due ausiliari; i termostati 2 fili e la caldaia 2 fili per il consenso). Mi serve un relè, giusto? Potreste disegnarmi uno schema elettrico.
Grazie mille
Caldaia, cronotermostato e valvole di zona
Moderatori:
sebago,
MASSIMO-G,
lillo,
Mike
9 messaggi
• Pagina 1 di 1
0
voti
0
voti
Ma Tu che mestiere fai, se posso chiedere !
“vivi il presente“
-

Pierluigi2002
1.048 2 3 6 - Expert

- Messaggi: 1599
- Iscritto il: 23 gen 2008, 23:12
0
voti
Studiato da elettricista,ma ho dei dubbo sui collegamenti da fare. Se qualcuno riesce ad aiutarmi con uno schema,mi farebbe un grande piacere.
0
voti
Non vorrei sbagliarmi ma dallo schema della caldaia vedo una morsettiera con anche un bus, probabilmente un seriale RS 485. Non ho sotto mano gli schemi dei due termostati ma se prevedono questo tipo di comunicazione (direttamente o con dei bus adapter) opterei per questa soluzione.
P.s.
Comunque sia chiamerei un tecnico qualificato in modo da evitare ogni problema.
P.s.
Comunque sia chiamerei un tecnico qualificato in modo da evitare ogni problema.
MCSA Windows Server 2012 R2
Cisco CCNA R&S - Cisco CCNA Security - Cisco CCNA Cyber Ops
CompTia A+ - CompTia Linux+ - CompTIA Systems Support Specialist CSSS
CompTia Pentest+ LPIC-1 - VCP VMware - Cisco CCNP Enterprise
Cisco CCNA R&S - Cisco CCNA Security - Cisco CCNA Cyber Ops
CompTia A+ - CompTia Linux+ - CompTIA Systems Support Specialist CSSS
CompTia Pentest+ LPIC-1 - VCP VMware - Cisco CCNP Enterprise
1
voti
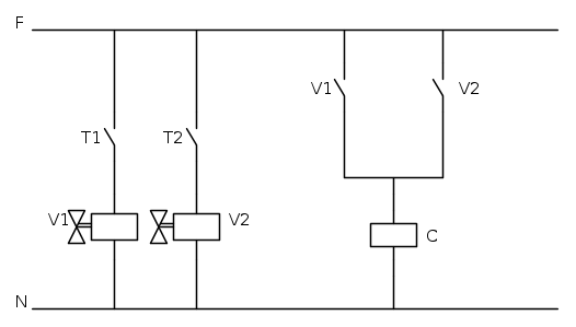
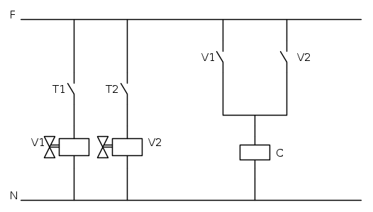
Nessun relè. Ogni termostato comanda la sua valvola e i contatti puliti delle valvole li metti in parallelo a comandare la caldaia.
in /dev/null no one can hear you scream
0
voti
i contatti puliti delle 2 elettrovalvole vanno in parallelo e collegate ai morsetti 3-4 della caldaia Vaillant(togliere il ponticello)!!!!!!vedi pag.18 del manuale caldaia
2
voti
i contatti puliti delle 2 elettrovalvole vanno in parallelo tra di loro e collegate ai morsetti 3-4 della caldaia Vaillant(togliere il ponticello);i contatti non devono alimentare direttamente la caldaia !!!!!!vedi pag.18 del manuale caldaia
0
voti
Si, hai ragione
emanue79.
Non avevo aperto il manuale della caldaia e l'avevo considerata come un carico generico. Avendo già una scheda a bordo "pronta" per i contatti puliti dei termostati, è evidente che i contatti in parallelo devono essere collegati come dici.
Non avevo aperto il manuale della caldaia e l'avevo considerata come un carico generico. Avendo già una scheda a bordo "pronta" per i contatti puliti dei termostati, è evidente che i contatti in parallelo devono essere collegati come dici.
in /dev/null no one can hear you scream
0
voti
Grazie, giustamente i contatti puliti non devo alimentarli.
9 messaggi
• Pagina 1 di 1
Torna a Impianti, sicurezza e quadristica
Chi c’è in linea
Visitano il forum: Nessuno e 209 ospiti

Elettrotecnica e non solo (admin)
Un gatto tra gli elettroni (IsidoroKZ)
Esperienza e simulazioni (g.schgor)
Moleskine di un idraulico (RenzoDF)
Il Blog di ElectroYou (webmaster)
Idee microcontrollate (TardoFreak)
PICcoli grandi PICMicro (Paolino)
Il blog elettrico di carloc (carloc)
DirtEYblooog (dirtydeeds)
Di tutto... un po' (jordan20)
AK47 (lillo)
Esperienze elettroniche (marco438)
Telecomunicazioni musicali (clavicordo)
Automazione ed Elettronica (gustavo)
Direttive per la sicurezza (ErnestoCappelletti)
EYnfo dall'Alaska (mir)
Apriamo il quadro! (attilio)
H7-25 (asdf)
Passione Elettrica (massimob)
Elettroni a spasso (guidob)
Bloguerra (guerra)




