
Chiarimento su ZVS royer a 220 V
Moderatori:
carloc,
g.schgor,
BrunoValente,
IsidoroKZ
21 messaggi
• Pagina 2 di 3 • 1, 2, 3
0
voti
Chiedo scusa, ma non ho il prgetto salvato sul mio PC,appena posso lo rifaccio o me lo faccio mandare , chiedo ancora scusa 

-

mattia281193
26 4 - Frequentatore

- Messaggi: 132
- Iscritto il: 1 ott 2011, 13:38
2
voti
Mi sembrava di aver visto lo schema di un mezzo ponte con partitore capacitivo (risonante?).
Quello schema non e` adatto per un riscaldamento a induzione perche' l'adattamento di impedenza non e` corretto. La bobina di riscaldamento lavora a bassa tensione e alta corrente e serve un trasformatore per abbassare l'impedenza di uscita dell'inverter. Poi metterei il circuito risonante sul secondario per limitare il flusso nel trasformatore.
Non ricordo poi le specifiche del circuito (potenza, frequenza, materiale da scaldare...): deve risolvere un problema specifico o basta che scaldi un qualunque pezzetto di metallo?
Quello schema non e` adatto per un riscaldamento a induzione perche' l'adattamento di impedenza non e` corretto. La bobina di riscaldamento lavora a bassa tensione e alta corrente e serve un trasformatore per abbassare l'impedenza di uscita dell'inverter. Poi metterei il circuito risonante sul secondario per limitare il flusso nel trasformatore.
Non ricordo poi le specifiche del circuito (potenza, frequenza, materiale da scaldare...): deve risolvere un problema specifico o basta che scaldi un qualunque pezzetto di metallo?
Per usare proficuamente un simulatore, bisogna sapere molta più elettronica di lui
Plug it in - it works better!
Il 555 sta all'elettronica come Arduino all'informatica! (entrambi loro malgrado)
Se volete risposte rispondete a tutte le mie domande
Plug it in - it works better!
Il 555 sta all'elettronica come Arduino all'informatica! (entrambi loro malgrado)
Se volete risposte rispondete a tutte le mie domande
1
voti
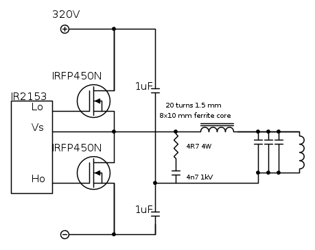
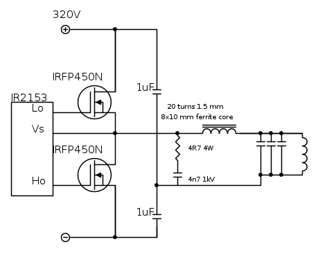
In sostanza deve scaldare un tubo in ferro dove scorre dell'acqua , quindi non mi interessa una frequenza specifica , il mio dovrebbe oscillare da 20 a 200 kHz comunque posto la parte finale dello schema quella dove stanno sorgendo appunto dubbi.
Ho aggiunto allo schema precedente una bobina per l'accoppiamento , i fet dovrebbero andare bene anche se hanno una Rds leggermente piu alta del solito circa 0.4 ohm mi sembra.
Ho aggiunto allo schema precedente una bobina per l'accoppiamento , i fet dovrebbero andare bene anche se hanno una Rds leggermente piu alta del solito circa 0.4 ohm mi sembra.
-

mattia281193
26 4 - Frequentatore

- Messaggi: 132
- Iscritto il: 1 ott 2011, 13:38
0
voti
Si, direi che fino a questo punto potremmo anche esserci. La sezione L C di uscita è parecchio delicata sia nella scelta dei componenti e sia nella realizzazione pratica. Avevi in mente dei precisi valori e/o marca modello per i condensatori in uscita
Side note non è un Royer di sicuro, occorre come detto nei post precedenti un controllo della corrente nei MOS ... giusto per dormire sonni tranquilli
Side note non è un Royer di sicuro, occorre come detto nei post precedenti un controllo della corrente nei MOS ... giusto per dormire sonni tranquilli
-

Lelettrico
2.458 1 4 6 - Master

- Messaggi: 1108
- Iscritto il: 13 set 2010, 12:24
0
voti
Lelettrico ha scritto:Si, direi che fino a questo punto potremmo anche esserci. La sezione L C di uscita è parecchio delicata sia nella scelta dei componenti e sia nella realizzazione pratica. Avevi in mente dei precisi valori e/o marca modello per i condensatori in uscita![]()
Side note non è un Royer di sicuro, occorre come detto nei post precedenti un controllo della corrente nei MOS ... giusto per dormire sonni tranquilli
No niente di preciso per quanto riguarda valori di C ho solo una foto della bobina che devo utilizzare ...
Comunque stavo pensando di abbasare la tensione di alimentazione a 80V circa limitandola a 9A (Ho 3 trasformatori da collegare in parallelo) è piu ragionevole?

-

mattia281193
26 4 - Frequentatore

- Messaggi: 132
- Iscritto il: 1 ott 2011, 13:38
4
voti
Penso che quel circuito non possa funzionare in modo decente senza un controllo di frequenza. Il massimo trasferimento di potenza al pezzo da riscaldare (inserito dentro la bobina) lo hai alla frequenza di risonanza del gruppo LC di uscita, ed a quella frequenza il circuito equivalente diventa una resistenza pura (in parallelo a LC nella quale si riversa tutta la potenza di riscaldo).
Però tutto questo avviene solo alla frequenza di risonanza e l'induttanza della bobina cambia a seconda del materiale che ci metti dentro...........Tutti i sistemi di riscaldamento con circuito in parallelo hanno un controllo PLL per agganciare la risonanza ed avere il massimo trasferimento di potenza.
Poi hai un altro sistema risonante LC serie, quello della ferrite con i due condensatori da 1uF che alla frequenza di funzionamento del mezzo ponte sono in parallelo attraverso l'alimentazione......
Come vedi non è proprio tutto rosa e fiori......
Però tutto questo avviene solo alla frequenza di risonanza e l'induttanza della bobina cambia a seconda del materiale che ci metti dentro...........Tutti i sistemi di riscaldamento con circuito in parallelo hanno un controllo PLL per agganciare la risonanza ed avere il massimo trasferimento di potenza.
Poi hai un altro sistema risonante LC serie, quello della ferrite con i due condensatori da 1uF che alla frequenza di funzionamento del mezzo ponte sono in parallelo attraverso l'alimentazione......
Come vedi non è proprio tutto rosa e fiori......
2
voti
Assolutamente corretto
esisnc
Non volendo andare su cose complicate, se fosse mio e a patto che
mattia281193 giuri e spergiuri che non è per la solita Teslacoil, si potrebbe fare con il 4046, la tensione si prende prima della L di adattamento impedenza la corrente con un trasformatore o bobina Rogowski. Clippati e/o condizionati I e V il 4046 fornirebbe il PLL e VCO da mandare poi al driver MOS.
Alla risonanza I e V si troveranno in fase, basterebbe aggiungere una limitazione per l'escursione di frequenza e una taratura di partenza per la stessa f.
Non volendo andare su cose complicate, se fosse mio e a patto che
Alla risonanza I e V si troveranno in fase, basterebbe aggiungere una limitazione per l'escursione di frequenza e una taratura di partenza per la stessa f.
-

Lelettrico
2.458 1 4 6 - Master

- Messaggi: 1108
- Iscritto il: 13 set 2010, 12:24
0
voti
grazie...Ho capito di che parlate, potreste passarmi uno schema con il 4046 oppure gia implementato al mio tanto per capire meglio di cosa si tratta.Anche perche è una versione beta per testare un po tutto il sistema in relazione alla frequenza di oscillazione...
Escludendo l'efficienza per un momento, lo schema di base presenta degli errori
Comunque grazie della disponibilità
-

mattia281193
26 4 - Frequentatore

- Messaggi: 132
- Iscritto il: 1 ott 2011, 13:38
1
voti
Lelettrico ha scritto:si potrebbe fare con il 4046, la tensione si prende prima della L di adattamento impedenza la corrente con un trasformatore o bobina Rogowski. Clippati e/o condizionati I e V il 4046 fornirebbe il PLL e VCO da mandare poi al driver MOS.
Questo è un circuito che funziona bene, già sperimentato per una realizzazione che poi ho cambiato per altri motivi.
Lelettrico è fin troppo raffinato nel consigliare un TA Rogowski. Bastano 100 spire di filo di rame smaltato diametro 0,20-0,30 mm su un toroide in ferrite tipo N30 di diametro esterno di circa 25 mm (EPCOS B64290-L618-X830) e hai un TA perfetto con rapporto 1:100, molto lineare fino a oltre 100 A e frequenza fino a 60 kHz.
La forma d'onda V di tensione in uscita dal mezzo ponte (onda quadra con duty cicle del 50%) è l'immagine esatta del segnale di pilotaggio dei gate dei MOSFET, quindi non serve nulla....è gia disponibile, riferita a massa e ridotta in tensione, prodotta dall'elettronica di pilotaggio della parte di potenza.
Altro suggerimento : mooooooooolta attenzione ai tempi morti dei pilotaggi dei MOSFET nelle commutazioni ON-OFF per evitare corti nel ponte (prevedere non meno di 1 us).
0
voti
esisnc ha scritto: Lelettrico è fin troppo raffinato nel consigliare un TA Rogowski. Bastano 100 spire di filo di rame smaltato diametro 0,20-0,30 mm su un toroide in ferrite tipo N30 di diametro esterno di circa 25 mm (EPCOS B64290-L618-X830) e hai un TA perfetto con rapporto 1:100, molto lineare fino a oltre 100 A e frequenza fino a 60 kHz.
troppo buono
Lo schema che potrei suggerirti
Altro suggerimento : mooooooooolta attenzione ai tempi morti dei pilotaggi dei MOSFET nelle commutazioni ON-OFF per evitare corti nel ponte (prevedere non meno di 1 us).
Ecco infatti il problema, da considerarsi con estrema attenzione viste le tensioni/correnti in gioco. Chapeau

-

Lelettrico
2.458 1 4 6 - Master

- Messaggi: 1108
- Iscritto il: 13 set 2010, 12:24
21 messaggi
• Pagina 2 di 3 • 1, 2, 3
Chi c’è in linea
Visitano il forum: Nessuno e 58 ospiti

Elettrotecnica e non solo (admin)
Un gatto tra gli elettroni (IsidoroKZ)
Esperienza e simulazioni (g.schgor)
Moleskine di un idraulico (RenzoDF)
Il Blog di ElectroYou (webmaster)
Idee microcontrollate (TardoFreak)
PICcoli grandi PICMicro (Paolino)
Il blog elettrico di carloc (carloc)
DirtEYblooog (dirtydeeds)
Di tutto... un po' (jordan20)
AK47 (lillo)
Esperienze elettroniche (marco438)
Telecomunicazioni musicali (clavicordo)
Automazione ed Elettronica (gustavo)
Direttive per la sicurezza (ErnestoCappelletti)
EYnfo dall'Alaska (mir)
Apriamo il quadro! (attilio)
H7-25 (asdf)
Passione Elettrica (massimob)
Elettroni a spasso (guidob)
Bloguerra (guerra)



