Ciao a tutti, avete presente il classico circolatore da caldaia? Da cosa sono riuscito a capire dovrebbe essere un motore sincrono brushless a rotore immerso...
Ma qui mi sorge la prima domanda... Come è possibile dato il fatto che è monofase? L'unica risposta che mi sono dato è che avendo un condensatore simula la terza fase sfasando...
Ma la seconda domanda è più difficile per me: Ma come diavolo fa ad avviarsi un motore brushless senza un avviatore??? Che io sappia un motore BL non retroazionato o senza avviatore ad anello aperto potrebbe partire sia in un verso che nell'altro...
Terzo punto: Sul circolatore c'è un meraviglioso e miracoloso selettore con scritto 1 2 3!!! Il bello che magicamente se si sposta il circolatore cambia velocità!!! Qui l'unica risposta che mi sono dato è che sono riusciti a inserire un convertitore di frequenza in un selettore!!!
Dopo queste analisi sono giunto alla conclusione che non si tratta di motore sincrono o asincrono in quanto la regolazione di velocità viene fatta allungando o accorciando l'avvolgimento tramite il selettore, quindi in tensione e non tipo dahlander.
A questo punto visto che sono confuso faccio la prova del 9. Ho preso un bel triac e gli ho sfasato il gate (il classico tosatore di semionde) ed ho alimentato il motore.
Risultato: anche con la pessima forma d'onda che esce dal triac variando il valore efficace della tensione il circolatore varia la velocità!!!
A questo punto buttate via tutto ciò che ho detto prima e se qualcuno lo sa mi può dare la risposta a questa domanda?
Ma che diavolo di motore è???!!!???
Che diavolo di motore è?
Moderatori:
SandroCalligaro,
mario_maggi,
fpalone
11 messaggi
• Pagina 1 di 2 • 1, 2
0
voti
Mah! Sarebbe interessante capire il perché delle tue convinzioni. Da dove ti nascono?
Per la loro compattezza dubito siano quanto affermi. Tipicamente sono motori asincroni con tre diverse prese di tensione sulle spire per ottenere tre diverse velocità di lavoro. Il condensatore realizza la terza fase per ottenere un campo magnetico rotante.
Per la loro compattezza dubito siano quanto affermi. Tipicamente sono motori asincroni con tre diverse prese di tensione sulle spire per ottenere tre diverse velocità di lavoro. Il condensatore realizza la terza fase per ottenere un campo magnetico rotante.
-

Candy
32,5k 7 10 13 - CRU - Account cancellato su Richiesta utente
- Messaggi: 10123
- Iscritto il: 14 giu 2010, 22:54
0
voti
Grazie per la risposta, ma che io sappia il motore asincrono varia la velocità del campo magnetico rotante in base ai poli ed alla frequenza, se vario la tensione ottengo solo un deflussaggio con conseguente perdita di coppia ma non vario il numero di giri a meno che non deflusso parecchio ed il motore inizia a scorrere... Tu credi che funzioni così?
-

gianlucacll
0 2 - Messaggi: 28
- Iscritto il: 24 mar 2012, 17:39
0
voti
Da quel poco che vidi, quando smontai un circolatore non più funzionante, direi si tratti di un normale motore asincrono monofase, vista quella che sul rotore sembra essere una gabbia di scoiattolo.
credo che la regolazione sia eseguita non in frequenza, ma semplicemente lo schema utilizzato dovrebbe essere lo stesso che si utilizza per i motori dei fan coil, dove un commutatore può andare ad inserire o disinserire spire sull' avvolgimento principale.
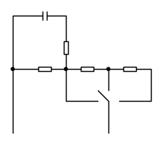
"Schema tratto da un Post di Cox"
credo che la regolazione sia eseguita non in frequenza, ma semplicemente lo schema utilizzato dovrebbe essere lo stesso che si utilizza per i motori dei fan coil, dove un commutatore può andare ad inserire o disinserire spire sull' avvolgimento principale.
"Schema tratto da un Post di Cox"
0
voti
Grazie anche a te per l'interesse... Ma come ho già detto non mi spiego come posso variare la velocità di un motore asincrono semplicemente variando la tensione, a meno che non abbia un rotore particolare che scorre più o meno in base al flusso...
-

gianlucacll
0 2 - Messaggi: 28
- Iscritto il: 24 mar 2012, 17:39
2
voti
La variazione di velocità si ottiene grazie al caratteristico comportamento lineare della coppia resistente. Esatto, si opera un deflussaggio controllato per ridurre la coppia motrice. E' evidente che se l'equilibrio della coppia motrice e di quella resistenze deve essere inderogabile, allora la velocità si assesterà in modo tale che la coppia resistenze eguagli quella motrice. E qui anzi si scopre il vantaggio dell'uso del motore asincrono: lo scorrimento può, per assurdo, assumere tutti i valori possibili, cosa che non può assolutamente fare il motore sincrono.
-

Candy
32,5k 7 10 13 - CRU - Account cancellato su Richiesta utente
- Messaggi: 10123
- Iscritto il: 14 giu 2010, 22:54
0
voti
gianlucacll ha scritto: ...non mi spiego come posso variare la velocità di un motore asincrono semplicemente variando la tensione ...
La cosa funziona particolarmente bene nei motori asincroni monofasi usati in applicazioni di questo tipo: pompe di circolazione e ventilatori ... dove il carico varia in modo esponenziale con la velocità del motore.
Spiego: a motore fermo il carico è prossimo a zero (devi solo vincere gli atriti) a bassi regimi il carico è basso, ad alti regimi il carico è massimo.
In buona sostanza, l'applicazione adatta e compensa perfettamente sia la (pessima) regolazione con parzializzatori si fase, sia i vari livelli di flusso che si hanno con il commutatore che inserisce diversi blocchi di avvolgimento.
La stessa soluzione non funzionerebbe affatto in applicazioni a carico costante es. nei montacarichi.
Bye
Ser.Tom0
voti
Grazie a tutti per l'interesse, intanto io ho cercato ancora un po' di info e mi sono accorto che di tre cose ne avevo dimenticata una...
La velocità del motore asincrono dipende dal numero di poli e dalla frequenza, questo per il campo magnetico rotante.
La velocità dell'albero dipende dalle stesse due cose ma in più dallo scorrimento! Ecco cosa avevo tralasciato...
Poi ho trovato un bel grafico dove fa vedere come deflussando si può variare la velocità del motore ed a seconda del tipo di rotore (da cosa ho capito sono motori ad alto scorrimento) si può avere una bella escursione di velocità... Come ha scritto SerTom questa funzione si può avere solamente con un carico all'albero particolare...
La velocità del motore asincrono dipende dal numero di poli e dalla frequenza, questo per il campo magnetico rotante.
La velocità dell'albero dipende dalle stesse due cose ma in più dallo scorrimento! Ecco cosa avevo tralasciato...
Poi ho trovato un bel grafico dove fa vedere come deflussando si può variare la velocità del motore ed a seconda del tipo di rotore (da cosa ho capito sono motori ad alto scorrimento) si può avere una bella escursione di velocità... Come ha scritto SerTom questa funzione si può avere solamente con un carico all'albero particolare...
-

gianlucacll
0 2 - Messaggi: 28
- Iscritto il: 24 mar 2012, 17:39
0
voti
gianlucacll,
se le palette della girante sono simmetriche rispetto alla chiocciola, la pompa funziona bene in entrambi i sensi di rotazione.
Il rotore e' realizzato con lega con resistenza ohmica piu' alta di quella dell'alluminio. Il pacco rotorico scalda di piu' ma e' immerso e quindi viene raffreddato benissimo.
Ciao
Mario
potrebbe partire sia in un verso che nell'altro...
se le palette della girante sono simmetriche rispetto alla chiocciola, la pompa funziona bene in entrambi i sensi di rotazione.
Il rotore e' realizzato con lega con resistenza ohmica piu' alta di quella dell'alluminio. Il pacco rotorico scalda di piu' ma e' immerso e quindi viene raffreddato benissimo.
Ciao
Mario
Mario Maggi
https://www.evlist.it per la mobilità elettrica e filiera relativa
https://www.axu.it , inverter speciali, convertitori DC/DC, soluzioni originali per la qualità dell'energia
Innovazioni: https://www.axu.it/mm4
https://www.evlist.it per la mobilità elettrica e filiera relativa
https://www.axu.it , inverter speciali, convertitori DC/DC, soluzioni originali per la qualità dell'energia
Innovazioni: https://www.axu.it/mm4
-

mario_maggi
20,0k 3 11 12 - G.Master EY

- Messaggi: 4179
- Iscritto il: 21 dic 2006, 9:59
- Località: Milano
11 messaggi
• Pagina 1 di 2 • 1, 2
Chi c’è in linea
Visitano il forum: Nessuno e 67 ospiti

Elettrotecnica e non solo (admin)
Un gatto tra gli elettroni (IsidoroKZ)
Esperienza e simulazioni (g.schgor)
Moleskine di un idraulico (RenzoDF)
Il Blog di ElectroYou (webmaster)
Idee microcontrollate (TardoFreak)
PICcoli grandi PICMicro (Paolino)
Il blog elettrico di carloc (carloc)
DirtEYblooog (dirtydeeds)
Di tutto... un po' (jordan20)
AK47 (lillo)
Esperienze elettroniche (marco438)
Telecomunicazioni musicali (clavicordo)
Automazione ed Elettronica (gustavo)
Direttive per la sicurezza (ErnestoCappelletti)
EYnfo dall'Alaska (mir)
Apriamo il quadro! (attilio)
H7-25 (asdf)
Passione Elettrica (massimob)
Elettroni a spasso (guidob)
Bloguerra (guerra)



