Raddrizzamento esafase dodecafase
Moderatori:
g.schgor,
IsidoroKZ
23 messaggi
• Pagina 1 di 3 • 1, 2, 3
0
voti
buongiorno,
qualcuno mi può illustrare in modo semplice come si converte una ponte trifase con un esafase e dodecafase?
quali sono le caratteristiche del trasformatore? nella produzione del trasformatore cosa si fa per sfasare le fasi, come sono messi gli avvolgimentì tra di loro?
grazie
qualcuno mi può illustrare in modo semplice come si converte una ponte trifase con un esafase e dodecafase?
quali sono le caratteristiche del trasformatore? nella produzione del trasformatore cosa si fa per sfasare le fasi, come sono messi gli avvolgimentì tra di loro?
grazie
3
voti
Per ponte trifase intendi quello con tre diodi e carico collegato al centro stella?
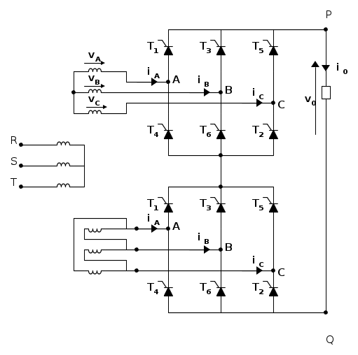
Rispondo all'ultima domanda che non richiede uno schema. Per il dodici impulsi fai due raddrizzatori a 6 impulsi, collegati a due secondari trifase del trasformatore, e poi metti in serie le uscite dei due ponti.
Per avere lo sfasamento di 30 gradi fra i due secondari, un modo possibile e` averne uno collegato a stella e l'altro a triangolo. La tensione concatenata dei due secondari deve essere la stessa.
Se fai un disegno fidocad, posso prenderlo e modificarlo. Ora sono un po' di corsa guarda qui http://en.wikipedia.org/wiki/Rectifier twelve-pulse bridge.
Rispondo all'ultima domanda che non richiede uno schema. Per il dodici impulsi fai due raddrizzatori a 6 impulsi, collegati a due secondari trifase del trasformatore, e poi metti in serie le uscite dei due ponti.
Per avere lo sfasamento di 30 gradi fra i due secondari, un modo possibile e` averne uno collegato a stella e l'altro a triangolo. La tensione concatenata dei due secondari deve essere la stessa.
Se fai un disegno fidocad, posso prenderlo e modificarlo. Ora sono un po' di corsa guarda qui http://en.wikipedia.org/wiki/Rectifier twelve-pulse bridge.
Per usare proficuamente un simulatore, bisogna sapere molta più elettronica di lui
Plug it in - it works better!
Il 555 sta all'elettronica come Arduino all'informatica! (entrambi loro malgrado)
Se volete risposte rispondete a tutte le mie domande
Plug it in - it works better!
Il 555 sta all'elettronica come Arduino all'informatica! (entrambi loro malgrado)
Se volete risposte rispondete a tutte le mie domande
0
voti
IsidoroKZ ha scritto:Per ponte trifase intendi quello con tre diodi e carico collegato al centro stella?
no, intendevo esafase (12 diodi) dodecafse (24 diodi) il trifase è il semplice con 6 diodi
IsidoroKZ ha scritto:Rispondo all'ultima domanda che non richiede uno schema. Per il dodici impulsi fai due raddrizzatori a 6 impulsi, collegati a due secondari trifase del trasformatore, e poi metti in serie le uscite dei due ponti.
quindi l'uscita dei secondari del trasformatore sono la metà della tensione?
IsidoroKZ ha scritto:Per avere lo sfasamento di 30 gradi fra i due secondari, un modo possibile e` averne uno collegato a stella e l'altro a triangolo. La tensione concatenata dei due secondari deve essere la stessa.
grazie mi hai confermato
Se fai un disegno fidocad, posso prenderlo e modificarlo. Ora sono un po' di corsa guarda qui http://en.wikipedia.org/wiki/Rectifier twelve-pulse bridge.[/quote]
Ultima modifica di
core il 24 nov 2013, 12:07, modificato 1 volta in totale.
1
voti
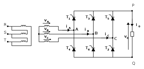
questo è il semplice trifase che intendo (fai come se gli scr fossero diodi e la linea arriva diretta senza trasformatore)
5
voti
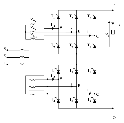
Il dodici impulsi e` fatto in questo modo, con i due ponti che generano la stessa tensione continua
I due secondari sono sfasati di 30 gradi.
Per fare il 24 impulsi servono dei secondari sfasati di 15 gradi che si ottengono usando dei secondari collegati a zig-zag http://www.gts-srl.it/dms/site-gts/pdf/COLLEGAMENTO_TRASFORMATORI_TRIFASE.pdf
I due secondari sono sfasati di 30 gradi.
Per fare il 24 impulsi servono dei secondari sfasati di 15 gradi che si ottengono usando dei secondari collegati a zig-zag http://www.gts-srl.it/dms/site-gts/pdf/COLLEGAMENTO_TRASFORMATORI_TRIFASE.pdf
Per usare proficuamente un simulatore, bisogna sapere molta più elettronica di lui
Plug it in - it works better!
Il 555 sta all'elettronica come Arduino all'informatica! (entrambi loro malgrado)
Se volete risposte rispondete a tutte le mie domande
Plug it in - it works better!
Il 555 sta all'elettronica come Arduino all'informatica! (entrambi loro malgrado)
Se volete risposte rispondete a tutte le mie domande
2
voti
qualcuno mi può illustrare in modo semplice come si converte una ponte trifase con un esafase e dodecafase?
quali sono le caratteristiche del trasformatore? nella produzione del trasformatore cosa si fa per sfasare le fasi, come sono messi gli avvolgimentì tra di loro?
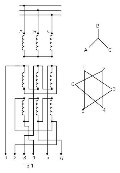
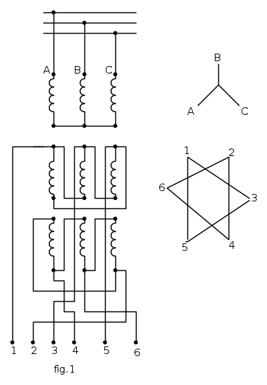
Trasformazione di un sistema trifase in esafase.
La figura 1 mostra la disposizione a doppio triangolo, che richiede due avvolgimenti a bassa tensione indipendenti su ogni trasformatore o su ogni nucleo di trasformatore trifase. Entrambi questi avvolgimenti sono collegati a triangolo, ma uno di questi è rovesciato rispetto all’altro in modo che i due triangoli sono spostati di 180° l’uno rispetto all’altro.
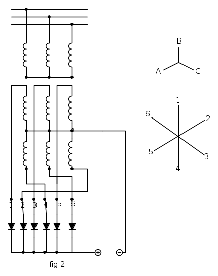
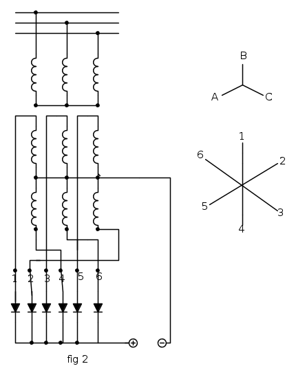
La fig. 2 mostra la disposizione a doppia stella simile alla precedente ; le due stelle secondarie risultano spostate di fase di 190°. Il primario può essere collegato a triangolo (preferibile) o a stella.
Trasformazione di corrente trifase in corrente enneafase (a nove fasi).
La fig. 3 illustra uno degli schemi possibili, gli avvolgimenti secondari sono due, uno di essi è collegato a triangolo nei punti 1, 4, e 7 mentre gli altri avvolgimenti vanno ai punti del carico. Il numero di spire dei due avvolgimenti deve essere diverso, dovendo stare nel rapporto dei vettori 1 – 7, 2 – 6.
Trasformazione di corrente trifase in corrente dodecafase.
E’ evidente che un sistema dodecafase si può ottenere disponendo su un trasformatore trifase due avvolgimenti secondari, uno dei quali inserito in doppia stella come in fig. 2 e l’altro in doppio triangolo come in fig. 1.
La fig. 4 mostra la trasformazione in sistema dodecafase ottenuta ricorrendo a due trasformatori uno dei quali ha il primario a stella e l’altro il primario a triangolo e entrambi i secondari a doppia stella come in fig. 2 oppure a tripla stella. Le inserzioni dodecafase possono assumere forme svariatissime.
-

StefanoSunda
2.880 3 6 10 - Master

- Messaggi: 1962
- Iscritto il: 16 set 2010, 19:29
0
voti
Le due tensioni concatenate di secondario sono uguali, cosi` le due continue sono uguali. Che la tensione di secondario sia meta` di quella di primario dipende da che tensione vuoi ottenere.
Per usare proficuamente un simulatore, bisogna sapere molta più elettronica di lui
Plug it in - it works better!
Il 555 sta all'elettronica come Arduino all'informatica! (entrambi loro malgrado)
Se volete risposte rispondete a tutte le mie domande
Plug it in - it works better!
Il 555 sta all'elettronica come Arduino all'informatica! (entrambi loro malgrado)
Se volete risposte rispondete a tutte le mie domande
0
voti
IsidoroKZ ha scritto:Le due tensioni concatenate di secondario sono uguali, cosi` le due continue sono uguali. Che la tensione di secondario sia meta` di quella di primario dipende da che tensione vuoi ottenere.
intendevo nel caso con rapporto 1:1
0
voti
La tensione che hai in continua e` circa il picco della concatenata: se entri a 400V e i due secondari sono a 200V ciascuno, in continua ottieni circa 560V, i 400V dei secondari moltiplicati per radice di 2.
Per usare proficuamente un simulatore, bisogna sapere molta più elettronica di lui
Plug it in - it works better!
Il 555 sta all'elettronica come Arduino all'informatica! (entrambi loro malgrado)
Se volete risposte rispondete a tutte le mie domande
Plug it in - it works better!
Il 555 sta all'elettronica come Arduino all'informatica! (entrambi loro malgrado)
Se volete risposte rispondete a tutte le mie domande
23 messaggi
• Pagina 1 di 3 • 1, 2, 3
Torna a Elettrotecnica generale
Chi c’è in linea
Visitano il forum: Nessuno e 31 ospiti

Elettrotecnica e non solo (admin)
Un gatto tra gli elettroni (IsidoroKZ)
Esperienza e simulazioni (g.schgor)
Moleskine di un idraulico (RenzoDF)
Il Blog di ElectroYou (webmaster)
Idee microcontrollate (TardoFreak)
PICcoli grandi PICMicro (Paolino)
Il blog elettrico di carloc (carloc)
DirtEYblooog (dirtydeeds)
Di tutto... un po' (jordan20)
AK47 (lillo)
Esperienze elettroniche (marco438)
Telecomunicazioni musicali (clavicordo)
Automazione ed Elettronica (gustavo)
Direttive per la sicurezza (ErnestoCappelletti)
EYnfo dall'Alaska (mir)
Apriamo il quadro! (attilio)
H7-25 (asdf)
Passione Elettrica (massimob)
Elettroni a spasso (guidob)
Bloguerra (guerra)








