Ciao a tutti, oggi sono alle prese con questo circuito.
Il mio obietivo è quello di accendere un led con la pressione di un pulsante(P1), e con la seconda pressione il led dovrebbe spegnersi.
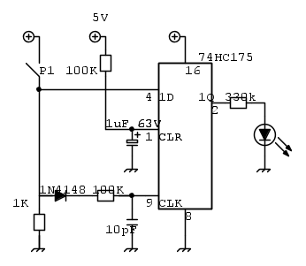
Ho trovato questo circuito sulla rivista Elektor e lo riprodotto su breadboard; il led alla prima pressione si accende, mentre per spegnerlo devo premere svariate volte.
L'integrato che ho usato è un 74HC175
Avete qualche suggerimento?
Grazie
Marcello
Accendere un LED con il Flip-Flop
Moderatori:
carloc,
g.schgor,
BrunoValente,
IsidoroKZ
40 messaggi
• Pagina 1 di 4 • 1, 2, 3, 4
1
voti
Il collegamento corretto è così:
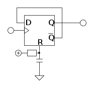
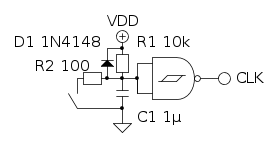
Puoi montare un circuito migliore per il clock, per esempio questo:
Puoi montare un circuito migliore per il clock, per esempio questo:
1
voti
Ciao
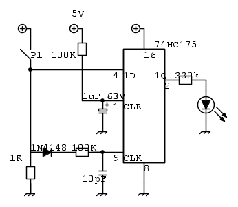
Il circuito è sbagliato, il 175 è un FLIP FLOP di tipo "D", cioè copia sull'uscita "Q" l'ingresso "D". Con quel sistema mi stupisce che tu riesca a spegnerlo, direi che è dovuto ai rimbalzi filtrati male del pulsante.
Come vedi, quando premi "P1" metti D a 5V e poi dai il clock. Se vuoi una cosa che a ogni pressione commuti il LED, l'ingresso "D" lo devi collegare all'uscita "Qn", cioè la Q negata.
Ciao
Il circuito è sbagliato, il 175 è un FLIP FLOP di tipo "D", cioè copia sull'uscita "Q" l'ingresso "D". Con quel sistema mi stupisce che tu riesca a spegnerlo, direi che è dovuto ai rimbalzi filtrati male del pulsante.
Come vedi, quando premi "P1" metti D a 5V e poi dai il clock. Se vuoi una cosa che a ogni pressione commuti il LED, l'ingresso "D" lo devi collegare all'uscita "Qn", cioè la Q negata.
Ciao
_______________________________________________________
Gli oscillatori non oscillano mai, gli amplificatori invece sempre
Io HO i poteri della supermucca, e ne vado fiero!
Gli oscillatori non oscillano mai, gli amplificatori invece sempre
Io HO i poteri della supermucca, e ne vado fiero!
2
voti
rusty ha scritto:Oltre a quello gia' detto, potrebbe esserci un problema di "rimbalzi", io quindi prevederei anche un debounce "RC" con in cascata un trigger di Schmitt
concordo....ed è quello che ha proposto simo nel secondo post, quindi direi che siamo tutti d'accordo, che bello! :)
_______________________________________________________
Gli oscillatori non oscillano mai, gli amplificatori invece sempre
Io HO i poteri della supermucca, e ne vado fiero!
Gli oscillatori non oscillano mai, gli amplificatori invece sempre
Io HO i poteri della supermucca, e ne vado fiero!
0
voti
l'ingresso "D" lo devi collegare all'uscita "Qn", cioè la Q negata.
ho provato a fare la modifica che mi avete suggerito ma il led non si accende.
ho collegato l'uscita negata (pin 3) all'ingresso (pin2).
0
voti
ricello9 ha scritto:ho collegato l'uscita negata (pin 3) all'ingresso (pin2).
... veramente l'ingresso D è il pin 4.
Il pin 2 è l'output Q. Non avrai mica bruciato l' uscita...

40 messaggi
• Pagina 1 di 4 • 1, 2, 3, 4
Chi c’è in linea
Visitano il forum: Nessuno e 169 ospiti

Elettrotecnica e non solo (admin)
Un gatto tra gli elettroni (IsidoroKZ)
Esperienza e simulazioni (g.schgor)
Moleskine di un idraulico (RenzoDF)
Il Blog di ElectroYou (webmaster)
Idee microcontrollate (TardoFreak)
PICcoli grandi PICMicro (Paolino)
Il blog elettrico di carloc (carloc)
DirtEYblooog (dirtydeeds)
Di tutto... un po' (jordan20)
AK47 (lillo)
Esperienze elettroniche (marco438)
Telecomunicazioni musicali (clavicordo)
Automazione ed Elettronica (gustavo)
Direttive per la sicurezza (ErnestoCappelletti)
EYnfo dall'Alaska (mir)
Apriamo il quadro! (attilio)
H7-25 (asdf)
Passione Elettrica (massimob)
Elettroni a spasso (guidob)
Bloguerra (guerra)









