Cos'è ElectroYou | Login Iscriviti

ElectroYou - la comunità dei professionisti del mondo elettrico

Circuito del primo ordine: Metodo Sistematico

Circuiti, campi elettromagnetici e teoria delle linee di trasmissione e distribuzione dell’energia elettrica

Moderatori: Foto Utenteg.schgor, Foto UtenteIsidoroKZ

4
voti

[21] Re: Circuito del primo ordine: Metodo Sistematico

Messaggioda Foto Utenterusty » 30 nov 2013, 22:52

Non penso che questo esercizio verra' mai finito, quindi tanto per completare il discorso, cerco di terminarlo io.

Siccome è sabato sera, e bisogna divertirsi, Theveniniziamo un po' cosi' poi la soluzione è quasi banale.

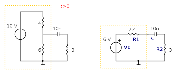
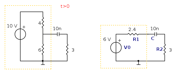
Abbiamo quindi questo circuito:



Possiamo scrivere un'unica equazione differenziale (ovviamente), risolvendo l'unica maglia con l'unica corrente possibile.

R_1\cdot I+V_C+R_2\cdot I=V_0

sostituendo l'equazione costitutiva del condensatore : I_C=C\frac{\mathrm{d} \,V_C(t)}{\mathrm{d} t}

(R_1+R_2)\,C\frac{\mathrm{d} \,V_C(t)}{\mathrm{d} t}+V_C(t)=V_0

poniamo \tau=(R_1+R_2)\,C

\frac{\mathrm{d} \,V_C(t)}{\mathrm{d} t}+\frac{1}{\tau}V_C(t)=\frac{1}{\tau}V_0

La cui soluzione, sommando direttamente la soluzione dell'omogenea associata e la particolare

V_C(t)=V_0+K\cdot e^{-{t/\tau}}

imponendo V_C(0)=0 otteniamo che K=-V_0 ,dunque:

V_C(t)=V_0(1 - e^{-{t/\tau}})\approx6(1 - e^{-{t/54\cdot 10^{-9}}})

Vediamo che per t=0 la tensione è nulla e che per t->inf la tensione tende a 6V.
Avatar utente
Foto Utenterusty
4.075 2 9 11
Utente disattivato per decisione dell'amministrazione proprietaria del sito
 
Messaggi: 1578
Iscritto il: 25 gen 2009, 13:10

0
voti

[22] Re: Circuito del primo ordine: Metodo Sistematico

Messaggioda Foto UtenteSamatarou » 1 dic 2013, 0:48

Si tutto corretto infatti... pur non avendo utilizzato Thevenin, sono comunque arrivato alla tua stessa conclusione. Mi lascia tuttora con il dubbio il punto sulle resistenze, non avendo capito bene che metodo hai utilizzato per ricavarti la resistenza da 6 ohm e da 3 ohm per calcolare V1 e V2... :| magari poi lo capirò. Non voglio arrecare troppo disturbo.
Avatar utente
Foto UtenteSamatarou
11 5
New entry
New entry
 
Messaggi: 69
Iscritto il: 7 nov 2013, 21:34

0
voti

[23] Re: Circuito del primo ordine: Metodo Sistematico

Messaggioda Foto Utenterusty » 1 dic 2013, 0:59

Scusa, dici che hai risolto il transitorio con l'equazione differenziale, e hai un dubbio su come trovare la tensione sul condensatore per t<0 ?

E' come aver scalato l'Everest e poi ammettere di non saper andare per monti, è un po' strano no? :mrgreen:

BTW, la risposta, se leggi bene, è tutta nel post [18]
Avatar utente
Foto Utenterusty
4.075 2 9 11
Utente disattivato per decisione dell'amministrazione proprietaria del sito
 
Messaggi: 1578
Iscritto il: 25 gen 2009, 13:10

0
voti

[24] Re: Circuito del primo ordine: Metodo Sistematico

Messaggioda Foto Utenteg.schgor » 1 dic 2013, 18:39

Samatarou ha scritto: sono comunque arrivato alla tua stessa conclusione.

Scusa anche me, ma sono curioso. Puoi inviarci la tua soluzione?
Avatar utente
Foto Utenteg.schgor
57,8k 9 12 13
G.Master EY
G.Master EY
 
Messaggi: 16971
Iscritto il: 25 ott 2005, 9:58
Località: MILANO

0
voti

[25] Re: Circuito del primo ordine: Metodo Sistematico

Messaggioda Foto UtenteSamatarou » 1 dic 2013, 22:06

Certamente, allora intanto per quanto riguarda t<0 tutto risolto proprio come mi hai consigliato tu. Per t>0, non ho utilizzato Thevenin, bensì avendo ora l'interruttore aperto V2=0 in quanto in quel ramo il circuito risulta aperto, mentre V1= 6 per come ho adoperato prima.
A questo punto ho semplicemente utilizzato la formula da te scritta, sostituendo i valori.
V_C(t)=V_0(1 - e^{-{t/\tau}})\approx6(1 - e^{-{t/54\cdot 10^{-9}}})

Tutto qui.
(Per presentare un altro esercizio della stessa tipologia in caso, utilizzo sempre questo topic o ne apro uno nuovo?)
Avatar utente
Foto UtenteSamatarou
11 5
New entry
New entry
 
Messaggi: 69
Iscritto il: 7 nov 2013, 21:34

0
voti

[26] Re: Circuito del primo ordine: Metodo Sistematico

Messaggioda Foto UtenteLele_u_biddrazzu » 2 dic 2013, 0:25

Samatarou ha scritto:...Per presentare un altro esercizio della stessa tipologia in caso, utilizzo sempre questo topic o ne apro uno nuovo?...

Puoi anche continuare qui, l'importante è inserire gli schemi con fidocadj e le formule in LaTeX ;-)
Emanuele Lorina

- Chi lotta contro i mostri deve fare attenzione a non diventare lui stesso un mostro. E se tu riguarderai a lungo in un abisso, anche l'abisso vorrà guardare dentro di te (F. Nietzsche)
- Tavole della legge by admin
Avatar utente
Foto UtenteLele_u_biddrazzu
8.154 3 8 13
Master EY
Master EY
 
Messaggi: 1288
Iscritto il: 23 gen 2007, 16:13
Località: Modena

0
voti

[27] Re: Circuito del primo ordine: Metodo Sistematico

Messaggioda Foto Utenteg.schgor » 2 dic 2013, 9:06

Samatarou ha scritto:ho semplicemente utilizzato la formula da te scritta, sostituendo i valori.

E no, quello che devi spiegarci è come hai ricavato che \tau =54...

Per ulteriori esempi, meglio aprire cingoli topic (per non fare confusione)
Avatar utente
Foto Utenteg.schgor
57,8k 9 12 13
G.Master EY
G.Master EY
 
Messaggi: 16971
Iscritto il: 25 ott 2005, 9:58
Località: MILANO

0
voti

[28] Re: Circuito del primo ordine: Metodo Sistematico

Messaggioda Foto UtenteSamatarou » 2 dic 2013, 10:25

Per \tau ho calcolato la Req vista da Vc, dunque la resistenza da 6 ohm è in parallelo con quella da 4 e poi in serie con quella da 3 (la 2 non la considero perché a vuoto avendo l'interruttore aperto nel calcolo della Req).
Successivamente ho solo utilizzato la formula R*C
Avatar utente
Foto UtenteSamatarou
11 5
New entry
New entry
 
Messaggi: 69
Iscritto il: 7 nov 2013, 21:34

0
voti

[29] Re: Circuito del primo ordine: Metodo Sistematico

Messaggioda Foto Utenteg.schgor » 2 dic 2013, 12:22

Samatarou ha scritto:pur non avendo utilizzato Thevenin

Se hai calcolato tensione resistenza equivalenti togliendo C.
hai applicato Thevenin.
Avatar utente
Foto Utenteg.schgor
57,8k 9 12 13
G.Master EY
G.Master EY
 
Messaggi: 16971
Iscritto il: 25 ott 2005, 9:58
Località: MILANO

0
voti

[30] Re: Circuito del primo ordine: Metodo Sistematico

Messaggioda Foto UtenteSamatarou » 2 dic 2013, 13:24

toh, lo utilizzavo senza saperlo. Beh grazie allora
Avatar utente
Foto UtenteSamatarou
11 5
New entry
New entry
 
Messaggi: 69
Iscritto il: 7 nov 2013, 21:34

Precedente

Torna a Elettrotecnica generale

Chi c’è in linea

Visitano il forum: Nessuno e 80 ospiti