Risoluzione esercizi di Elettrotecnica.
Moderatori:
g.schgor,
IsidoroKZ
19 messaggi
• Pagina 2 di 2 • 1, 2
0
voti
Ho provato ad inserire le formule con latex, ho letto anche la guida qui sul forum ma ahimè bon ci sono riuscito. Se qualcuno può comunque darmi qualche aiuto sugli esercizi gliene sarai veramente grato. In ogni caso ringrazio tutti quelli che hanno speso un po' di tempo per la mia richiesta.
0
voti
non bisogna arrendersi di fronte alle difficoltà!
cosa vuoi fare da grande? l'ingegnere? il perito? bè, allora non dovrebbe essere difficile imparare queste sciocchezze. pensa che le ho imparate io che sono un pizzaiolo
comunque, tornando ai tuoi esercizi....
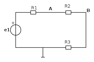
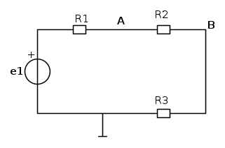
il testo dice che in t<0 sei in continua: sai trovare la tensione su R2 in t<0?
quel condensatore, al momento, come possiamo considerarlo?
immagino tu conosca la sovrapposizione degli effetti...
cosa vuoi fare da grande? l'ingegnere? il perito? bè, allora non dovrebbe essere difficile imparare queste sciocchezze. pensa che le ho imparate io che sono un pizzaiolo
comunque, tornando ai tuoi esercizi....
il testo dice che in t<0 sei in continua: sai trovare la tensione su R2 in t<0?
quel condensatore, al momento, come possiamo considerarlo?
immagino tu conosca la sovrapposizione degli effetti...
0
voti
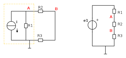
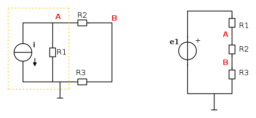
ti ringrazio per il supporto. Io conosco il principio della sovrapposizione degli effetti e in questo caso il condensatore va visto come un circuito aperto. Per quanto riguarda il calcola di
io lo farei dividendo il circuito in due più semplici. Spegnendo una volta il generatore di corrente e poi quello di tensione.
Applicando la sovrapposizione degli effetti andrei ad ottenere il risultato ottenuto.
p.s. il fatto è che mi trovo in usa situazione ben complicata io è difficile che mi arrendo ma in questo caso vedo veramente in difficoltà
io lo farei dividendo il circuito in due più semplici. Spegnendo una volta il generatore di corrente e poi quello di tensione.Applicando la sovrapposizione degli effetti andrei ad ottenere il risultato ottenuto.
p.s. il fatto è che mi trovo in usa situazione ben complicata io è difficile che mi arrendo ma in questo caso vedo veramente in difficoltà
1
voti
Guarda, in questi casi, come del resto nella vita, si va avanti a piccoli passi.
Mentalmente scomponi il problema in molti problemini piu' piccoli e semplici, alla fine il problema verra' risolto!
Prima di tutto, spegniamo il generatore di tensione, calcoliamo la caduta ai capi di R2, poi spegniamo quello di corrente, e calcoliamo la caduta ai capi di R2.
Il condensatore abbiamo detto (l'abbiamo detto?) è un circuito aperto in continua, dunque sparisce, si tratta di risolvere questi due semplici schemi, provaci!
Se non provi non sbagli, e se non sbagli non impari
Uno alla volta, scrivi tutti i passaggi se vuoi, prenditi il tempo che ti serve:
Mentalmente scomponi il problema in molti problemini piu' piccoli e semplici, alla fine il problema verra' risolto!
Prima di tutto, spegniamo il generatore di tensione, calcoliamo la caduta ai capi di R2, poi spegniamo quello di corrente, e calcoliamo la caduta ai capi di R2.
Il condensatore abbiamo detto (l'abbiamo detto?) è un circuito aperto in continua, dunque sparisce, si tratta di risolvere questi due semplici schemi, provaci!
Se non provi non sbagli, e se non sbagli non impari
Uno alla volta, scrivi tutti i passaggi se vuoi, prenditi il tempo che ti serve:
-

rusty
4.075 2 9 11 - Utente disattivato per decisione dell'amministrazione proprietaria del sito
- Messaggi: 1578
- Iscritto il: 25 gen 2009, 13:10
0
voti
Penso di aver capito come fare, appena posso e soprattutto capisco meglio come fa fatto vi aggiungo anche le formule. Adesso vorrei chiedere un informazione sul secondo esercizio. Quando mi chiede di disegnare il diagramma vettoriale simbolico, mi potete dare qualche dritta su come farlo?? Oppure dove posso trovare qualche informazione più dettagliata
GrAzie
GrAzie
19 messaggi
• Pagina 2 di 2 • 1, 2
Torna a Elettrotecnica generale
Chi c’è in linea
Visitano il forum: Nessuno e 15 ospiti

Elettrotecnica e non solo (admin)
Un gatto tra gli elettroni (IsidoroKZ)
Esperienza e simulazioni (g.schgor)
Moleskine di un idraulico (RenzoDF)
Il Blog di ElectroYou (webmaster)
Idee microcontrollate (TardoFreak)
PICcoli grandi PICMicro (Paolino)
Il blog elettrico di carloc (carloc)
DirtEYblooog (dirtydeeds)
Di tutto... un po' (jordan20)
AK47 (lillo)
Esperienze elettroniche (marco438)
Telecomunicazioni musicali (clavicordo)
Automazione ed Elettronica (gustavo)
Direttive per la sicurezza (ErnestoCappelletti)
EYnfo dall'Alaska (mir)
Apriamo il quadro! (attilio)
H7-25 (asdf)
Passione Elettrica (massimob)
Elettroni a spasso (guidob)
Bloguerra (guerra)









