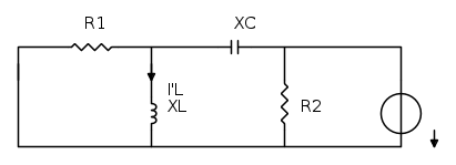
Ho questo circuito
e devo calcolare il il fasore I L con la sovrapposizione
Allora spengo il generatore di tensione
adesso per calcolare I'L considero che R1// ZL e il tutto in serie con ZC e poi applico il partiroe di corrente tra i componenti di prima ed R2 ... è corretto?
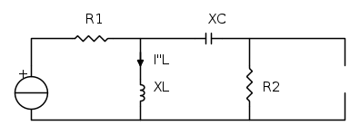
Poi spengo l'altro generatore
Per calcolare I''L calcolo la tensione ai capi della serie( R2+ZC)//ZL e applico il partitore di tensione alla serie R1 + i componenti che ho appena detto...ma è giusto?
perché io così ho fatto ma continuo a non trovarmi..
Circuito a regime sinusoidale
Moderatori:
g.schgor,
IsidoroKZ
7 messaggi
• Pagina 1 di 1
0
voti
0
voti
Ciao
nilla92!
Scusa, ma puoi disegnare i circuiti con i simboli standard per i generatori?, perché così così sembrano invertiti..
Usa questi:
-se vuoi indicare un generatore indipendente di corrente, usa questo:
mentre per quello di tensione:

Scusa, ma puoi disegnare i circuiti con i simboli standard per i generatori?, perché così così sembrano invertiti..
Usa questi:
-se vuoi indicare un generatore indipendente di corrente, usa questo:
mentre per quello di tensione:
0
voti
meno male che te lo avevo detto! 
ma non completo
non hai ancora trovato I'L
è giusto se intendi trovare la tensione ai capi del bipolo (R2+ZC)//ZL, in quanto è la stessa che insiste su ZL. infine calcoli I''L
nilla92 ha scritto:adesso per calcolare I'L considero che R1// ZL e il tutto in serie con ZC e poi applico il partiroe di corrente tra i componenti di prima ed R2 ... è corretto?
ma non completo
non hai ancora trovato I'L
nilla92 ha scritto:Poi spengo l'altro generatore
[..]
Per calcolare I''L calcolo la tensione ai capi della serie( R2+ZC)//ZL e applico il partitore di tensione alla serie R1 + i componenti che ho appena detto...ma è giusto?
è giusto se intendi trovare la tensione ai capi del bipolo (R2+ZC)//ZL, in quanto è la stessa che insiste su ZL. infine calcoli I''L
0
voti
sisi scusate ragazzi
Per caso devo applicare il partitore di corrente tra R1 E ZL con la corrente che mi sono trovata??
quindi la mia
??
lillo ha scritto:[..]
ma non completo![]()
non hai ancora trovato I'L![]()
Per caso devo applicare il partitore di corrente tra R1 E ZL con la corrente che mi sono trovata??
lillo ha scritto:[..]
è giusto se intendi trovare la tensione ai capi del bipolo (R2+ZC)//ZL, in quanto è la stessa che insiste su ZL. infine calcoli I''L
quindi la mia
??0
voti
nilla92 ha scritto:Per caso devo applicare il partitore di corrente tra R1 E ZL con la corrente che mi sono trovata??
si, dalla quale puoi calcolare la corrente I''L
--------------------------------
PS: anche le formule vanno scritte nel modo giusto:
-non è necessario l'uso dell'asterisco per indicare le moltiplicazioni;
-utilizzare pedici.

soffermati con il mouse sulla formula e vedrai come è stata scritta
7 messaggi
• Pagina 1 di 1
Torna a Elettrotecnica generale
Chi c’è in linea
Visitano il forum: Nessuno e 101 ospiti

Elettrotecnica e non solo (admin)
Un gatto tra gli elettroni (IsidoroKZ)
Esperienza e simulazioni (g.schgor)
Moleskine di un idraulico (RenzoDF)
Il Blog di ElectroYou (webmaster)
Idee microcontrollate (TardoFreak)
PICcoli grandi PICMicro (Paolino)
Il blog elettrico di carloc (carloc)
DirtEYblooog (dirtydeeds)
Di tutto... un po' (jordan20)
AK47 (lillo)
Esperienze elettroniche (marco438)
Telecomunicazioni musicali (clavicordo)
Automazione ed Elettronica (gustavo)
Direttive per la sicurezza (ErnestoCappelletti)
EYnfo dall'Alaska (mir)
Apriamo il quadro! (attilio)
H7-25 (asdf)
Passione Elettrica (massimob)
Elettroni a spasso (guidob)
Bloguerra (guerra)










