per esempio perché in questo PCB le linee di collegamento di massa sono cosi grosse ?
perché si tende a riempire lo spazio,anzichè diminuirlo?:)
http://www.techstation.it/forum/hardwar ... m3886.html
Sbroglio PCB da migliorare
Moderatori:
carloc,
g.schgor,
BrunoValente,
IsidoroKZ
22 messaggi
• Pagina 2 di 3 • 1, 2, 3
1
voti
Vari motivi:
Meno rame da incidere, alte correnti, in alcuni circuiti a radiofrequenza, ad esempio, si tiene tutto il rame o quasi nel layer sottostante (double layer) per realizzare uno schermo di massa.
Fare piste troppo sottili, oltre che inutile se si ha lo spazio, puo' portare all'interruzione delle stesse da parte dell'etching agent.
La clearance di cui parlavo in precedenza è la distanza tra le piste e la distanza tra pista e pad dei componenti, non è consigliato far passare una pista da mezzo millimetro a mezzo millimetro o meno da un pad.
Meno rame da incidere, alte correnti, in alcuni circuiti a radiofrequenza, ad esempio, si tiene tutto il rame o quasi nel layer sottostante (double layer) per realizzare uno schermo di massa.
Fare piste troppo sottili, oltre che inutile se si ha lo spazio, puo' portare all'interruzione delle stesse da parte dell'etching agent.
La clearance di cui parlavo in precedenza è la distanza tra le piste e la distanza tra pista e pad dei componenti, non è consigliato far passare una pista da mezzo millimetro a mezzo millimetro o meno da un pad.
-

rusty
4.075 2 9 11 - Utente disattivato per decisione dell'amministrazione proprietaria del sito
- Messaggi: 1578
- Iscritto il: 25 gen 2009, 13:10
0
voti
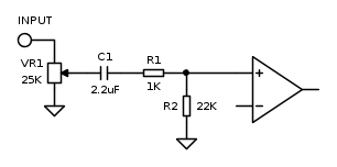
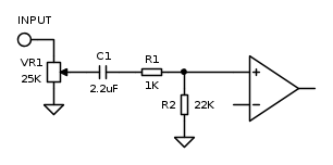
Visto che parliamo di un circuito audio, io di solito cerco anche di non creare "ground loops".
Inoltre, aggiungerei un condensatore in ingresso per disaccoppiare in DC, così:
Inoltre, aggiungerei un condensatore in ingresso per disaccoppiare in DC, così:
0
voti
La clearance di cui parlavo in precedenza è la distanza tra le piste e la distanza tra pista e pad dei componenti, non è consigliato far passare una pista da mezzo millimetro a mezzo millimetro o meno da un pad
anche se si usa un bromografo....? :)
ma usare troppo rame incide molto dal punto di vista dei disturbi....?
io so solo che è fondamentale smussare gli angoli a 45 gradi in radiofrequenza e anche come buona norma:)
quasi quasi sfrutto lo schema che ho trovato...:)
piccolo ot: è possibile sfruttare la conduzione termica del rame,dissipando il calore prodotto dagli integrati,attraverso una pista gigante su un unico lato ? se non è chiaro ditelo pure...:)
io so che i produttori fanno pad termici però su PCB dual layer....
0
voti
Inoltre, aggiungerei un condensatore in ingresso per disaccoppiare in DC, così:
infatti è strano che non si prevedano condensatori di disaccoppiamento in ingresso,persino sul datasheet non vi sono condensatori di ingresso,forse si sfrutta la caratteristica CMRR dell'amplificatore boh :)
inoltre risparmio i potenziometri,i quali sono fonte di rumore...
1
voti
Si', certamente è possibile sfruttare il rame per aiutare la dissipazione, ma non piu' di tanto e dipende ovviamente dalla quantita' di calore da scambiare.
Il bromografo, se non sei capace a sviluppare, non ti aiuta a staccare un pad da una pista praticamente attaccati, perdipiu' inutilmente vicini visto che hai 2000 metri quadrati da sfruttare
Il bromografo, se non sei capace a sviluppare, non ti aiuta a staccare un pad da una pista praticamente attaccati, perdipiu' inutilmente vicini visto che hai 2000 metri quadrati da sfruttare
-

rusty
4.075 2 9 11 - Utente disattivato per decisione dell'amministrazione proprietaria del sito
- Messaggi: 1578
- Iscritto il: 25 gen 2009, 13:10
0
voti
P.s. Frequentando quei siti attento a non farti catturare dalle audiofilate che puoi incontrarci, tipo la qualità dei condensatori dello stesso "tipo" e altre stupidaggini del genere... ricordati che se in un circuito elettronico si riscontrano differenze notevoli rispetto alle caratteristiche di un componente (criticità), ovvero che p. es. cambiando un resistore a carbone con uno a strato metallico dello stesso valore (esempio un po' ad mentulam... ) si riscontrano notevoli differenze nel funzionamento, al 99% ciò significa che il progetto presenta delle gravi carenze.
"Non farei mai parte di un club che accettasse la mia iscrizione" (G. Marx)
-

claudiocedrone
21,3k 4 7 9 - Master EY

- Messaggi: 15302
- Iscritto il: 18 gen 2012, 13:36
0
voti
Frequentando quei siti attento a non farti catturare dalle audiofilate che puoi incontrarci, tipo la qualità dei condensatori dello stesso "tipo" e altre stupidaggini del genere... ricordati che se in un circuito elettronico si riscontrano differenze notevoli rispetto alle caratteristiche di un componente (criticità), ovvero che p. es. cambiando un resistore a carbone con uno a strato metallico dello stesso valore (esempio un po' ad mentulam... ) si riscontrano notevoli differenze nel funzionamento, al 99% ciò significa che il progetto presenta delle gravi carenze.
quel sito l'ho visto per caso,l'unico sito che mi sembra eccellente riguardante l'ambito audio è www.diyaudio.com/ :)
ora provvedo a riportare le modifiche consigliatemi :)
0
voti
ecco il risultato finale,anche se devo capire come fare le piste di massa giganti !
mi sono ricordato di un errore grave,avevo scambiato le alimentazioni e questo errore ha favorito i collegamenti :)
che ne dite,circa la distanza tra le piste ?

p.s evitando il linciaggio da parte dei moderatori per la foto...work in progress...:)
mi sono ricordato di un errore grave,avevo scambiato le alimentazioni e questo errore ha favorito i collegamenti :)
che ne dite,circa la distanza tra le piste ?
p.s evitando il linciaggio da parte dei moderatori per la foto...work in progress...:)
Ultima modifica di
marco438 il 11 dic 2013, 21:46, modificato 1 volta in totale.
Motivazione: Ridimensionata foto. Perche' non impari a ritagliare?
Motivazione: Ridimensionata foto. Perche' non impari a ritagliare?
22 messaggi
• Pagina 2 di 3 • 1, 2, 3
Chi c’è in linea
Visitano il forum: Nessuno e 205 ospiti

Elettrotecnica e non solo (admin)
Un gatto tra gli elettroni (IsidoroKZ)
Esperienza e simulazioni (g.schgor)
Moleskine di un idraulico (RenzoDF)
Il Blog di ElectroYou (webmaster)
Idee microcontrollate (TardoFreak)
PICcoli grandi PICMicro (Paolino)
Il blog elettrico di carloc (carloc)
DirtEYblooog (dirtydeeds)
Di tutto... un po' (jordan20)
AK47 (lillo)
Esperienze elettroniche (marco438)
Telecomunicazioni musicali (clavicordo)
Automazione ed Elettronica (gustavo)
Direttive per la sicurezza (ErnestoCappelletti)
EYnfo dall'Alaska (mir)
Apriamo il quadro! (attilio)
H7-25 (asdf)
Passione Elettrica (massimob)
Elettroni a spasso (guidob)
Bloguerra (guerra)



