Verificare la padronanza degli elementi fondamentali per l'analisi di un circuito resistivo lineare .
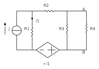
il circuito
e le sue relazioni sono:



![\[J=1A\] \[J=1A\]](/forum/latexrender/pictures/6b2d1dae3ff8ba82167a64da93b44a94.png)
Applicando il teorema di Thevenin ai morsetti a-b, determinare la corrente
nel resistore ![\[R_{4}\] \[R_{4}\]](/forum/latexrender/pictures/f39f2854af8ec2688abdb3e6b59aeafc.png)
IL MIO SVOLGIMENTO
Rimosso R4 ottengo il seguente circuito dove calcolo la tensione a vuoto di Thevenin come
![\[E_{0}=R_{3}i_{3}\] \[E_{0}=R_{3}i_{3}\]](/forum/latexrender/pictures/1fdd0aa0c972de1be1ee416269068ec3.png)
Essendo in serie
considero la corrente ![\[i_{2}=i_{3}\] \[i_{2}=i_{3}\]](/forum/latexrender/pictures/07b9472f6f028d50a037f1a5f7b48cb8.png)
Per ottenere la tensione di Thevenin devo conoscere la tensione
e quindi conoscere ![\[i_{3}\] \[i_{3}\]](/forum/latexrender/pictures/b330cca3e0bee55a404685630cc5dcf6.png)
Al nodo 1 (chiedo scusa per il nodo così grande ma non sapevo come farlo
mentre alla maglia avrò la LKT:
.Metto entrambe a sistema
![\[\left\{\begin{matrix} i_{1}+i_{3}=J \\ R_{1}i_{1}+ri_{1}-R_{2}i_{3}-R_{3}i_{3}=0 \end{matrix}\right.\] \[\left\{\begin{matrix} i_{1}+i_{3}=J \\ R_{1}i_{1}+ri_{1}-R_{2}i_{3}-R_{3}i_{3}=0 \end{matrix}\right.\]](/forum/latexrender/pictures/de64cdccf4fa1fbfa1dc15af0df58260.png)
Risolvo il sistema e ottengo la mia
![\[i_{3}\] \[i_{3}\]](/forum/latexrender/pictures/b330cca3e0bee55a404685630cc5dcf6.png)
![\[i_{3}=\frac{J\left ( R_{1}+r \right )}{R_{1}+R_{2}+R_{3}+r}= \frac{1\left ( 2+2 \right )}{2+2+1+2}=\frac{4}{7}=0,57A\] \[i_{3}=\frac{J\left ( R_{1}+r \right )}{R_{1}+R_{2}+R_{3}+r}= \frac{1\left ( 2+2 \right )}{2+2+1+2}=\frac{4}{7}=0,57A\]](/forum/latexrender/pictures/c0ff38f8556d52e1115a8af05a785114.png)
per cui si ha
![\[E_{o}=R_{3}i_{3}=1*0,57= 0,57A\] \[E_{o}=R_{3}i_{3}=1*0,57= 0,57A\]](/forum/latexrender/pictures/9c580cfebd845148369ee06d64e6b77c.png)
Ora devo calcolare la
![\[R_{th}\] \[R_{th}\]](/forum/latexrender/pictures/05562e18b6c503a5cfdab6cfb41598a3.png)
può essere visto come il rapporto fra
e la corrente di corto circuito
ai capi a-b, quindi
è cortocircuitale quindi si ha
, per ottenere
devo risolvera il sistema:![\[\left\{\begin{matrix} i_{1}+i_{2}= J \\ R_{1}i_{1}+ri_{1}-R_{2}i_{2}=0 \end{matrix}\right.\] \[\left\{\begin{matrix} i_{1}+i_{2}= J \\ R_{1}i_{1}+ri_{1}-R_{2}i_{2}=0 \end{matrix}\right.\]](/forum/latexrender/pictures/01b01f01eaef955d9a1f48be7fbfe55b.png)
ottengo così:
![\[i_{2}=\frac{J\left ( R_{1}+r \right )}{R_{1}+R_{2}+r}= \frac{J\left ( R_{1}+r \right )}{R_{1}+R_{2}+r}= \frac{1\left ( 2+2 \right )}{2+2+2}=\frac{4}{6}=0.67A\] \[i_{2}=\frac{J\left ( R_{1}+r \right )}{R_{1}+R_{2}+r}= \frac{J\left ( R_{1}+r \right )}{R_{1}+R_{2}+r}= \frac{1\left ( 2+2 \right )}{2+2+2}=\frac{4}{6}=0.67A\]](/forum/latexrender/pictures/d4efb810d76560904de5152516292218.png)
ricordo che
![\[i_{2}=i_{cc}=0,67A\] \[i_{2}=i_{cc}=0,67A\]](/forum/latexrender/pictures/2deb99553ccb92a3ad2268e3573cf3b5.png)
quindi ho che
![\[R_{th}=\frac{E_{0}}{i_{cc}}=\frac{0,57}{0,67}=0,85\] \[R_{th}=\frac{E_{0}}{i_{cc}}=\frac{0,57}{0,67}=0,85\]](/forum/latexrender/pictures/69d741e0fefd46a739dd5843ec7c8766.png)
Ora posso calcolare la corrente
, il circuito diventa:e ho che
![\[i_{4}=\frac{E_{0}}{R_{th}+R_{4}}= \frac{0,57}{1+0,85}=\frac{0,57}{1,85}= 0,31 A\] \[i_{4}=\frac{E_{0}}{R_{th}+R_{4}}= \frac{0,57}{1+0,85}=\frac{0,57}{1,85}= 0,31 A\]](/forum/latexrender/pictures/72bea0a9cc90406321c294cacc843b25.png)
Finito!
Ragazzi ditemi se ho fatto bene

Elettrotecnica e non solo (admin)
Un gatto tra gli elettroni (IsidoroKZ)
Esperienza e simulazioni (g.schgor)
Moleskine di un idraulico (RenzoDF)
Il Blog di ElectroYou (webmaster)
Idee microcontrollate (TardoFreak)
PICcoli grandi PICMicro (Paolino)
Il blog elettrico di carloc (carloc)
DirtEYblooog (dirtydeeds)
Di tutto... un po' (jordan20)
AK47 (lillo)
Esperienze elettroniche (marco438)
Telecomunicazioni musicali (clavicordo)
Automazione ed Elettronica (gustavo)
Direttive per la sicurezza (ErnestoCappelletti)
EYnfo dall'Alaska (mir)
Apriamo il quadro! (attilio)
H7-25 (asdf)
Passione Elettrica (massimob)
Elettroni a spasso (guidob)
Bloguerra (guerra)







ma 

, non va bene né la relazione
, né la relazione della KLV. Ricontrolla e riprovaci.


?

perché è sbagliata?![\[v_{3}+v_{2}-v_{1}-ri_{1}=0\] \[v_{3}+v_{2}-v_{1}-ri_{1}=0\]](/forum/latexrender/pictures/4fdc91cbe2ae14a7c5c3c1625e6b796e.png)