Cos'è ElectroYou | Login Iscriviti

ElectroYou - la comunità dei professionisti del mondo elettrico

Esercizio esame Thevenin con generatore controllato

Circuiti, campi elettromagnetici e teoria delle linee di trasmissione e distribuzione dell’energia elettrica

Moderatori: Foto Utenteg.schgor, Foto UtenteIsidoroKZ

0
voti

[1] Esercizio esame Thevenin con generatore controllato

Messaggioda Foto UtenteMischaViolett » 13 dic 2013, 11:15

Ragazzi mi aiutate con lo svolgimento di questo esercizio ?

Verificare la padronanza degli elementi fondamentali per l'analisi di un circuito resistivo lineare .
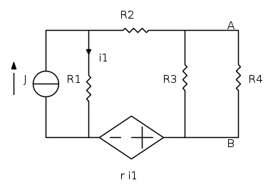
il circuito



e le sue relazioni sono:
\[R_{1}=R_{2}= 2\Omega
\[R_{3}=R_{4}= 1\Omega
\[r=1\Omega
\[J=1A\]

Applicando il teorema di Thevenin ai morsetti a-b, determinare la corrente \[i_{4}\] nel resistore \[R_{4}\]

IL MIO SVOLGIMENTO

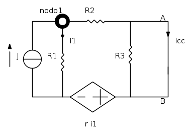
Rimosso R4 ottengo il seguente circuito dove calcolo la tensione a vuoto di Thevenin come \[E_{0}=R_{3}i_{3}\]



Essendo in serie \[R_{2} e R_{3}\] considero la corrente \[i_{2}=i_{3}\]
Per ottenere la tensione di Thevenin devo conoscere la tensione \[V_{3}\] e quindi conoscere \[i_{3}\]

Al nodo 1 (chiedo scusa per il nodo così grande ma non sapevo come farlo :-) ) ho \[J=i_{1}+i_{3}\] mentre alla maglia avrò la LKT: \[R_{1}i_{1}+ri_{1}-R_{2}i^{3}-R_{3}i_{3}=0\].
Metto entrambe a sistema

\[\left\{\begin{matrix} i_{1}+i_{3}=J \\ R_{1}i_{1}+ri_{1}-R_{2}i_{3}-R_{3}i_{3}=0 \end{matrix}\right.\]

Risolvo il sistema e ottengo la mia \[i_{3}\]

\[i_{3}=\frac{J\left ( R_{1}+r \right )}{R_{1}+R_{2}+R_{3}+r}= \frac{1\left ( 2+2 \right )}{2+2+1+2}=\frac{4}{7}=0,57A\]

per cui si ha \[E_{o}=R_{3}i_{3}=1*0,57= 0,57A\]


Ora devo calcolare la \[R_{th}\]

\[R_{th}\] può essere visto come il rapporto fra \[E_{0}\] e la corrente di corto circuito \[i_{cc}\] ai capi a-b, quindi



\[R_{3}\] è cortocircuitale quindi si ha \[i_{cc}=i_{2}\], per ottenere \[i_{2}\] devo risolvera il sistema:

\[\left\{\begin{matrix} i_{1}+i_{2}= J \\ R_{1}i_{1}+ri_{1}-R_{2}i_{2}=0 \end{matrix}\right.\]

ottengo così:

\[i_{2}=\frac{J\left ( R_{1}+r \right )}{R_{1}+R_{2}+r}= \frac{J\left ( R_{1}+r \right )}{R_{1}+R_{2}+r}= \frac{1\left ( 2+2 \right )}{2+2+2}=\frac{4}{6}=0.67A\]

ricordo che \[i_{2}=i_{cc}=0,67A\]

quindi ho che \[R_{th}=\frac{E_{0}}{i_{cc}}=\frac{0,57}{0,67}=0,85\]

Ora posso calcolare la corrente \[i_{4}\], il circuito diventa:



e ho che \[i_{4}=\frac{E_{0}}{R_{th}+R_{4}}= \frac{0,57}{1+0,85}=\frac{0,57}{1,85}= 0,31 A\]

Finito! :D :D

Ragazzi ditemi se ho fatto bene :roll: , se ho sbagliato dove ho sbagliato e come si svolgeva, ditemi tutto!! :-) :-)
Avatar utente
Foto UtenteMischaViolett
15 1 6
New entry
New entry
 
Messaggi: 61
Iscritto il: 7 set 2013, 13:13

0
voti

[2] Re: Esercizio esame Thevenin con generatore controllato

Messaggioda Foto UtenteDrCox » 13 dic 2013, 11:58

MischaViolett ha scritto: ... alla maglia avrò la LKT: \[R_{1}i_{1}+ri_{1}-R_{2}i^{3}-R_{3}i_{3}=0\].


sicuro? :D
"The past is not really the past until it has been registered. Or put another way, the past has no meaning or existence unless it exists as a record in the present."
John Archibald Wheeler
Avatar utente
Foto UtenteDrCox
2.738 2 8 12
Master EY
Master EY
 
Messaggi: 744
Iscritto il: 8 giu 2010, 21:42

0
voti

[3] Re: Esercizio esame Thevenin con generatore controllato

Messaggioda Foto UtenteMischaViolett » 13 dic 2013, 12:02

ops no \[i^{3}\] ma \[i_{3}\]
Ultima modifica di Foto Utentelillo il 16 dic 2013, 12:48, modificato 1 volta in totale.
Motivazione: Non quotare per rispondere al messaggio precedente
Avatar utente
Foto UtenteMischaViolett
15 1 6
New entry
New entry
 
Messaggi: 61
Iscritto il: 7 set 2013, 13:13

0
voti

[4] Re: Esercizio esame Thevenin con generatore controllato

Messaggioda Foto Utentemavesla » 13 dic 2013, 13:43

Mmm... Foto UtenteDrCox intendeva un altro errorino, ricontrolla bene la maglia! :-)
Ultima modifica di Foto Utentelillo il 16 dic 2013, 12:48, modificato 1 volta in totale.
Motivazione: Non quotare per rispondere al messaggio precedente
Avatar utente
Foto Utentemavesla
175 2 3
New entry
New entry
 
Messaggi: 72
Iscritto il: 19 ott 2013, 11:45

0
voti

[5] Re: Esercizio esame Thevenin con generatore controllato

Messaggioda Foto UtenteMischaViolett » 13 dic 2013, 13:54

mmmmm.... ho riprovato mi viene uguale!!!!!! :roll:
Avatar utente
Foto UtenteMischaViolett
15 1 6
New entry
New entry
 
Messaggi: 61
Iscritto il: 7 set 2013, 13:13

0
voti

[6] Re: Esercizio esame Thevenin con generatore controllato

Messaggioda Foto UtenteDrCox » 13 dic 2013, 15:37

Chiamiamo U_{MischaViolett} = ri_1 :lol:
Mostrami sullo schema come è orientata tale tensione :ok:
"The past is not really the past until it has been registered. Or put another way, the past has no meaning or existence unless it exists as a record in the present."
John Archibald Wheeler
Avatar utente
Foto UtenteDrCox
2.738 2 8 12
Master EY
Master EY
 
Messaggi: 744
Iscritto il: 8 giu 2010, 21:42

0
voti

[7] Re: Esercizio esame Thevenin con generatore controllato

Messaggioda Foto Utentegotthard » 13 dic 2013, 17:10

Con il verso da te fissato per i_3, non va bene né la relazione J=i_1+i_3, né la relazione della KLV. Ricontrolla e riprovaci.
...\frac{\mathrm{d} p}{\mathrm{d} t}=JCM... :!:
Avatar utente
Foto Utentegotthard
4.611 2 5 9
Expert EY
Expert EY
 
Messaggi: 1357
Iscritto il: 5 lug 2013, 14:01

0
voti

[8] Re: Esercizio esame Thevenin con generatore controllato

Messaggioda Foto Utentemavesla » 13 dic 2013, 17:31

gotthard ha scritto:Con il verso da te fissato per i_3, non va bene né la relazione J=i_1+i_3, né la relazione della KLV. Ricontrolla e riprovaci.

perché non va bene la relazione J=i_1+i_3 ? Forse hai confuso il verso di i_3 con la freccia relativa al verso di V_3?
Avatar utente
Foto Utentemavesla
175 2 3
New entry
New entry
 
Messaggi: 72
Iscritto il: 19 ott 2013, 11:45

0
voti

[9] Re: Esercizio esame Thevenin con generatore controllato

Messaggioda Foto Utentegotthard » 13 dic 2013, 17:33

mavesla ha scritto:perché non va bene la relazione J=i_1+i_3 ? Forse hai confuso il verso di i_3 con la freccia relativa al verso di V_3?

Ah, scusate, pensavo fosse il verso di i_3 #-o
...\frac{\mathrm{d} p}{\mathrm{d} t}=JCM... :!:
Avatar utente
Foto Utentegotthard
4.611 2 5 9
Expert EY
Expert EY
 
Messaggi: 1357
Iscritto il: 5 lug 2013, 14:01

0
voti

[10] Re: Esercizio esame Thevenin con generatore controllato

Messaggioda Foto UtenteMischaViolett » 13 dic 2013, 22:09

Ho disegnato il circuito un?altra volta





se applico la LKC al nodo 1 mi viene \[i_{1}+i_{3}=J\] perché è sbagliata?

mentre per le tensiosi scelgo il verso antiorario e mi viene \[v_{3}+v_{2}-v_{1}-ri_{1}=0\]

dove è sbagliato???
Avatar utente
Foto UtenteMischaViolett
15 1 6
New entry
New entry
 
Messaggi: 61
Iscritto il: 7 set 2013, 13:13

Prossimo

Torna a Elettrotecnica generale

Chi c’è in linea

Visitano il forum: Google Adsense [Bot] e 19 ospiti