Sul Trasformatore...
Moderatori:
SandroCalligaro,
mario_maggi,
fpalone
0
voti
Infatti si tratta di un file per Java. Devi installare il runtime. Ormai è tanto comune che dovresti averlo già installato, ma se non è così, basta scaricarlo. Una volta installato il programma funzionerà come un qualunque altro programma eseguibile.
-

Candy
32,5k 7 10 13 - CRU - Account cancellato su Richiesta utente
- Messaggi: 10123
- Iscritto il: 14 giu 2010, 22:54
1
voti
Federico22 ha scritto:Chiunque controlli il mio computer...
Evitiamo di dire fesserie grosse come una casa.
FidocadJ è un eseguibile .jar che viene eseguito con java.
Sei pregato di moderare il linguaggio senza insultare a vanvera.
Grazie.
PS: ovviamente il punto negativo te l'ho dato io.
0
voti
Ho esportato il file come .bmp. Come postarlo? Col copia e incolla non va bene.
-

Federico22
-18 2 - Messaggi: 18
- Iscritto il: 6 mar 2013, 0:19
0
voti
Ctrl A all'interno della finestra dello schema, o selezioni il circuito con il mouse.
Per postarlo, lo copi con Ctrl C tra i tag [*fcd]
Per esempio:
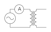
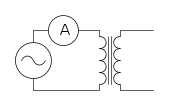
Risultato:
Per postarlo, lo copi con Ctrl C tra i tag [*fcd]
Per esempio:
- Codice: Seleziona tutto
[fcd][FIDOCAD]
FJC C 1.2
FJC A 0.24
FJC B 0.24
MC 40 30 0 0 480
MC 50 30 0 0 ihram.trafois
LI 40 30 50 30 0
LI 40 50 50 50 0
MC 75 35 1 0 080
LI 60 30 75 30 0
LI 75 30 75 35 0
LI 75 45 75 50 0
LI 75 50 60 50 0
[/fcd]
Risultato:
0
voti
0
voti
Vuoi misurare quanti Ampère scorrono sul primario di un trasformatore, quando questo è in funzione?
Un multimetro sulla portata AC risolverebbe il tuo dubbio, pero' visto l'approccio io te lo sconsiglio, non vorrei averti sulla coscienza prima di arrivare a vedere Natale 2013.
Un multimetro sulla portata AC risolverebbe il tuo dubbio, pero' visto l'approccio io te lo sconsiglio, non vorrei averti sulla coscienza prima di arrivare a vedere Natale 2013.
-

rusty
4.075 2 9 11 - Utente disattivato per decisione dell'amministrazione proprietaria del sito
- Messaggi: 1578
- Iscritto il: 25 gen 2009, 13:10
1
voti
rusty ha scritto:Un multimetro sulla portata AC risolverebbe il tuo dubbio...
prima di eseguire una misura di intensità di corrente è opportuno valutare l'ordine di grandezza, vuoi per la portata adatta dello strumento ma ancor prima di ogni operazione valutare le condizioni di sicurezza.
1
voti
Basterebbe sapere la potenza massima del trasformatore per capire la massima corrente che puo' passare sul primario (esempio stupido, 220W, 1A massimo sul primario a 220 V).
Io continuo a sconsigliare categoricamente di fare una misura del genere essendo direttamente sulla rete, soprattutto per come mi sembra inesperto l'OP.
Tornando ad una questione di qualche giorno fa', trovo piuttosto grave e sconsiderato non prestare attenzione a thread del genere dove l'OP rischia come minimo un'ustione, come massimo la morte (e di utenti che giocano con la rete in questo modo ce ne sono), e tirar fuori tutte le norme del mondo per una goccia di cloruro ferrico.
Opinione personalissima.
Io continuo a sconsigliare categoricamente di fare una misura del genere essendo direttamente sulla rete, soprattutto per come mi sembra inesperto l'OP.
Tornando ad una questione di qualche giorno fa', trovo piuttosto grave e sconsiderato non prestare attenzione a thread del genere dove l'OP rischia come minimo un'ustione, come massimo la morte (e di utenti che giocano con la rete in questo modo ce ne sono), e tirar fuori tutte le norme del mondo per una goccia di cloruro ferrico.
Opinione personalissima.
-

rusty
4.075 2 9 11 - Utente disattivato per decisione dell'amministrazione proprietaria del sito
- Messaggi: 1578
- Iscritto il: 25 gen 2009, 13:10
Chi c’è in linea
Visitano il forum: Nessuno e 49 ospiti

Elettrotecnica e non solo (admin)
Un gatto tra gli elettroni (IsidoroKZ)
Esperienza e simulazioni (g.schgor)
Moleskine di un idraulico (RenzoDF)
Il Blog di ElectroYou (webmaster)
Idee microcontrollate (TardoFreak)
PICcoli grandi PICMicro (Paolino)
Il blog elettrico di carloc (carloc)
DirtEYblooog (dirtydeeds)
Di tutto... un po' (jordan20)
AK47 (lillo)
Esperienze elettroniche (marco438)
Telecomunicazioni musicali (clavicordo)
Automazione ed Elettronica (gustavo)
Direttive per la sicurezza (ErnestoCappelletti)
EYnfo dall'Alaska (mir)
Apriamo il quadro! (attilio)
H7-25 (asdf)
Passione Elettrica (massimob)
Elettroni a spasso (guidob)
Bloguerra (guerra)





