Problema LtSpice
2
voti
[12] Re: problema ltspice
Premesso che sotto Spice gli interruttori (per ovvie ragioni) devono sempre essere non ideali (e premesso anche che non capisco quale interruttore tu abbia usato nella tua simulazione), puoi usare sia il voltage controlled switch sw della libreria standard, sia un time controlled switch disponibile sull' LTspice Group di Yahoo, ma scaricabile anche in questo vecchio thread
viewtopic.php?t=31511
Le caratteristiche ed i parametri caratteristici del primo sono disponibili nell'help di LTspice sotto LTspice > Circuit Elements, oppure
http://ltwiki.org/index.php?title=S_Vol ... led_Switch
vedi anche
ad ogni modo, per entrambi avrai un loro controllo attraverso una direttiva spice del tipo
.model MySwitch SW(Ron=.1 Roff=1Meg Vt=0 Vh=-.5 Lser=10n Vser=.6)
dove potrai modificare i parametri al fine di renderli "accettabili" per la particolare simulazione; nel tuo caso per esempio è chiaro che mentre la Roff=1Meg potrebbe essere accettabile, così non è per la Ron=0.1 (di default è addirittura di 1 ohm), che dovrai ridurre almeno sotto il milliohm.
Per quanto riguarda poi il generatore controllato in corrente, come ti ha già detto
IsidoroKZ lo trovi sotto f nella libreria standard, ma puoi anche trovarne uno più "tradizionale" nella libreria addizionale della Evansville University
http://csserver.evansville.edu/~richard ... index.html
viewtopic.php?t=31511
Le caratteristiche ed i parametri caratteristici del primo sono disponibili nell'help di LTspice sotto LTspice > Circuit Elements, oppure
http://ltwiki.org/index.php?title=S_Vol ... led_Switch
vedi anche
ad ogni modo, per entrambi avrai un loro controllo attraverso una direttiva spice del tipo
.model MySwitch SW(Ron=.1 Roff=1Meg Vt=0 Vh=-.5 Lser=10n Vser=.6)
dove potrai modificare i parametri al fine di renderli "accettabili" per la particolare simulazione; nel tuo caso per esempio è chiaro che mentre la Roff=1Meg potrebbe essere accettabile, così non è per la Ron=0.1 (di default è addirittura di 1 ohm), che dovrai ridurre almeno sotto il milliohm.
Per quanto riguarda poi il generatore controllato in corrente, come ti ha già detto
http://csserver.evansville.edu/~richard ... index.html
"Il circuito ha sempre ragione" (Luigi Malesani)
0
voti
[13] Re: Problema LtSpice
RenzoDF grazie della tua risposta ma mi sono accorto di dover usare matlab perché all'esame ho matlab ed avrei in questo modo se mi rimane tempo la possibilità di verificare la correttezza del mio circuito
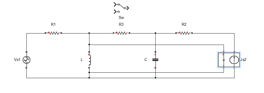
ho tentato di riprodurre il circuito in questo modo :
ma non capisco perché lo switch manuale non riesco a collegarlo al resto del circuito? poi ho scelto il giusto generatore pilotato? come gli dico quello che deve avere in ingresso?
Grazie e scusate per il tempo che vi ho fatto perdere sull'altro.
vi auguro buone feste
ho tentato di riprodurre il circuito in questo modo :
ma non capisco perché lo switch manuale non riesco a collegarlo al resto del circuito? poi ho scelto il giusto generatore pilotato? come gli dico quello che deve avere in ingresso?
Grazie e scusate per il tempo che vi ho fatto perdere sull'altro.
vi auguro buone feste
1
voti
[14] Re: Problema LtSpice
... come minimo penso tu debba connettere i due morsetti sinistri del CCCS in serie al ramo di controllo ;)
... ed inoltre direi che l'interruttore dovrebbe avere un terminale di controllo ... quello come lo chiudi?
http://www.mathworks.it/it/help/physmod ... witch.html
... ed inoltre direi che l'interruttore dovrebbe avere un terminale di controllo ... quello come lo chiudi?
http://www.mathworks.it/it/help/physmod ... witch.html
"Il circuito ha sempre ragione" (Luigi Malesani)
0
voti
[15] Re: Problema LtSpice
quindi intendi così?
ok ho solo 2 ultimi dubbi 1 perché devo inserire un solver configuration block e poi posso inserirlo ovunque? e poi perché quello switch non si collega agli altri blocchi? che switch dovrei usare?
ok ho solo 2 ultimi dubbi 1 perché devo inserire un solver configuration block e poi posso inserirlo ovunque? e poi perché quello switch non si collega agli altri blocchi? che switch dovrei usare?
1
voti
[19] Re: Problema LtSpice
904 ha scritto:così fanno tutti quando hai un problema di elettrotecnica ti abbandonano gli amici , i professori questa è l'italia purtroppo
Oh, ma stai calmo!
Non è che uno debba rispondere istantaneamente a tutte le domande...
Non mi sembra che ti abbia abbandonato nessuno, però puoi capire che, essendo domenica e anche l' ora di pranzo, le risposte non saranno immediate come lo sono gli altri giorni...
Basta avere un po' di patience
0
voti
[20] Re: Problema LtSpice
ma io infatti non richiedo una risposta instantanea però se mi rispondete come RenzoDf ti abbandono non mi sembra tanto giusto io sono in crisi voglio imparare le cose sono venuto su questo forum perché nessuno mi aiuta il prof ha messo l'esame agli inizi di gennaio in modo di non poter andare a ricevimento da lui non risponde alle email , durante il corso ha messo il ricevimento durante il corso in modo da non poter andare a ricevimento da lui non ho un testo su cui studiare per bene gli argomenti studiati a lezione, non ho prove d'esame svolte con cui confrontarmi coi risultati mi scuso se assillo troppo
Torna a Programmi applicativi: simulatori, CAD ed altro
Chi c’è in linea
Visitano il forum: Nessuno e 9 ospiti

Elettrotecnica e non solo (admin)
Un gatto tra gli elettroni (IsidoroKZ)
Esperienza e simulazioni (g.schgor)
Moleskine di un idraulico (RenzoDF)
Il Blog di ElectroYou (webmaster)
Idee microcontrollate (TardoFreak)
PICcoli grandi PICMicro (Paolino)
Il blog elettrico di carloc (carloc)
DirtEYblooog (dirtydeeds)
Di tutto... un po' (jordan20)
AK47 (lillo)
Esperienze elettroniche (marco438)
Telecomunicazioni musicali (clavicordo)
Automazione ed Elettronica (gustavo)
Direttive per la sicurezza (ErnestoCappelletti)
EYnfo dall'Alaska (mir)
Apriamo il quadro! (attilio)
H7-25 (asdf)
Passione Elettrica (massimob)
Elettroni a spasso (guidob)
Bloguerra (guerra)





