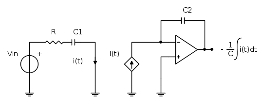
In effetti più che interagenti sono in cascata
Vedi il circuito a sinistra è un semplice R/C e ti trovi la costante di tempo facilmente. Considera i(t) come grandezza di uscita.
La parte destra è poi un semplice integratore, anch'esso semplice da analizzare.
Considerarli in cascata è poi anche semplice. Se la vedi nel dominio della frequenza moltiplichi le due funzioni di trasferimento, altrimenti nel dominio del tempo trovi semplicemente i(t) e poi l'uscita vout integrando quella corrente.
Se ad esempio stimoli con un gradino

la corrente sarà semplicemente

e la tua uscita l'integrale di tale espressione, ma ancora più semplicemente, l'integrale di un esponenziale è ancora un altro esponenziale di stesso argomento, allora ti mancano solo i valori iniziali e finali per applicare quello che chiami
metodo sistematico...
fissiamo

e poi vediamo che dato che
la stessa corrente scorre nei due condensatori possiamo applicare il principio di conservazione della carica e per


quindi in pratica avresti un semplice esponenziale in salita, come quello che otterresti con questo circuito