salve a tutti,e buon anno.
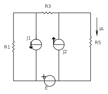
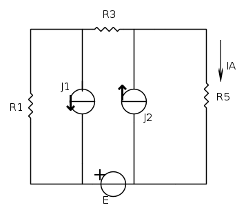
Volevo chiedervi un aiuto nel risolvere questo esercizio.La mia idea è di sostituire il bipolo J1-R1 con un generatore di corrente(attraverso il principio di sovrapposizione),poi,so che l'amperometro corrisponde a un cortocircuito quindi la resistenza R4 è cortocircuitata e quindi posso toglierla,inoltre la corrente dell'amperometro (IA) è la stessa di R5 poiché in serie .
Il circuito diventa quindi
La mia idea è di applicare il teorema del potenziale ai nodi ,in questo modo posso trovare la tensione della resistenza R5 ( che è la stessa del generatore di corrente J2) e quindi ricavarmi la corrente.E' giusta come idea o ho sbagliato qualcosa?Grazie per l'aiuto
Esercizio esame
Moderatori:
g.schgor,
IsidoroKZ
13 messaggi
• Pagina 1 di 2 • 1, 2
0
voti
Ciao
Dega93!
?
Controlla meglio
Devi comunque dire quali sono le richieste dell' esercizio..
Dega93 ha scritto:(attraverso il principio di sovrapposizione)
?
Dega93 ha scritto:poi,so che l'amperometro corrisponde a un cortocircuito quindi la resistenza R4 è cortocircuitata e quindi posso toglierla
Controlla meglio
Devi comunque dire quali sono le richieste dell' esercizio..
0
voti
Scusatemi ma ero di fretta quando ho scritto la domanda e poi non ho ricontrollato.
Il problema mi chiede di "Determinare il valore della corrente misurata dall'amperometro ideale (IA)"
Intendevo teorema di sostituzione
Mi dispiace gotthard ma non riesco a capire,non è cortocircuitata?
Inoltre mi sono accorto che la corrente IA scorre in verso opposto
Il problema mi chiede di "Determinare il valore della corrente misurata dall'amperometro ideale (IA)"
Dega93 ha scritto:(attraverso il principio di sovrapposizione)
?
Intendevo teorema di sostituzione
Dega93 ha scritto:poi,so che l'amperometro corrisponde a un cortocircuito quindi la resistenza R4 è cortocircuitata e quindi posso toglierla
Controlla meglio
Mi dispiace gotthard ma non riesco a capire,non è cortocircuitata?
Inoltre mi sono accorto che la corrente IA scorre in verso opposto
0
voti
Due osservazioni:
La resistenza che togli perche' in serie al generatore di corrente non e` R1 ma R2, quella nell'ellisse rossa. Questo pero` era solo un lapsus, nello schema era giusto.
Quando invece sostituisci l'amperometro con un cortocircuito, come indicato dal trattone blu, ti sembra che R4 sia cortocircuitata?
La resistenza che togli perche' in serie al generatore di corrente non e` R1 ma R2, quella nell'ellisse rossa. Questo pero` era solo un lapsus, nello schema era giusto.
Quando invece sostituisci l'amperometro con un cortocircuito, come indicato dal trattone blu, ti sembra che R4 sia cortocircuitata?
Per usare proficuamente un simulatore, bisogna sapere molta più elettronica di lui
Plug it in - it works better!
Il 555 sta all'elettronica come Arduino all'informatica! (entrambi loro malgrado)
Se volete risposte rispondete a tutte le mie domande
Plug it in - it works better!
Il 555 sta all'elettronica come Arduino all'informatica! (entrambi loro malgrado)
Se volete risposte rispondete a tutte le mie domande
0
voti
Dega93 ha scritto:Mi dispiace gotthard ma non riesco a capire,non è cortocircuitata?
No, è in parallelo a
Dega93 ha scritto:Inoltre mi sono accorto che la corrente IA scorre in verso opposto
Bè, quello in realtà lo saprai alla fine dei calcoli; nel testo dell' esercizio può essere indicata con un certo verso, però solo alla fine sarai in grado di constatare in quale verso scorre. Infatti, se fai i calcoli considerando la corrente
come se scorre verso il basso, poi ti viene una
negativa, vuol dire che in realtà, seppur nel testo dell' eserczio è indicata in un certo modo, scorre nel verso opposto. 0
voti
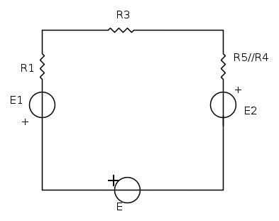
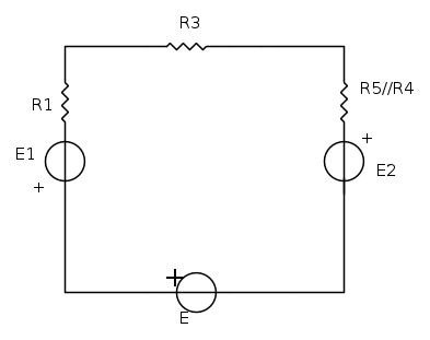
Ringrazio entrambi per le chiare e veloci domande,ho perfettamente capito dove sbagliavo.Quindi ,sapendo che R4//R5,la mia proposta di soluzione (applicare il principio dei potenziale ai nodi) può andare bene oppure ci sono vie più semplici?
0
voti
Sì, puoi provare con il metodo dei nodi, poi magari posta la tua risoluzione, o per lo meno il modo in cui imposti il sistema di equazioni.
Puoi osservare che il circuito ha tre nodi, mentre se i due rami a sinistra, cioè il parallelo tra
e
, li "trasformi" in un ramo con in serie un generatore di tensione e un resistore, hai un circuito con soli due nodi.
Puoi osservare che il circuito ha tre nodi, mentre se i due rami a sinistra, cioè il parallelo tra
e
, li "trasformi" in un ramo con in serie un generatore di tensione e un resistore, hai un circuito con soli due nodi.0
voti
gotthard ha scritto:Puoi osservare che il circuito ha tre nodi, mentre se i due rami a sinistra, cioè il parallelo trae
, li "trasformi" in un ramo con in serie un generatore di tensione e un resistore, hai un circuito con soli due nodi.
Stavo riguardando il circuito, e ho visto che prima non mi sono accorto di dirti che la stessa cosa (ridurre due rami in parallelo in uno solo costituito da generatore di tensione con in serie un resistore) la puoi fare anche nella parte a destra, ottenendo un circuito equivalente a quello di partenza costituito da una sola maglia
0
voti
Ok ho perfettamente capito,non appena ho un attimo provo a risolverlo e ti faccio sapere.Mi sei stato di grande aiuto,grazie mille
0
voti
[10] Re: Esercizio esame
Stavo riguardando il circuito, e ho visto che prima non mi sono accorto di dirti che la stessa cosa (ridurre due rami in parallelo in uno solo costituito da generatore di tensione con in serie un resistore) la puoi fare anche nella parte a destra, ottenendo un circuito equivalente a quello di partenza costituito da una sola maglia
Intendi così?
Con E1=J1R1 e E2=(R5//R4)J2
13 messaggi
• Pagina 1 di 2 • 1, 2
Torna a Elettrotecnica generale
Chi c’è in linea
Visitano il forum: Nessuno e 41 ospiti

Elettrotecnica e non solo (admin)
Un gatto tra gli elettroni (IsidoroKZ)
Esperienza e simulazioni (g.schgor)
Moleskine di un idraulico (RenzoDF)
Il Blog di ElectroYou (webmaster)
Idee microcontrollate (TardoFreak)
PICcoli grandi PICMicro (Paolino)
Il blog elettrico di carloc (carloc)
DirtEYblooog (dirtydeeds)
Di tutto... un po' (jordan20)
AK47 (lillo)
Esperienze elettroniche (marco438)
Telecomunicazioni musicali (clavicordo)
Automazione ed Elettronica (gustavo)
Direttive per la sicurezza (ErnestoCappelletti)
EYnfo dall'Alaska (mir)
Apriamo il quadro! (attilio)
H7-25 (asdf)
Passione Elettrica (massimob)
Elettroni a spasso (guidob)
Bloguerra (guerra)








