Cos'è ElectroYou | Login Iscriviti

ElectroYou - la comunità dei professionisti del mondo elettrico

Esercizio n. 8. Avete suggerimenti?

Circuiti, campi elettromagnetici e teoria delle linee di trasmissione e distribuzione dell’energia elettrica

Moderatori: Foto Utenteg.schgor, Foto UtenteIsidoroKZ

0
voti

[11] Re: [8] esercizio. Avete suggerimenti?

Messaggioda Foto Utenteluciano87 » 3 gen 2014, 23:01

no per quanto detto prima Vc=V2

\[\begin{cases} & i_{1}=i_{C}+i_{2} \\ & V_{2}=V_{C} \\ & e= V_{1}+V_{2} \end{cases}\]

ora si trova...esiste un altro metodo per risolvere la prima parte?

...procediamo poi per t=0
lascerei tutto invariato tranne Vc(0)=8 che diciamo sia scontanto

poi per t>0
dovrebbe esser analogo alla prima parte il procedimento, quindi rivisito i calcoli..
Ognuno è un genio. Ma se si giudica un pesce dalla sua abilità di arrampicarsi sugli alberi lui passerà tutta la sua vita a credersi stupido.
Avatar utente
Foto Utenteluciano87
174 3 7
Frequentatore
Frequentatore
 
Messaggi: 145
Iscritto il: 28 nov 2013, 20:50
Località: Roma

0
voti

[12] Re: Esercizio n. 8. Avete suggerimenti?

Messaggioda Foto Utenteluciano87 » 4 gen 2014, 15:34

Riprendo l'esercizio correggendo gli errori fatti in precedenza:

t<0


considero \[V_{2}=V_{C}\]

\[V_{2}=e\frac{R_{2}}{R_{1}+R_{2}}= 8V\]

in alternativa con le equazioni:

\[\begin{cases} & i_{1}=i_{C}+i_{2} \\ & V_{2}=V_{C} \\ & e= V_{1}+V_{2} \end{cases}\]

\[y_{oV_{C}}= Ae^{-150t}\]

\[y_{PV_{C}}= Ae^{-150t}+8\]


t=0



Calcolo Req dal punto di vista di C

\[R_{eq}=R_{1}//R_{2}=66.66\Omega\]

\[\tau = C R_{eq}\]

\[V_{C}(0)=8\]

t>0



\[V_{C}= e\frac{R_{2}}{R_{1}+R_{2}}=4V\]

Con le equazioni
\[y_{PV_{C}}= Ae^{-150t}+4\]

da cui ricavo A imponendo \[V_{C}(0-)=V_{C}(0+)\]

\[8=A+4\; \; \; \Rightarrow A=4\]

\[V_{C}(t)= 4e^{-150t}+4\]


In definitiva

{{V}_{C}}(t)=[{{V}_{C}}(0)-{{V}_{C}}(\infty )]{{e}^{-\frac{t}{\tau }}}+{{V}_{C}}(\infty )

\[V_{C}(t)= 4e^{-150t}+4\]

Ci sono altri errori o posso chiudere l'esercizio? Inoltre esistono altri modi per risolvere? grazie :D
Ognuno è un genio. Ma se si giudica un pesce dalla sua abilità di arrampicarsi sugli alberi lui passerà tutta la sua vita a credersi stupido.
Avatar utente
Foto Utenteluciano87
174 3 7
Frequentatore
Frequentatore
 
Messaggi: 145
Iscritto il: 28 nov 2013, 20:50
Località: Roma

1
voti

[13] Re: Esercizio n. 8. Avete suggerimenti?

Messaggioda Foto UtenteIsidoroKZ » 4 gen 2014, 16:54

Si`ci sono ancora errori.

Calcola la tensione sul condensatore per t=0 (magari fai zero meno): il circuito e` a regime, il condensatore e` un circuito aperto.

Poi calcola la tensione sul condensatore per t->oo, anche qui il circuito e` a regime e quindi il condensatore e` aperto. Bastano 2 partitori, niente equazioni differenziali.
Per usare proficuamente un simulatore, bisogna sapere molta più elettronica di lui
Plug it in - it works better!
Il 555 sta all'elettronica come Arduino all'informatica! (entrambi loro malgrado)
Se volete risposte rispondete a tutte le mie domande
Avatar utente
Foto UtenteIsidoroKZ
121,2k 1 3 8
G.Master EY
G.Master EY
 
Messaggi: 21059
Iscritto il: 17 ott 2009, 0:00

0
voti

[14] Re: Esercizio n. 8. Avete suggerimenti?

Messaggioda Foto Utenteluciano87 » 4 gen 2014, 17:17

IsidoroKZ ha scritto:...Calcola la tensione sul condensatore per t=0 (magari fai zero meno): il circuito e` a regime, il condensatore e` un circuito aperto.




luciano87 ha scritto:Calcolo Req dal punto di vista di C

\[R_{eq}=R_{1}//R_{2}=66.66\Omega\]

\[\tau = C R_{eq}\]

fino a qui ci sono, non dovrebbe esser errato..

sulla base degli esercizi svolti fino ad ora Vc(0)= 8 come mai in questo caso non va bene? :-|
Ognuno è un genio. Ma se si giudica un pesce dalla sua abilità di arrampicarsi sugli alberi lui passerà tutta la sua vita a credersi stupido.
Avatar utente
Foto Utenteluciano87
174 3 7
Frequentatore
Frequentatore
 
Messaggi: 145
Iscritto il: 28 nov 2013, 20:50
Località: Roma

0
voti

[15] Re: Esercizio n. 8. Avete suggerimenti?

Messaggioda Foto UtenteIsidoroKZ » 4 gen 2014, 17:35

Probabilmente sono stato oscuro, provo a chiarire le domande.

Qual e` la tensione sul condensatore a t=0-? Nota che ho scritto zero meno, il circuito e` a regime. Voglio come risposta una grandezza fisica, quindi valore numerico e unita` di misura.

Qual e` la tensione sul condensatore a t->oo? Voglio come risposta una grandezza fisica, quindi valore numerico e unita` di misura
Per usare proficuamente un simulatore, bisogna sapere molta più elettronica di lui
Plug it in - it works better!
Il 555 sta all'elettronica come Arduino all'informatica! (entrambi loro malgrado)
Se volete risposte rispondete a tutte le mie domande
Avatar utente
Foto UtenteIsidoroKZ
121,2k 1 3 8
G.Master EY
G.Master EY
 
Messaggi: 21059
Iscritto il: 17 ott 2009, 0:00

0
voti

[16] Re: Esercizio n. 8. Avete suggerimenti?

Messaggioda Foto Utenteluciano87 » 4 gen 2014, 17:55

Sono stato ripreso nel primo tentativo, quindi il valore giusto per t<0 e' pari a

\[V_C=8V\]

poi (in base ai valori scritti prima) risulta ancora

\[V_C(0)=8V\]

per t>0 siccome mi hai sottolineato l'errore ci sto pensando in relazione a quanto scritto prima... :-k
Ognuno è un genio. Ma se si giudica un pesce dalla sua abilità di arrampicarsi sugli alberi lui passerà tutta la sua vita a credersi stupido.
Avatar utente
Foto Utenteluciano87
174 3 7
Frequentatore
Frequentatore
 
Messaggi: 145
Iscritto il: 28 nov 2013, 20:50
Località: Roma

0
voti

[17] Re: Esercizio n. 8. Avete suggerimenti?

Messaggioda Foto UtenteIsidoroKZ » 4 gen 2014, 18:03

Evidentemente non riesco a spiegarmi. Tensione sul condensatore a t=0- e tensione sul condensatore per t che tende a infinito. La tensione per t=0 non mi interessa.
Per usare proficuamente un simulatore, bisogna sapere molta più elettronica di lui
Plug it in - it works better!
Il 555 sta all'elettronica come Arduino all'informatica! (entrambi loro malgrado)
Se volete risposte rispondete a tutte le mie domande
Avatar utente
Foto UtenteIsidoroKZ
121,2k 1 3 8
G.Master EY
G.Master EY
 
Messaggi: 21059
Iscritto il: 17 ott 2009, 0:00

0
voti

[18] Re: Esercizio n. 8. Avete suggerimenti?

Messaggioda Foto Utenteluciano87 » 4 gen 2014, 18:12

La tensione su Vc è uguale a V2
quindi Vc(0-)=8V
a Vc(0+)=4V

questo punto non l'ho realizzato:
IdidoroKZ ha scritto:Poi calcola la tensione sul condensatore per t->oo, anche qui il circuito e` a regime e quindi il condensatore e` aperto. Bastano 2 partitori, niente equazioni differenziali.


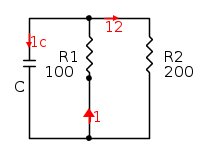
Questo è il circuito che ho
Immagine

Se considero il condensatore aperto, come realizzo 2 partitori avendo solo R1 ed R2?
Credevo ne bastasse uno solo...
Ognuno è un genio. Ma se si giudica un pesce dalla sua abilità di arrampicarsi sugli alberi lui passerà tutta la sua vita a credersi stupido.
Avatar utente
Foto Utenteluciano87
174 3 7
Frequentatore
Frequentatore
 
Messaggi: 145
Iscritto il: 28 nov 2013, 20:50
Località: Roma

0
voti

[19] Re: Esercizio n. 8. Avete suggerimenti?

Messaggioda Foto UtenteIsidoroKZ » 4 gen 2014, 18:14

Ok, vista la mia manifesta incapacita` di chiedere le cose, ci rinuncio.
Per usare proficuamente un simulatore, bisogna sapere molta più elettronica di lui
Plug it in - it works better!
Il 555 sta all'elettronica come Arduino all'informatica! (entrambi loro malgrado)
Se volete risposte rispondete a tutte le mie domande
Avatar utente
Foto UtenteIsidoroKZ
121,2k 1 3 8
G.Master EY
G.Master EY
 
Messaggi: 21059
Iscritto il: 17 ott 2009, 0:00

0
voti

[20] Re: Esercizio n. 8. Avete suggerimenti?

Messaggioda Foto Utenteluciano87 » 4 gen 2014, 18:17

Scusa Foto UtenteIsidoroKZma proprio non riesco a seguire, sono in panne!
Gentilmente, mi potresti fare la correzione con i passaggi esatti così ci rifletto su...grazie [-o<
Ognuno è un genio. Ma se si giudica un pesce dalla sua abilità di arrampicarsi sugli alberi lui passerà tutta la sua vita a credersi stupido.
Avatar utente
Foto Utenteluciano87
174 3 7
Frequentatore
Frequentatore
 
Messaggi: 145
Iscritto il: 28 nov 2013, 20:50
Località: Roma

PrecedenteProssimo

Torna a Elettrotecnica generale

Chi c’è in linea

Visitano il forum: Nessuno e 115 ospiti