Cos'è ElectroYou | Login Iscriviti

ElectroYou - la comunità dei professionisti del mondo elettrico

Trasformatore e circuito dinamico

Circuiti, campi elettromagnetici e teoria delle linee di trasmissione e distribuzione dell’energia elettrica

Moderatori: Foto Utenteg.schgor, Foto UtenteIsidoroKZ

0
voti

[1] Trasformatore e circuito dinamico

Messaggioda Foto UtenteMdp11 » 6 gen 2014, 12:47

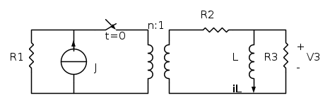
Ciao a tutti, sono alle prese con circuiti dinamici e trasformatori, ed ho le idee un po' confuse.
Questo è il circuito che sto esaminando:


J=2 A, R1=100 ohm, R2=R3= 20 ohm, L=100 mH, n=4.

E devo calcolare l'andamento della corrente dell'induttore iL e quello della tensione V3 del resistore R3.

I miei dubbi, in particolare, sono 2:
1)Posso procedere portando tutto al primario e risolvendo il circuito lì? Altrimenti come devo procedere?
2)L'interruttore ha effetto sul resistore R2, giusto?

Grazie in anticipo per ogni eventuale aiuto :-)
Avatar utente
Foto UtenteMdp11
1 3
 
Messaggi: 19
Iscritto il: 11 nov 2013, 14:47

0
voti

[2] Re: Trasformatore e circuito dinamico

Messaggioda Foto UtenteCandy » 6 gen 2014, 14:01

Premesso che non sono un buon riferimento per la risoluzione di questi circuiti, mi sorge un dubbio sul trasformatore: i dati utili sono tutti quelli riportati nello schema? Non ce ne sono altri? Ossia, è di fatto un trasformatore IDEALE?
Avatar utente
Foto UtenteCandy
32,5k 7 10 13
CRU - Account cancellato su Richiesta utente
 
Messaggi: 10123
Iscritto il: 14 giu 2010, 22:54

0
voti

[3] Re: Trasformatore e circuito dinamico

Messaggioda Foto UtenteMdp11 » 6 gen 2014, 17:49

Ho aggiunto i dati (ringrazio il moderatore/admin per aver eliminato i post inutili ed aver aggiunto i dati al primo post), e confermo che è un trasformatore ideale.
Avatar utente
Foto UtenteMdp11
1 3
 
Messaggi: 19
Iscritto il: 11 nov 2013, 14:47

0
voti

[4] Re: Trasformatore e circuito dinamico

Messaggioda Foto UtentePietroBaima » 6 gen 2014, 17:54

Se il trasformatore ideale non ci fosse, sapresti come procedere?
Generatore codice per articoli:
nomi
Sul forum:
[pigreco]=π
[ohm]=Ω
[quadrato]=²
[cubo]=³
Avatar utente
Foto UtentePietroBaima
90,7k 7 12 13
G.Master EY
G.Master EY
 
Messaggi: 12207
Iscritto il: 12 ago 2012, 1:20
Località: Londra

0
voti

[5] Re: Trasformatore e circuito dinamico

Messaggioda Foto UtenteMdp11 » 6 gen 2014, 17:58

È proprio quello che chiedevo nel punto 1 :P Portando tutto al primario, poi posso procedere come un qualunque circuito dinamico, giusto?
O poi una volta calcolata iL devo riportarla al secondario per avere il risultato effettivo?
Avatar utente
Foto UtenteMdp11
1 3
 
Messaggi: 19
Iscritto il: 11 nov 2013, 14:47

0
voti

[6] Re: Trasformatore e circuito dinamico

Messaggioda Foto UtentePietroBaima » 6 gen 2014, 18:04

Se porti il circuito al primario e lo fai correttamente cambierà il valore dell'induttore. La corrente non cambierà perché i due circuiti, per essere uguali dovranno avere le stesse equazioni di Kirchhoff.
Generatore codice per articoli:
nomi
Sul forum:
[pigreco]=π
[ohm]=Ω
[quadrato]=²
[cubo]=³
Avatar utente
Foto UtentePietroBaima
90,7k 7 12 13
G.Master EY
G.Master EY
 
Messaggi: 12207
Iscritto il: 12 ago 2012, 1:20
Località: Londra

0
voti

[7] Re: Trasformatore e circuito dinamico

Messaggioda Foto UtenteMdp11 » 6 gen 2014, 18:16

Ok, quindi porto tutto al primario (modificando opportunamente i valori) e poi risolvo l'esercizio come un qualunque circuito dinamico di tipo RL. Grazie mille :ok:
Avatar utente
Foto UtenteMdp11
1 3
 
Messaggi: 19
Iscritto il: 11 nov 2013, 14:47

0
voti

[8] Re: Trasformatore e circuito dinamico

Messaggioda Foto UtentePietroBaima » 6 gen 2014, 18:19

nessuno ti vieta di risolverlo togliendo il trasformatore, come vuoi fare, e risolverlo senza togliere il trasformatore, in modo da verificare il tuo risultato ;-)
Generatore codice per articoli:
nomi
Sul forum:
[pigreco]=π
[ohm]=Ω
[quadrato]=²
[cubo]=³
Avatar utente
Foto UtentePietroBaima
90,7k 7 12 13
G.Master EY
G.Master EY
 
Messaggi: 12207
Iscritto il: 12 ago 2012, 1:20
Località: Londra


Torna a Elettrotecnica generale

Chi c’è in linea

Visitano il forum: Nessuno e 84 ospiti