Avendo superato i circuiti del primo ordine, ora è il momento dei circuiti del secondo ordine. Devo dire che il mio libro tratta questo argomento abbastanza malino e non ci ho capito moltissimo. Quindi se qualcuno può sommariamente spiegarmeli mi farebbe un piacere, anche tramite questo esercizio magari.
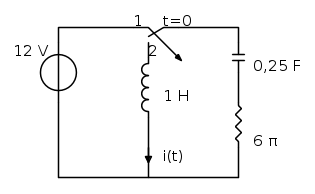
L'interruttore rimane per molto tempo in posizione 1, quindi passa nella posizione 2 in t=0. Ricavare la corrente i(t) per t>0.
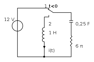
Dunque, premettendo che in t<0 il circuito diventa così
Come procedo? Cosa devo trovare prima? Queste cose il mio libro le spiega malissimo :|
Circuito del secondo ordine
Moderatori:
g.schgor,
IsidoroKZ
5 messaggi
• Pagina 1 di 1
0
voti
0
voti
L'interruttore è mal rappresentato.
Credo sia da interpretare così:
(commuta su 2 al tempo t=0)
Confermi?
Credo sia da interpretare così:
(commuta su 2 al tempo t=0)
Confermi?
0
voti
Si infatti, è che non sono capace di fare gli interruttori su fido.
Comunque alla fine con le mie manine e un po' di intuizione cercando di tradurre il libro sono riuscito a risolvere l'esercizio, posto la soluzione?
Comunque alla fine con le mie manine e un po' di intuizione cercando di tradurre il libro sono riuscito a risolvere l'esercizio, posto la soluzione?
0
voti
Samatarou ha scritto:Si infatti, è che non sono capace di fare gli interruttori su fido.
Comunque alla fine con le mie manine e un po' di intuizione cercando di tradurre il libro sono riuscito a risolvere l'esercizio, posto la soluzione?
siiiiiii
-

MischaViolett
15 1 6 - New entry

- Messaggi: 61
- Iscritto il: 7 set 2013, 13:13
0
voti
Ahah va bene, eccovi la soluzione:
Da questo circuito per t<0 si deduce che
mentre
, impostate queste condizioni iniziali si prosegue per t=
in questo caso l'interruttore è commutato nella posizione 2 e il circuito è semplicemente composto da questi elementi in serie



Sostituendo i valori abbiamo
dove L=1 H
Trovata anche questa condizione iniziale, non ci resta che studiare il circuito per t>0
Dalla semplice equazione della singola maglia si ottiene

Da cui otteniamo sostituendo C e L e moltiplicando per D(che è l'operatore derivata) tale eq. differenziale:

Non so se è necessario svolgere tutta l'equazione differenziale, ma alla fine il risultato è

Da questo circuito per t<0 si deduce che
mentre
, impostate queste condizioni iniziali si prosegue per t=
in questo caso l'interruttore è commutato nella posizione 2 e il circuito è semplicemente composto da questi elementi in serie



Sostituendo i valori abbiamo

dove L=1 HTrovata anche questa condizione iniziale, non ci resta che studiare il circuito per t>0
Dalla semplice equazione della singola maglia si ottiene

Da cui otteniamo sostituendo C e L e moltiplicando per D(che è l'operatore derivata) tale eq. differenziale:

Non so se è necessario svolgere tutta l'equazione differenziale, ma alla fine il risultato è

5 messaggi
• Pagina 1 di 1
Torna a Elettrotecnica generale
Chi c’è in linea
Visitano il forum: Nessuno e 59 ospiti

Elettrotecnica e non solo (admin)
Un gatto tra gli elettroni (IsidoroKZ)
Esperienza e simulazioni (g.schgor)
Moleskine di un idraulico (RenzoDF)
Il Blog di ElectroYou (webmaster)
Idee microcontrollate (TardoFreak)
PICcoli grandi PICMicro (Paolino)
Il blog elettrico di carloc (carloc)
DirtEYblooog (dirtydeeds)
Di tutto... un po' (jordan20)
AK47 (lillo)
Esperienze elettroniche (marco438)
Telecomunicazioni musicali (clavicordo)
Automazione ed Elettronica (gustavo)
Direttive per la sicurezza (ErnestoCappelletti)
EYnfo dall'Alaska (mir)
Apriamo il quadro! (attilio)
H7-25 (asdf)
Passione Elettrica (massimob)
Elettroni a spasso (guidob)
Bloguerra (guerra)







