Cos'è ElectroYou | Login Iscriviti

ElectroYou - la comunità dei professionisti del mondo elettrico

Aiuto semplificazione circuitale

Circuiti, campi elettromagnetici e teoria delle linee di trasmissione e distribuzione dell’energia elettrica

Moderatori: Foto Utenteg.schgor, Foto UtenteIsidoroKZ

0
voti

[1] Aiuto semplificazione circuitale

Messaggioda Foto UtenteTidus » 8 gen 2014, 13:18

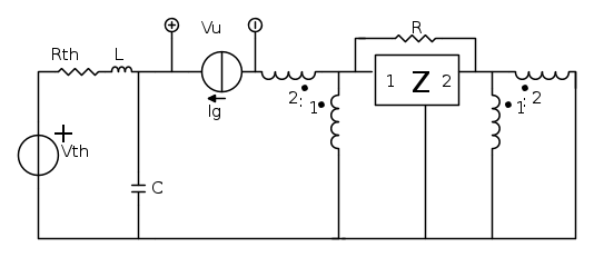
Buongiorno e buon anno a tutti. Mi sono intoppato in questo punto dell'esercizio. Iniziando da un circuito leggermente più complesso, mi viene chiesto di caratterizzare una parte di questo mediante Thevenin e fin qui tutto ok. Dopodiché mi viene chiesto di calcolare le funzioni di rete Vu/Vg1 (Vth è funzione di Vg1) e Vu/Ig (entrambe nel dominio di Laplace) e valutarne la stabilità. Questo è il disegno di circuito che ottengo dopo l'applicazione di Thevenin:



Dove la matrice Z presenta gli elementi z1,1=z2,2 e z1,2=z2,1

Per calcolare la prima funzione di rete, disattivo il generatore Ig e, correggetemi se sbaglio, l'esercizio si riduce ad un semplice partitore di tensione: Vu è la tensione su C e quindi basta applicare la formuletta del partitore, dopo aver trasformato L in Ls e C in 1/Cs.
Adesso si tratta di passare alla seconda funzione di rete ed è qui che mi sono bloccato!
Innanzitutto, vedo che la parte di circuito a destra del generatore di corrente Ig ha una certa simmetria, quindi potrei utilizzare il teorema di Norton per semplificare il tutto, ma, allo stesso tempo, vedo che il trasformatore all'estrema destra del circuito ha un comportamento anomalo, in quanto i due induttori sono in parallelo, ma, sfruttando le relazioni costitutive del trasformatore, ottengo che le due tensioni ai capi degli stessi sono nulli e quindi potrei utilizzare questo risultato per arrivare a qualche altro tipo di conclusione.
Oppure, non potrei utilizzare il teorema di sostituzione, andando a sostituire tutto il bipolo alla destra del generatore Ig, con un generatore di tensione pari proprio alla tensione che sussiste sul primo trasformatore (quello a sinistra)?

Scusate, mi rendo conto che probabilmente sto facendo una gran confusione, ma non riesco proprio a venirne a capo!
Grazie mille per l'attenzione, spero riusciate a darmi una mano! A presto! :D
Avatar utente
Foto UtenteTidus
18 3
 
Messaggi: 18
Iscritto il: 18 lug 2011, 13:29

0
voti

[2] Re: Aiuto semplificazione circuitale

Messaggioda Foto UtenteTidus » 8 gen 2014, 18:47

Allora, riordinando un po' le idee mi sono buttato nell'utilizzo del teorema di Norton, alla destra del generatore Ig, andando quindi al calcolo della corrente di corto circuito e della conduttanza di Norton (Ino e Gno).
Quindi, ottengo questo schema circuitale al quale posso applicare il metodo dei nodi per il calcolo di Ino, sfruttando appunto i due nodi A e B (ho evidenziato in celeste le tensioni ai nodi, Va e Vb) :


Per facilitarmi i conti, trasformo facilmente la matrice Z in quella Y e posso scrivere quindi che:

\begin{pmatrix}    R & -R  \\  -R & R  \end{pmatrix} \begin{pmatrix} Va  \\ Vb \end{pmatrix} = \begin{pmatrix} -It2' -It1' -Iy1  \\ -It2'' -It1'' -Iy2 \end{pmatrix}

Dove Iy1 e Iy2 sono, rispettivamente, le correnti entranti nella porta 1 e 2 del tripolo caratterizzato dalla matrice Y.
Come avevo detto in precedenza, si vede che le tensioni dei due trasformatori sono tutte nulle (ho utilizzando Kirchhoff alle maglie e poi le relazioni costitutive delle tensioni del trasformatore), quindi anche le tensioni Va e Vb lo sono! Non solo: anche le due tensioni Vy1 e Vy2 sono nulle, poiché in parallelo con un cortocircuito e quindi saranno nulle anche le correnti Iy1 e Iy2 !! In pratica, la mia matrice si riconduce (utilizzando le relazioni costitutive delle correnti del trasformatore):

\begin{pmatrix}    R & -R  \\  -R & R  \end{pmatrix} \begin{pmatrix} 0  \\ 0 \end{pmatrix} = \begin{pmatrix} It2'   \\ It2'' \end{pmatrix}

Dalla cui soluzione (banale) si ottiene che quindi anche le correnti del trasformatore sono nulle e quindi ottengo che anche Ino = 0 (poiché risulta, dal grafico: Ino = -It2' ).

Sto andando bene? Oppure ho fatto qualche clamoroso errore? A me puzza troppo il fatto che sia praticamente tutto nullo!! :?
Avatar utente
Foto UtenteTidus
18 3
 
Messaggi: 18
Iscritto il: 18 lug 2011, 13:29

0
voti

[3] Re: Aiuto semplificazione circuitale

Messaggioda Foto UtenteTidus » 8 gen 2014, 20:04

Ah, scusate, ovviamente ho sbagliato a mettere all'interno delle matrici le resistenze R: in realtà intendevo l'inverso G, ma tanto non cambia nulla ai fini del risultato! :D
Avatar utente
Foto UtenteTidus
18 3
 
Messaggi: 18
Iscritto il: 18 lug 2011, 13:29


Torna a Elettrotecnica generale

Chi c’è in linea

Visitano il forum: Nessuno e 107 ospiti