Facendo diversi esercizi noto di aver alcune difficoltà sul come impostare gli esercizi su circuiti che presentano generatori pilotati.
Qualcuno può darmi dei consigli generici e,in particolare,su questo esercizio?
Grazie.
Esercizio con generatore pilotato
Moderatori:
g.schgor,
IsidoroKZ
9 messaggi
• Pagina 1 di 1
0
voti
Io avevo sempre un blocco iniziale quando vedevo dei generatori pilotati e quindi, per iniziare svolgevo tutti gli esercizi con il metodo del potenziale ai nodi.
Hai provato anche tu?
Hai provato anche tu?
0
voti
Si,ho posto
ottenendo 
Non riesco poi a scrivere le equazioni ai nodi B e D,quelli ai capi del generatore pilotato,proprio per la presenza di quest'ultimo..
ottenendo 
Non riesco poi a scrivere le equazioni ai nodi B e D,quelli ai capi del generatore pilotato,proprio per la presenza di quest'ultimo..
-

Hammer1993
0 3 - Messaggi: 12
- Iscritto il: 5 gen 2014, 13:47
0
voti
Ho provato scrivendo una sola LKC al supernodo B-D ai capi del generatore pilotato,ma continuo a non raggiungere il risultato...

Assunto
E,considerato B-D come supernodo
,scrivo

e sostituisco i valori delle correnti,di cui sopra.
Cosa sbaglio?

Assunto

E,considerato B-D come supernodo
,scrivo
e sostituisco i valori delle correnti,di cui sopra.
Cosa sbaglio?
-

Hammer1993
0 3 - Messaggi: 12
- Iscritto il: 5 gen 2014, 13:47
0
voti
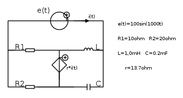
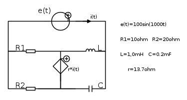
Non riesco a capire bene quali sono i nodi che tu, nei tuoi post, indichi come A, B, C, D.
Se riesco stasera riguardo con calma l'esercizio, ma tieni presente che, nel tuo caso hai due generatori di tensione collegati a quattro diversi nodi: questo significa che devi ricorrere ad una analisi modificata. Di metodi per questo caso ce ne sono più di uno.
Se riesco stasera riguardo con calma l'esercizio, ma tieni presente che, nel tuo caso hai due generatori di tensione collegati a quattro diversi nodi: questo significa che devi ricorrere ad una analisi modificata. Di metodi per questo caso ce ne sono più di uno.
0
voti
Il procedimento mi sembra di averlo capito,
il problema è che il mio risultato è
mentre la soluzione del testo è
Da non credere...

(Nodo A - sinistra, Nodo B - centrale, Nodo C - destra, Nodo D - centrale in basso)
il problema è che il mio risultato è

mentre la soluzione del testo è

Da non credere...
(Nodo A - sinistra, Nodo B - centrale, Nodo C - destra, Nodo D - centrale in basso)
-

Hammer1993
0 3 - Messaggi: 12
- Iscritto il: 5 gen 2014, 13:47
1
voti
Hammer1993 ha scritto:Il procedimento mi sembra di averlo capito,
il problema è che il mio risultato è
mentre la soluzione del testo è![]()
Se noti, moltiplicando la tua soluzione per -j i due risutati vanno a coincidere, perché?
"Il circuito ha sempre ragione" (Luigi Malesani)
0
voti
Io applico la formula
con 
Essendo
e 
Allora
e,dividendo per jX_L ovvero j, ottengo
Non capisco dove sbaglio
con 
Essendo
e 
Allora

e,dividendo per jX_L ovvero j, ottengo

Non capisco dove sbaglio
-

Hammer1993
0 3 - Messaggi: 12
- Iscritto il: 5 gen 2014, 13:47
9 messaggi
• Pagina 1 di 1
Torna a Elettrotecnica generale
Chi c’è in linea
Visitano il forum: Nessuno e 46 ospiti

Elettrotecnica e non solo (admin)
Un gatto tra gli elettroni (IsidoroKZ)
Esperienza e simulazioni (g.schgor)
Moleskine di un idraulico (RenzoDF)
Il Blog di ElectroYou (webmaster)
Idee microcontrollate (TardoFreak)
PICcoli grandi PICMicro (Paolino)
Il blog elettrico di carloc (carloc)
DirtEYblooog (dirtydeeds)
Di tutto... un po' (jordan20)
AK47 (lillo)
Esperienze elettroniche (marco438)
Telecomunicazioni musicali (clavicordo)
Automazione ed Elettronica (gustavo)
Direttive per la sicurezza (ErnestoCappelletti)
EYnfo dall'Alaska (mir)
Apriamo il quadro! (attilio)
H7-25 (asdf)
Passione Elettrica (massimob)
Elettroni a spasso (guidob)
Bloguerra (guerra)



