Cos'è ElectroYou | Login Iscriviti

ElectroYou - la comunità dei professionisti del mondo elettrico

dinamica RC

Circuiti, campi elettromagnetici e teoria delle linee di trasmissione e distribuzione dell’energia elettrica

Moderatori: Foto Utenteg.schgor, Foto UtenteIsidoroKZ

0
voti

[1] dinamica RC

Messaggioda Foto UtenteMischaViolett » 13 gen 2014, 19:51

Ragazzi non mi trovo con un risultato e volevo chiedervi un aiuto!
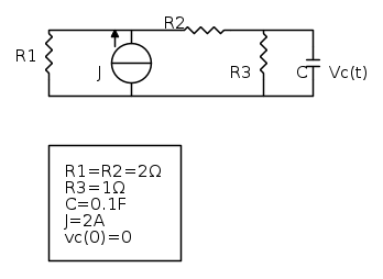
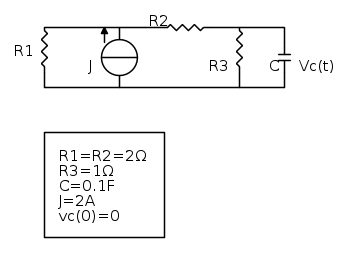
ho questo circuito

Dopo aver disconnesso la capacità C, per trovare l'equivalente di Thevenin, calcolo la resistenza equivalente (una volta spenti i generatori):

\[R_{Th}= \frac{R_{3}\left ( R_{1}+R_2 \right )}{R_{3}+\left ( R_{1}+R_{2} \right )}=\frac{4}{5}\Omega

Per la tensione a vuoto E0 applico il partitore di tensione alla serie R2 R3, dopo aver calcolato la tensione del generatore J come prodotto della corrente per la resistenza complessiva vista dal generatore

\[E_{0}= J \frac{R_{1}\left ( R_{2}+R_{3} \right )}{R_{1}+R_{2}+R_{3}} \ \frac{R_{3}}{R_{3}+R_{2}}=\frac{4}{5}V\]

Una volta determinato l'equivalente di Thévenin, definisco l'integrale generale della soluzione per l'incognita considerata. La soluzione dell'omogenea associata è:

\[v_{c_{0}}=A e^{- \frac{t}{R_{Th}C}}= A e^{-12.5t}\]

fin qui mi trovo con il mio prof. non mi trovo nel momento in cui dice che l'integrale particolare µe dato da \[v_{c_{p}}= E_{0}= \frac{12}{15}\].

Mi dite il perché?
Avatar utente
Foto UtenteMischaViolett
15 1 6
New entry
New entry
 
Messaggi: 61
Iscritto il: 7 set 2013, 13:13

0
voti

[2] Re: dinamica RC

Messaggioda Foto UtenteIsidoroKZ » 13 gen 2014, 20:52

Non e` che forse devi semplificare 12/15 V ? A quel punto quando sommi le due soluzioni ottieni l'esponenziale crescente da 0 al valore asintotico.
Per usare proficuamente un simulatore, bisogna sapere molta più elettronica di lui
Plug it in - it works better!
Il 555 sta all'elettronica come Arduino all'informatica! (entrambi loro malgrado)
Se volete risposte rispondete a tutte le mie domande
Avatar utente
Foto UtenteIsidoroKZ
121,2k 1 3 8
G.Master EY
G.Master EY
 
Messaggi: 21059
Iscritto il: 17 ott 2009, 0:00

0
voti

[3] Re: dinamica RC

Messaggioda Foto UtenteMischaViolett » 13 gen 2014, 21:03

la soluzione dell'esercizio data dal libro é \[v_{c}\left ( t \right )= -\frac{12}{15} e^{-12.5t}+\frac{12}{15}\]

noi mi è chiara la provenienza di \[\frac{12}{15}\]
Avatar utente
Foto UtenteMischaViolett
15 1 6
New entry
New entry
 
Messaggi: 61
Iscritto il: 7 set 2013, 13:13

1
voti

[4] Re: dinamica RC

Messaggioda Foto UtenteDirtyDeeds » 13 gen 2014, 21:10

MischaViolett ha scritto:noi mi è chiara la provenienza di


L'integrale particolare è una qualunque soluzione dell'equazione differenziale per v_C. La funzione v_C= E_{0} è una soluzione di quell'equazione perché per quel valore di v_C la corrente nel condensatore è nulla e \mathrm{d}v_C/\mathrm{d} t = 0.
It's a sin to write sin instead of \sin (Anonimo).
...'cos you know that cos ain't \cos, right?
You won't get a sexy tan if you write tan in lieu of \tan.
Take a log for a fireplace, but don't take log for \logarithm.
Avatar utente
Foto UtenteDirtyDeeds
55,9k 7 11 13
G.Master EY
G.Master EY
 
Messaggi: 7012
Iscritto il: 13 apr 2010, 16:13
Località: Somewhere in nowhere

0
voti

[5] Re: dinamica RC

Messaggioda Foto UtenteMischaViolett » 13 gen 2014, 21:26

:-k :-k :-k
Avatar utente
Foto UtenteMischaViolett
15 1 6
New entry
New entry
 
Messaggi: 61
Iscritto il: 7 set 2013, 13:13

1
voti

[6] Re: dinamica RC

Messaggioda Foto UtenteDirtyDeeds » 13 gen 2014, 21:51

Questo è il circuito con l'equivalente di Thévenin:



Sei d'accordo con me che se v_C = E_0, si ha i_C = 0?
It's a sin to write sin instead of \sin (Anonimo).
...'cos you know that cos ain't \cos, right?
You won't get a sexy tan if you write tan in lieu of \tan.
Take a log for a fireplace, but don't take log for \logarithm.
Avatar utente
Foto UtenteDirtyDeeds
55,9k 7 11 13
G.Master EY
G.Master EY
 
Messaggi: 7012
Iscritto il: 13 apr 2010, 16:13
Località: Somewhere in nowhere

0
voti

[7] Re: dinamica RC

Messaggioda Foto UtenteMischaViolett » 13 gen 2014, 22:06

DirtyDeeds ha scritto:Sei d'accordo con me che se v_C = E_0, si ha i_C = 0?


mi trovo con \[v_{c}=E_{0}\], perché invece \[i_{c}=0\]??
Avatar utente
Foto UtenteMischaViolett
15 1 6
New entry
New entry
 
Messaggi: 61
Iscritto il: 7 set 2013, 13:13

1
voti

[8] Re: dinamica RC

Messaggioda Foto UtenteDirtyDeeds » 13 gen 2014, 22:11

MischaViolett ha scritto:mi trovo con v_{C}=E_{0}


Difficile non trovarsi, visto che è un'assunzione ;-)

MischaViolett ha scritto:perché invece i_{c}=0 ??


Assumi v_{C}=E_{0} e scrivi l'equazione all'unica maglia del circuito in [6]: quanto vale i_C :?:

PS: Quando riporti le equazioni in LaTeX non serve riportare anche i caratteri

Codice: Seleziona tutto
\[...\]


che ti riporta l'editor che utilizzi. Scrivi solo ciò che c'è in mezzo.
It's a sin to write sin instead of \sin (Anonimo).
...'cos you know that cos ain't \cos, right?
You won't get a sexy tan if you write tan in lieu of \tan.
Take a log for a fireplace, but don't take log for \logarithm.
Avatar utente
Foto UtenteDirtyDeeds
55,9k 7 11 13
G.Master EY
G.Master EY
 
Messaggi: 7012
Iscritto il: 13 apr 2010, 16:13
Località: Somewhere in nowhere

0
voti

[9] Re: dinamica RC

Messaggioda Foto UtenteMischaViolett » 16 gen 2014, 9:45

DirtyDeeds ha scritto:
Assumi v_{C}=E_{0} e scrivi l'equazione all'unica maglia del circuito in [6]: quanto vale i_C :?:


Foto UtenteDirtyDeeds

applicando la LKT in senso orario a questo circuito e considerando V_{c}=E_{0}



ho: E_{0}-V_{th}-E_{0}=0
Avatar utente
Foto UtenteMischaViolett
15 1 6
New entry
New entry
 
Messaggi: 61
Iscritto il: 7 set 2013, 13:13

1
voti

[10] Re: dinamica RC

Messaggioda Foto UtenteDirtyDeeds » 16 gen 2014, 12:04

Ma V_\text{th} è anche uguale a?
It's a sin to write sin instead of \sin (Anonimo).
...'cos you know that cos ain't \cos, right?
You won't get a sexy tan if you write tan in lieu of \tan.
Take a log for a fireplace, but don't take log for \logarithm.
Avatar utente
Foto UtenteDirtyDeeds
55,9k 7 11 13
G.Master EY
G.Master EY
 
Messaggi: 7012
Iscritto il: 13 apr 2010, 16:13
Località: Somewhere in nowhere

Prossimo

Torna a Elettrotecnica generale

Chi c’è in linea

Visitano il forum: Nessuno e 23 ospiti