1- Manca l'indicazione della polarità delle tensioni considerate negli schemi.
2- Nelle formule, dopo l'espressione letterale, devi inserire i valori numerici
VL = VC?
Moderatori:
g.schgor,
IsidoroKZ
24 messaggi
• Pagina 2 di 3 • 1, 2, 3
0
voti
[12] Re: VL = VC?
come mai non posso più editare il precedente post?
comunque le tensioni sui generatori basta utilizzare la convenzione dell'utilizzatore, e i calcoli numerici si possono fare a mente, e confrontare i risultati.
il fatto è che il libro riporta valori diversi per le correnti.
comunque le tensioni sui generatori basta utilizzare la convenzione dell'utilizzatore, e i calcoli numerici si possono fare a mente, e confrontare i risultati.
il fatto è che il libro riporta valori diversi per le correnti.
-

Fabioamd87
2 4 - New entry

- Messaggi: 52
- Iscritto il: 7 apr 2009, 17:40
2
voti
[13] Re: VL = VC?
1)
Perché dopo un certo tempo gli utenti semplici non possono farlo.
2)
Dove avevi scritto che utilizzavi la convenzione di utilizzatore? La convenzione da utilizzare non è un obbligo universale.
3)
Io non sono capace di fare i conti a mente, quindi dovrai aspettare un altro più bravo.
Perché dopo un certo tempo gli utenti semplici non possono farlo.
2)
Dove avevi scritto che utilizzavi la convenzione di utilizzatore? La convenzione da utilizzare non è un obbligo universale.
3)
Io non sono capace di fare i conti a mente, quindi dovrai aspettare un altro più bravo.
0
voti
[14] Re: VL = VC?
chiedo scusa, mi sto rimbambendo, volevo dire sui generatori uso la convenzione dei generatori.
tutte queste regole mi stanno facendo impazzire.
ora scrivo tutti i calcoli vediamo se insieme riusciamo ad arrivare alla soluzione esatta.
Edit: se non posso modificare quel messaggio come faccio? Come prendo il codice di tutti quegli schemi e quelle formule?
tutte queste regole mi stanno facendo impazzire.
ora scrivo tutti i calcoli vediamo se insieme riusciamo ad arrivare alla soluzione esatta.
Edit: se non posso modificare quel messaggio come faccio? Come prendo il codice di tutti quegli schemi e quelle formule?
-

Fabioamd87
2 4 - New entry

- Messaggi: 52
- Iscritto il: 7 apr 2009, 17:40
1
voti
[15] Re: VL = VC?
Gli scemi: sotto c'è scritto: sorgente Fidocadj.
Le formule: selezioni il testo e fai copia.
Nel successivo post incollerai schemi e formule modificate come hai già fatto.
In alternativa puoi usare il tasto cita, effettui le modifiche ed elimini queste due parentesi quadre:
Le formule: selezioni il testo e fai copia.
Nel successivo post incollerai schemi e formule modificate come hai già fatto.
In alternativa puoi usare il tasto cita, effettui le modifiche ed elimini queste due parentesi quadre:
- Codice: Seleziona tutto
[quote="Fabioamd87"]
[/quote]
"La progettazione, il primo presidio della sicurezza" [Michele Guetta]
-

Fabioamd87
2 4 - New entry

- Messaggi: 52
- Iscritto il: 7 apr 2009, 17:40
0
voti
[19] Re: VL = VC?
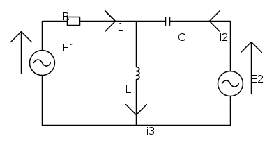
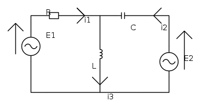
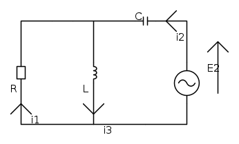
che poi le equazioni di Kirchhoff ai nodi sono verificate... non capisco dove sbaglio... le soluzioni del libro sono:


-

Fabioamd87
2 4 - New entry

- Messaggi: 52
- Iscritto il: 7 apr 2009, 17:40
24 messaggi
• Pagina 2 di 3 • 1, 2, 3
Torna a Elettrotecnica generale
Chi c’è in linea
Visitano il forum: Google Adsense [Bot] e 17 ospiti

Elettrotecnica e non solo (admin)
Un gatto tra gli elettroni (IsidoroKZ)
Esperienza e simulazioni (g.schgor)
Moleskine di un idraulico (RenzoDF)
Il Blog di ElectroYou (webmaster)
Idee microcontrollate (TardoFreak)
PICcoli grandi PICMicro (Paolino)
Il blog elettrico di carloc (carloc)
DirtEYblooog (dirtydeeds)
Di tutto... un po' (jordan20)
AK47 (lillo)
Esperienze elettroniche (marco438)
Telecomunicazioni musicali (clavicordo)
Automazione ed Elettronica (gustavo)
Direttive per la sicurezza (ErnestoCappelletti)
EYnfo dall'Alaska (mir)
Apriamo il quadro! (attilio)
H7-25 (asdf)
Passione Elettrica (massimob)
Elettroni a spasso (guidob)
Bloguerra (guerra)










ed
sono in quadratura, non in fase come nei tuoi calcoli