Salve,vorrei sapere se c'è qualcuno che può darmi riferimenti e/o spegazioni sull'uso dei condensatori di disaccoppiamento sulle linee di alimentazione sia nei circuiti digitali che analogici.In particolare vorrei conoscere un po' di teoria che sta dietro a questo argomento.perché si usa tale/i condensatori sulle linee di alimentazione?analiticamente come si può analizzare l'effetto di tale condensatore sui disturbi?come si dimensionano?
Grazie a tutti quanti
Ciao
Condensatore di disaccoppiamento
Moderatori:
carloc,
g.schgor,
BrunoValente,
IsidoroKZ
7 messaggi
• Pagina 1 di 1
9
voti
Rispondo per quel che riguarda i circuiti digitali.
Un moderno circuito CMOS ha due tipi di consumo di corrente: statico e dinamico.
Il consumo statico è dato da fenomeni come il leakage e non ci interessa quando parliamo di condensatori di disaccoppiamento.
Il consumo dinamico è dato da due componenti: carico capacitivo e shoot-through.
Il carico sono le capacità dovute ai gate che vengono pilotati dall'uscita del circuito che stiamo considerando.
Il shoot-through è quel fenomeno per cui per un brevissimo intervallo di tempo sia i transistor di tipo N che quelli di tipo P conducono. Si ha allora un collegamento tra Vdd e Vss e quindi un picco di corrente.
I chip sono saldati alle piste di un PCB. L'impedenza di queste piste non è nulla ed ad essa si somma l'impedenza del chip stesso (bonding, padframe).
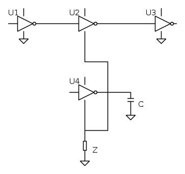
Prendiamo un esempio concreto:
C è il carico pilotato da U4.
Z è l'impedenza parassita. Se supponiamo che U2 e U4 sono vicini (o addirittura nello stesso package!), la possiamo considerare comune ai due.
SItuazione iniziale: U4 ha uno 0 in entrata.
L'entrata di U4 commuta a 1, così che l'uscita viene portata a 0.
C si scarica rapidamente attraverso U4 e attraverso Z.
Su Z appare una caduta di tensione, che viene vista anche da U2.
Il threshold di ingresso di U2 si sposta di conseguenza e, se siamo sfortunati raggiunge il livello logico generato da U1. A questo punto abbiamo un glitch in uscita a U2, che tramite U3 si propaga alla logica a valle.
Oggi non è venerdì 13 e quindi non siamo sfortunati. C'è però un altro fenomeno che può portare U3 a vedere il falso valore in entrata. La caduta di tensione su Z alza il potenziale di riferimento di U4 e di conseguenza anche il suo Vol. Se la caduta di tensione è maggiore o uguale al noise margin dei gate, la probabilità di avere glitch è alta.
Come vedi, l'impedenza sulle linee di alimentazione la vogliamo evitare come la peste.
Per inciso il fenomeno si verifica esattamente allo stesso modo sulla linea di alimentazione positiva. Il termine generico per descrivere il problema è "ground bounce".
Per evitarlo ci sono diverse tecniche. La piú comune è proprio il condensatore di disaccoppiamento. E il motivo per cui va messo vicino al chip è proprio la riduzione dell'impedenza parassita.
Un'analisi non è facile perché vanno considerati vari valori di difficile stima. Piú tardi vedo se trovo qualcosa...
DImensionamento: attieniti al datasheet del componente
Facezie a parte (che poi non sono facezie, è il modo migliore di ottenere il risultato voluto!), i condensatori non sono capacità. Sono un compicato insieme di capacità, ESR e ESL. Hanno quindi una frequenza di risonanza, oltre alla quale si comportano piú come induttori che come capacità!
La formula magica sta nel combinare condensatori di vario tipo e capacità, in modo da coprire tutto lo spettro di interesse. Si parte con i grossi elettrolitici dell'alimentazione, si passa alla manciata di microfarad sulla scheda, scendeno poi ai classici 100 nF nei pressi del chip per arrivare alle capacità integrate nel package e ai fill-cap sul die.
A questo proposito segnalo i condensatori X2Y, fatti apposta per questo e aventi una ESL particolarmente bassa. Da qualche parte sul sito della Johanson Dielectrics c'è un'application note.
Un altro stratagemma è aumentare ad hoc la ESR per diminuire il fattore di merito. È una lama a doppio taglio, anche la ESR genera ground bounce!
Per finire, un ottimo tool per fare un po' di simulazioni è questo:
http://www.altera.com/technology/signal ... l-pdn.html
Saluti Boiler
Un moderno circuito CMOS ha due tipi di consumo di corrente: statico e dinamico.
Il consumo statico è dato da fenomeni come il leakage e non ci interessa quando parliamo di condensatori di disaccoppiamento.
Il consumo dinamico è dato da due componenti: carico capacitivo e shoot-through.
Il carico sono le capacità dovute ai gate che vengono pilotati dall'uscita del circuito che stiamo considerando.
Il shoot-through è quel fenomeno per cui per un brevissimo intervallo di tempo sia i transistor di tipo N che quelli di tipo P conducono. Si ha allora un collegamento tra Vdd e Vss e quindi un picco di corrente.
I chip sono saldati alle piste di un PCB. L'impedenza di queste piste non è nulla ed ad essa si somma l'impedenza del chip stesso (bonding, padframe).
Prendiamo un esempio concreto:
C è il carico pilotato da U4.
Z è l'impedenza parassita. Se supponiamo che U2 e U4 sono vicini (o addirittura nello stesso package!), la possiamo considerare comune ai due.
SItuazione iniziale: U4 ha uno 0 in entrata.
L'entrata di U4 commuta a 1, così che l'uscita viene portata a 0.
C si scarica rapidamente attraverso U4 e attraverso Z.
Su Z appare una caduta di tensione, che viene vista anche da U2.
Il threshold di ingresso di U2 si sposta di conseguenza e, se siamo sfortunati raggiunge il livello logico generato da U1. A questo punto abbiamo un glitch in uscita a U2, che tramite U3 si propaga alla logica a valle.
Oggi non è venerdì 13 e quindi non siamo sfortunati. C'è però un altro fenomeno che può portare U3 a vedere il falso valore in entrata. La caduta di tensione su Z alza il potenziale di riferimento di U4 e di conseguenza anche il suo Vol. Se la caduta di tensione è maggiore o uguale al noise margin dei gate, la probabilità di avere glitch è alta.
Come vedi, l'impedenza sulle linee di alimentazione la vogliamo evitare come la peste.
Per inciso il fenomeno si verifica esattamente allo stesso modo sulla linea di alimentazione positiva. Il termine generico per descrivere il problema è "ground bounce".
Per evitarlo ci sono diverse tecniche. La piú comune è proprio il condensatore di disaccoppiamento. E il motivo per cui va messo vicino al chip è proprio la riduzione dell'impedenza parassita.
Un'analisi non è facile perché vanno considerati vari valori di difficile stima. Piú tardi vedo se trovo qualcosa...
DImensionamento: attieniti al datasheet del componente
Facezie a parte (che poi non sono facezie, è il modo migliore di ottenere il risultato voluto!), i condensatori non sono capacità. Sono un compicato insieme di capacità, ESR e ESL. Hanno quindi una frequenza di risonanza, oltre alla quale si comportano piú come induttori che come capacità!
La formula magica sta nel combinare condensatori di vario tipo e capacità, in modo da coprire tutto lo spettro di interesse. Si parte con i grossi elettrolitici dell'alimentazione, si passa alla manciata di microfarad sulla scheda, scendeno poi ai classici 100 nF nei pressi del chip per arrivare alle capacità integrate nel package e ai fill-cap sul die.
A questo proposito segnalo i condensatori X2Y, fatti apposta per questo e aventi una ESL particolarmente bassa. Da qualche parte sul sito della Johanson Dielectrics c'è un'application note.
Un altro stratagemma è aumentare ad hoc la ESR per diminuire il fattore di merito. È una lama a doppio taglio, anche la ESR genera ground bounce!
Per finire, un ottimo tool per fare un po' di simulazioni è questo:
http://www.altera.com/technology/signal ... l-pdn.html
Saluti Boiler
0
voti
C'è qualche testo in Italiano o in Inglese dove trovo maggiori dettagli ed una descrizione analitica sia per l'analogico che per il digitale?
Grazie ciao
Grazie ciao
-

elettronepazzo
5 1 5 - Messaggi: 41
- Iscritto il: 26 set 2013, 16:28
2
voti
Quello che hai chiesto tecnicamente si chiama un vero casino 
C'e` qualche application note di analog devices e linear technology, piu` altre.
Per i libri proverei a guardare High Speed Digital Electronics di Johnson. Per l'analogico c'e` un capitolo di Photodiode Amplifiers di Graeme. Anche sui libri di compatibilita` come il Paul hanno alcuni accenni al problema.
Forse i piu` mirati sono quelli di Signal Integrity, ma non ne conosco direttamente.
C'e` qualche application note di analog devices e linear technology, piu` altre.
Per i libri proverei a guardare High Speed Digital Electronics di Johnson. Per l'analogico c'e` un capitolo di Photodiode Amplifiers di Graeme. Anche sui libri di compatibilita` come il Paul hanno alcuni accenni al problema.
Forse i piu` mirati sono quelli di Signal Integrity, ma non ne conosco direttamente.
Per usare proficuamente un simulatore, bisogna sapere molta più elettronica di lui
Plug it in - it works better!
Il 555 sta all'elettronica come Arduino all'informatica! (entrambi loro malgrado)
Se volete risposte rispondete a tutte le mie domande
Plug it in - it works better!
Il 555 sta all'elettronica come Arduino all'informatica! (entrambi loro malgrado)
Se volete risposte rispondete a tutte le mie domande
0
voti
elettronepazzo ha scritto:C'è qualche testo in Italiano o in Inglese dove trovo maggiori dettagli ed una descrizione analitica sia per l'analogico che per il digitale?
Grazie ciao
Per il digitale ho trovato questo:
http://ieeexplore.ieee.org/xpl/login.js ... r%3D774752
Il modello considera l'effetto mitigante del ground lift che diminuisce il Vgs e quindi limita la corrente.
Una lettura interessante
Boiler
2
voti
Il Gerald Graeme propone un metodo di dimensionamento per i condensatori di disaccoppiamento per amplificatori operazionali.
Sto girando un video proprio su questo argomento...
Sto girando un video proprio su questo argomento...
Alberto.
0
voti
A quale pagina del Jerald Graeme si parla dei condensatori di disaccoppiamento e del loro dimensinamento?Grazie ciao
-

elettronepazzo
5 1 5 - Messaggi: 41
- Iscritto il: 26 set 2013, 16:28
7 messaggi
• Pagina 1 di 1
Chi c’è in linea
Visitano il forum: Nessuno e 222 ospiti

Elettrotecnica e non solo (admin)
Un gatto tra gli elettroni (IsidoroKZ)
Esperienza e simulazioni (g.schgor)
Moleskine di un idraulico (RenzoDF)
Il Blog di ElectroYou (webmaster)
Idee microcontrollate (TardoFreak)
PICcoli grandi PICMicro (Paolino)
Il blog elettrico di carloc (carloc)
DirtEYblooog (dirtydeeds)
Di tutto... un po' (jordan20)
AK47 (lillo)
Esperienze elettroniche (marco438)
Telecomunicazioni musicali (clavicordo)
Automazione ed Elettronica (gustavo)
Direttive per la sicurezza (ErnestoCappelletti)
EYnfo dall'Alaska (mir)
Apriamo il quadro! (attilio)
H7-25 (asdf)
Passione Elettrica (massimob)
Elettroni a spasso (guidob)
Bloguerra (guerra)



