Ciao a tutti,
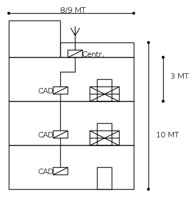
vorrei parlarvi di un impianto d’antenna (ho preso più volte questo discorso, ma non mi sono mai convinto). Prima di tutto chiarisco gli schemi proposti. “Primo schema” è il disegnino dell’edificio (casa mia) per darvi l’idea di dove vorrei andare ad operare e per farvi presente le lunghezze in gioco per quanto riguarda la posa dei cavi coassiali, e la posizione delle scatole di derivazione dove andranno posizionati i dispositivi di collegamento e di divisione del segnale. “Secondo schema” (prima ipotesi) è lo schema dell’ impianto d’antenna dove è presente una centralina autoalimentata, di marca e modello ancora da definire, e i CAD, o qualsiasi saranno i dispositivi di diramazione delle utenze. A monte ci sono, in ogni caso, due antenne a larga banda UHF (pensavo a due FR BLU 10 HD). Nello schema “Terzo schema” (seconda ipotesi) non è prevista la centralina, bensì un amplificatore da abbinare con adeguato alimentatore. Non prendete alla lettera le denominazioni e i collegamenti dei dispositivi(per esempio, se nei CAD ci saranno uscite libere, le chiuderò con apposite resistenze), sono puramente indicative.
Un'altra cosa, i CAD dalle TV sono distanti tutti 8/9 metri c.ca
Detto questo passo alle domande:
-Date le lunghezze dei percorsi, di che sezione di cavi devo tener conto? Ci sono tabelle a riguardo, sia per il terrestre che per il satellitare?
-Nello schema dove è presente l’alimentatore, è corretto il collegamento dei dispositivi, e soprattutto dell’alimentatore? Che poi mi sono sempre chiesto: se l’alimentatore lo mettessi a valle dietro la “TV X” (vedi schema), sarebbe migliore della posizione in cui si trova adesso nello schema?
-Con quali criteri devo scegliere il guadagno degli ingressi dei dispositivi quali amplificatore o centralina autoalimentata? Da tener conto che le antenne non hanno ostacoli come case, alberi e quant’altro di fronte a loro, in quanto si trovano nel punto più alto del paese. Soltanto le colline dividono le antenne dai ripetitori per il segnale terrestre.
-Per quanto riguarda le resistenze di chiusura nei dispositivi di divisione del segnale, ci sono delle situazioni in cui vanno inserite comunque in qualche dispositivo, dove l’assenza della stessa resistenza è causa di malfunzionamento dell’impianto?
Sperando di suscitare l’interesse di molti e i suggerimenti di tanti, ringrazio tutti per aver letto il mio quesito.
Impianto d'antenna terrestre
Moderatore:
jordan20
6 messaggi
• Pagina 1 di 1
0
voti
Risposte:
1. Non so se ci sono tabelle, se puoi scegliere è meglio un cavo da 7mm o giù di lì, di qualità (es: Cavel DG113). I cavi di diametro maggiore hanno una minore attenuazione del segnale.
2. Il tuo schema non mi piace, ho posizionato l'alimentatore in un altro punto, dove da meno fastidio e potresti eventualmente tenerlo sotto controllo, poi gli amplificatori a due uscite sono amplificatori che integrano un partitore (che implica perdita di segnale e eventuali problemi nella progettazione della distribuzione). Se hai necessità di mettere l'alim. in un punto particolare X si può trovare il modo, i CAD della Fracarro non lo permettono, Offel invece ha qualcosa.
3. In genere l'amplificatore deve compensare le perdite della distribuzione (a volte anche meno), nel caso in esempio (immagine allegata) avrai una distribuzione con attenuazione di 20dB, occorrerà un amp. da 20dB circa (in genere la banda UHF subisce più attenuazionerispetto alla VHF).
4. Sulle montanti vanno inserite le resistenze altrimenti ci saranno problemi di disadattamento dovuto a linee non chiuse sull'impedenza caratteristica. Le uscite dei derivatori, rimaste vuote, puoi anche non chiuderle, se lo fai, tanto di guadagnato.
Sicuramente avrai altre domande o sarò stato poco chiaro, chiedi pure.
Quelli che tu chiami CAD sono i derivatori, CAD è la sigla che Fracarro ha dato a una sua linea di derivatori.
A seguire uno schema di distribuzione con derivatori fracarro.
Cosa di cui non hai chiesto, ma mi permetto di suggerirti, la miscelazione bruta (senza filtri) di antenne UHF, in generale è categoricamente da evitare.
1. Non so se ci sono tabelle, se puoi scegliere è meglio un cavo da 7mm o giù di lì, di qualità (es: Cavel DG113). I cavi di diametro maggiore hanno una minore attenuazione del segnale.
2. Il tuo schema non mi piace, ho posizionato l'alimentatore in un altro punto, dove da meno fastidio e potresti eventualmente tenerlo sotto controllo, poi gli amplificatori a due uscite sono amplificatori che integrano un partitore (che implica perdita di segnale e eventuali problemi nella progettazione della distribuzione). Se hai necessità di mettere l'alim. in un punto particolare X si può trovare il modo, i CAD della Fracarro non lo permettono, Offel invece ha qualcosa.
3. In genere l'amplificatore deve compensare le perdite della distribuzione (a volte anche meno), nel caso in esempio (immagine allegata) avrai una distribuzione con attenuazione di 20dB, occorrerà un amp. da 20dB circa (in genere la banda UHF subisce più attenuazionerispetto alla VHF).
4. Sulle montanti vanno inserite le resistenze altrimenti ci saranno problemi di disadattamento dovuto a linee non chiuse sull'impedenza caratteristica. Le uscite dei derivatori, rimaste vuote, puoi anche non chiuderle, se lo fai, tanto di guadagnato.
Sicuramente avrai altre domande o sarò stato poco chiaro, chiedi pure.
Quelli che tu chiami CAD sono i derivatori, CAD è la sigla che Fracarro ha dato a una sua linea di derivatori.
A seguire uno schema di distribuzione con derivatori fracarro.
Cosa di cui non hai chiesto, ma mi permetto di suggerirti, la miscelazione bruta (senza filtri) di antenne UHF, in generale è categoricamente da evitare.
"La progettazione, il primo presidio della sicurezza" [Michele Guetta]
0
voti
Negli alimentatori solitamente ci sono i morsetti TV e ANT. Suppongo che la resistenza vada in TV, giusto? Lo schema con l'alimentatore che volevo postare è questo
a quanto ho capito è comunque sbagliato, però ti posso dire che dalle mie parti usano questo sistema.... che in effetti non funziona poi tanto bene, testimone il mio attuale impianto che non ho fatto io e voglio provvedere a sistemarlo. Vorrei capire, però, se lo schema con la centralina autoalimentata è comunque corretto, almeno indicativamente. E vorrei capire meglio perché l'alimentatore è "fastidioso" dove è collocato. Inoltre ho sbagliato a non inserire il partitore subito sotto l'amplificatore montati sul palo attualmente. Un casino in poche parole, per questo vorrei capirne di più. Non ho buoni riferimenti
a quanto ho capito è comunque sbagliato, però ti posso dire che dalle mie parti usano questo sistema.... che in effetti non funziona poi tanto bene, testimone il mio attuale impianto che non ho fatto io e voglio provvedere a sistemarlo. Vorrei capire, però, se lo schema con la centralina autoalimentata è comunque corretto, almeno indicativamente. E vorrei capire meglio perché l'alimentatore è "fastidioso" dove è collocato. Inoltre ho sbagliato a non inserire il partitore subito sotto l'amplificatore montati sul palo attualmente. Un casino in poche parole, per questo vorrei capirne di più. Non ho buoni riferimenti
-

Elettrico91
68 1 2 8 - Frequentatore

- Messaggi: 242
- Iscritto il: 22 apr 2013, 18:02
0
voti
L'alimentatore lì può andare se hai un derivatore che lascia passare la DC dalle uscite derivate verso l'ingresso, o se modifichi un derivatore normale (lasciamo stare), opzione numero tre hai dei partitori, che comunque non vanno bene.
La centralina è sempre un amplificatore, per una casa in genere non serve, le centraline hanno livelli di uscita più alti, amplificazione maggiore, amplificazione separata.
Lo schema che hai fatto è corretto, manca la resistenza sull'uscita passante del derivatore finale.
I derivatori vanno scelti con attenuazione a scalare, si progetta a tavolino in base alla distribuzione.
Le prese dovranno essere tutte dirette.
Attenzione agli ingressi UHF dell'amplificatore (centralina), non puoi puntare due antenne UHF e darle in pasto all'amplificatore, occorre filtrare.
La centralina è sempre un amplificatore, per una casa in genere non serve, le centraline hanno livelli di uscita più alti, amplificazione maggiore, amplificazione separata.
Lo schema che hai fatto è corretto, manca la resistenza sull'uscita passante del derivatore finale.
I derivatori vanno scelti con attenuazione a scalare, si progetta a tavolino in base alla distribuzione.
Le prese dovranno essere tutte dirette.
Attenzione agli ingressi UHF dell'amplificatore (centralina), non puoi puntare due antenne UHF e darle in pasto all'amplificatore, occorre filtrare.
"La progettazione, il primo presidio della sicurezza" [Michele Guetta]
0
voti
Io ho attualmente un MAP501 Fracarro al quale sono collegate due antenne UHF, una in posizione orizzontale verso un ripetitore e una in verticale verso un altro. Dopodiché l'uscita dell'amplificatore va all'ingresso di un partitore, il quale partitore ha tre uscite. OUT, OUT, OUT+CC. Alle prime due sono collegate rispettivamente le utenze di due appartamenti. Alla OUT+CC invece è collegato l'alimentatore (ANT) che a sua volta collega un'altra utenza.
Tutto ciò quindi non ha senso? E come mi consigli di filtrare il segnale?
Tutto ciò quindi non ha senso? E come mi consigli di filtrare il segnale?
-

Elettrico91
68 1 2 8 - Frequentatore

- Messaggi: 242
- Iscritto il: 22 apr 2013, 18:02
0
voti
Fai qualche schema, il partitore ci può stare, dipende cosa va a servire l'uscita. Cosa è una utenza?
Se vai verso un derivatore può anche andare bene.
Poi dovresti dire in che ingressi dell'amp. entrano le due antenne.
E tre, quali sono i ripetitori? Dove stai?
Se fai uno schema totale da ogni singola antenna all'ultima presa fai prima, se vuoi qualche consiglio.
Se vai verso un derivatore può anche andare bene.
Poi dovresti dire in che ingressi dell'amp. entrano le due antenne.
E tre, quali sono i ripetitori? Dove stai?
Se fai uno schema totale da ogni singola antenna all'ultima presa fai prima, se vuoi qualche consiglio.
"La progettazione, il primo presidio della sicurezza" [Michele Guetta]
6 messaggi
• Pagina 1 di 1
Chi c’è in linea
Visitano il forum: Nessuno e 14 ospiti

Elettrotecnica e non solo (admin)
Un gatto tra gli elettroni (IsidoroKZ)
Esperienza e simulazioni (g.schgor)
Moleskine di un idraulico (RenzoDF)
Il Blog di ElectroYou (webmaster)
Idee microcontrollate (TardoFreak)
PICcoli grandi PICMicro (Paolino)
Il blog elettrico di carloc (carloc)
DirtEYblooog (dirtydeeds)
Di tutto... un po' (jordan20)
AK47 (lillo)
Esperienze elettroniche (marco438)
Telecomunicazioni musicali (clavicordo)
Automazione ed Elettronica (gustavo)
Direttive per la sicurezza (ErnestoCappelletti)
EYnfo dall'Alaska (mir)
Apriamo il quadro! (attilio)
H7-25 (asdf)
Passione Elettrica (massimob)
Elettroni a spasso (guidob)
Bloguerra (guerra)





