Per l'emulazione dei sensori di temperatura resistivi (NTC, PTC, ecc.), in laboratorio utilizziamo i resistor box, che non so neppure come chiamare in italiano. In particolare abbiamo uno strumento, 1433H della General Radio
che pur vecchio è di una precisione e ripetibilità incredibili, misurabili in ppm. E' però un incubo da utilizzare perché per impostare una temperatura è necessaria una tabella di conversione da tenere con lo strumento. E sopratutto non permette di muoversi tra due valori in modo monotono. Ci si arriva invece per salti. Se nel sistema che si vuole testare ci sono filtri a finestra mobile, la prova perde di significato. Si è pensato allora di costruire uno di questi oggetti con un'interfaccia per calcolatore che permetterebbe di fare tutto ciò che si vuole. Più facile a dirsi che a farsi. La parte di interfaccia è cosa banale, ma cosa utilizzare come elemento resistivo? Usare un sistema a circuito aperto, (con DAC per esempio) o retroazionato in qualche modo? La precisione che serve è alta (lo 0.1% è il minimo accettabile) e anche il range di resistenza è molto ampio (da pochi kohm a qualche Mohm). Si accettano consigli e pareri di ogni tipo.
Resistor box
Moderatori:
carloc,
g.schgor,
BrunoValente,
IsidoroKZ
0
voti
[2] Re: Resistor Box
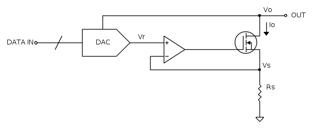
Provo ad autorispondermi. Una possibile soluzione potrebbe essere quella nello schema allegato.
La resistenza che si vede guardando nella porta di uscita è

La corrente è anche quella che passa sulla resistenza e quindi

Sostituendo

Se l'amplificatore regola

Il DAC ha come riferimento la tensione di uscita. Alla sua uscita avremo una frazione del riferimento in funzione del codice in ingresso. Se indichiamo con

in uscita avremo

e quindi

con k inferiore a 1. Abbiamo fatto un amplificatore di resistenza a controllo digitale (fico...). La precisione dipende in pratica solo dalla tolleranza della resistenza e dalla precisione del convertitore. Una calibrazione a punti toglierebbe ogni problema. Troppo bello per essere vero. A parte il fatto che lavora solo per correnti entranti nel nodo (che nel mio caso non è un problema), come si comporta dinamicamente? E come funzionerà quando la tensione in uscita sarà molto bassa?
La resistenza che si vede guardando nella porta di uscita è

La corrente è anche quella che passa sulla resistenza e quindi

Sostituendo

Se l'amplificatore regola

Il DAC ha come riferimento la tensione di uscita. Alla sua uscita avremo una frazione del riferimento in funzione del codice in ingresso. Se indichiamo con

in uscita avremo

e quindi

con k inferiore a 1. Abbiamo fatto un amplificatore di resistenza a controllo digitale (fico...). La precisione dipende in pratica solo dalla tolleranza della resistenza e dalla precisione del convertitore. Una calibrazione a punti toglierebbe ogni problema. Troppo bello per essere vero. A parte il fatto che lavora solo per correnti entranti nel nodo (che nel mio caso non è un problema), come si comporta dinamicamente? E come funzionerà quando la tensione in uscita sarà molto bassa?
-

Heavy
565 1 5 - Utente disattivato per decisione dell'amministrazione proprietaria del sito
- Messaggi: 260
- Iscritto il: 28 dic 2013, 0:39
- Località: Conegliano Veneto
4
voti
[3] Re: Resistor Box
Heavy ha scritto: utilizziamo i resistor box, che non so neppure come chiamare in italiano
Cassette di resistori.
Heavy ha scritto: A parte il fatto che lavora solo per correnti entranti nel nodo (che nel mio caso non è un problema)
Questo problema, così come quello della voltage compliance, potrebbe essere risolto con una pompa di corrente di tipo Howland. Ci sono però altri due problemi: il primo è che quel circuito ha un terminale riferito a 0 V; il secondo è che non permette di realizzare resistori a 4 terminali. Poi, bisogna fare attenzione che la resistenza di ingresso del DAC sull'ingresso di reference (tipicamente una decina di kiloohm) è in parallelo alla resistenza che si vuole simulare.
It's a sin to write
instead of
(Anonimo).
...'cos you know that
ain't
, right?
You won't get a sexy tan if you write
in lieu of
.
Take a log for a fireplace, but don't take
for
arithm.
instead of
(Anonimo)....'cos you know that
ain't
, right?You won't get a sexy tan if you write
in lieu of
.Take a log for a fireplace, but don't take
for
arithm.-

DirtyDeeds
55,9k 7 11 13 - G.Master EY

- Messaggi: 7012
- Iscritto il: 13 apr 2010, 16:13
- Località: Somewhere in nowhere
1
voti
[5] Re: Resistor Box
DirtyDeeds ha scritto:la resistenza di ingresso del DAC sull'ingresso di reference (tipicamente una decina di kiloohm) è in parallelo alla resistenza che si vuole simulare.
Ostrega, te ga rason (Accipicchia, hai ragione). Vuol dire che ci mettiamo un buffer.
Non poter avere i quattro terminali non è un problema, la resistenza minima è nell'ordine del kohm. Per il problema dei ritorni di massa, il circuito è già previsto come flottante con una comunicazione seriale optoisolata e un DC/DC per l'alimentazione. Il circuito dipo Howland richiede un po' di tempo per l'analisi dettagliata. Ti ringrazio del consiglio e metto il documento nella pila "to be done".
Per
Aggiornamento schema con buffer. Adesso bisogna anche fare un po' di attenzione alla questione offset. Per la stabilità cosa dovremmo fare? Quella RC sul primo amplificatore bisogna metterla?
-

Heavy
565 1 5 - Utente disattivato per decisione dell'amministrazione proprietaria del sito
- Messaggi: 260
- Iscritto il: 28 dic 2013, 0:39
- Località: Conegliano Veneto
3
voti
[6] Re: Resistor Box
Heavy ha scritto:ma qualcosa di più generale (e magari conveniente) no.
Fare un buon sintetizzatore di resistenze è un discreto casino, te ne accorgerai quando inizierai a valutare in quel circuito gli effetti di offset e, soprattutto, derive.
Se i componenti che avete bisogno di emulare sono sempre gli stessi potreste pensare di farvi una cassetta ad hoc con dei resistori ad alta stabilità costruita in modo da avere la monotonicità che vi serve.
It's a sin to write
instead of
(Anonimo).
...'cos you know that
ain't
, right?
You won't get a sexy tan if you write
in lieu of
.
Take a log for a fireplace, but don't take
for
arithm.
instead of
(Anonimo)....'cos you know that
ain't
, right?You won't get a sexy tan if you write
in lieu of
.Take a log for a fireplace, but don't take
for
arithm.-

DirtyDeeds
55,9k 7 11 13 - G.Master EY

- Messaggi: 7012
- Iscritto il: 13 apr 2010, 16:13
- Località: Somewhere in nowhere
0
voti
[7] Re: Resistor Box
Per
DirtyDeeds: le derive sono uno dei punti principali sui quali mi sono soffermato. La temperatura non è un problema perché il circuito non dissipa ed è utilizzato in laboratorio che è un ambiente climatizzato. La temperatura sarà sempre all'interno dell'intervallo 20-25 °C. Le derive a lungo termine non sono un problema perché con quattro righe di codice si può fare un programma di calibrazione che utilizza un multimetro a 6+1/2 cifre come riferimento. Le derive a breve sono tutte da vedere. Mi spaventa un po' anche il rumore quando ci saranno poche decine di millivolt in ingresso. Non vorrei mai che il circuito si rivelasse come un amplificatore di rumore
.
-

Heavy
565 1 5 - Utente disattivato per decisione dell'amministrazione proprietaria del sito
- Messaggi: 260
- Iscritto il: 28 dic 2013, 0:39
- Località: Conegliano Veneto
1
voti
[8] Re: Resistor Box
Heavy ha scritto:Per l'emulazione dei sensori di temperatura resistivi (NTC, PTC, ecc.), in laboratorio utilizziamo i resistor box, che non so neppure come chiamare in italiano
Le uso pure io, e in italiano le conosco con il nome di decadiche, in quanto a ciascun pomello corrisponde una potenza di 10 nel valore della resistenza totale.
Ciao.
Paolo.
"Houston, Tranquillity Base here. The Eagle has landed." - Neil A.Armstrong
-------------------------------------------------------------
PIC Experience - http://www.picexperience.it
-------------------------------------------------------------
PIC Experience - http://www.picexperience.it
-

Paolino
32,6k 8 12 13 - G.Master EY

- Messaggi: 4226
- Iscritto il: 20 gen 2006, 11:42
- Località: Vigevano (PV)
0
voti
[9] Re: Resistor Box
Per
Paolino: non mi pare ci sia un termine standard. Qui è d'uso chiamarle resistenze campione anche se le resistenze campione sono un'altra cosa.
-

Heavy
565 1 5 - Utente disattivato per decisione dell'amministrazione proprietaria del sito
- Messaggi: 260
- Iscritto il: 28 dic 2013, 0:39
- Località: Conegliano Veneto
1
voti
[10] Re: Resistor Box
Può darsi che non esista un "nome standard". Ho scritto infatti che io le conosco come decadiche, ma questo non sposta la funzionalità dell'oggetto 
Ciao.
Paolo.
Ciao.
Paolo.
"Houston, Tranquillity Base here. The Eagle has landed." - Neil A.Armstrong
-------------------------------------------------------------
PIC Experience - http://www.picexperience.it
-------------------------------------------------------------
PIC Experience - http://www.picexperience.it
-

Paolino
32,6k 8 12 13 - G.Master EY

- Messaggi: 4226
- Iscritto il: 20 gen 2006, 11:42
- Località: Vigevano (PV)
Chi c’è in linea
Visitano il forum: Nessuno e 34 ospiti

Elettrotecnica e non solo (admin)
Un gatto tra gli elettroni (IsidoroKZ)
Esperienza e simulazioni (g.schgor)
Moleskine di un idraulico (RenzoDF)
Il Blog di ElectroYou (webmaster)
Idee microcontrollate (TardoFreak)
PICcoli grandi PICMicro (Paolino)
Il blog elettrico di carloc (carloc)
DirtEYblooog (dirtydeeds)
Di tutto... un po' (jordan20)
AK47 (lillo)
Esperienze elettroniche (marco438)
Telecomunicazioni musicali (clavicordo)
Automazione ed Elettronica (gustavo)
Direttive per la sicurezza (ErnestoCappelletti)
EYnfo dall'Alaska (mir)
Apriamo il quadro! (attilio)
H7-25 (asdf)
Passione Elettrica (massimob)
Elettroni a spasso (guidob)
Bloguerra (guerra)


