Cos'è ElectroYou | Login Iscriviti

ElectroYou - la comunità dei professionisti del mondo elettrico

Lettura wattmetro

Elettronica lineare e digitale: didattica ed applicazioni

Moderatori: Foto Utentecarloc, Foto Utenteg.schgor, Foto UtenteBrunoValente, Foto UtenteIsidoroKZ

0
voti

[1] Lettura wattmetro

Messaggioda Foto UtenteXtony92 » 20 gen 2014, 19:18

Salve
vi vorrei chiedere a quanto equivale la lettura del wattmetro che è collegato al centro stella.
Nel problema ho il valore del wattmetro e devo trovare quello del voltmetro.
Ma non riesco a capire a cosa equivale il wattmetro in tale posizione.
Vi ringrazio anticipatamente :-)

Avatar utente
Foto UtenteXtony92
-8 2
 
Messaggi: 18
Iscritto il: 17 set 2013, 17:17

0
voti

[2] Re: Lettura wattmetro

Messaggioda Foto UtenteCandy » 20 gen 2014, 19:25

Ma Q la conosci? O conosci solo la lettura del wattmetro? Se hai i dati sufficienti per arrivar ealla corrente di linea, con quella bella notizia "D=0", non dovresti avere difficoltà a ricavare V.
Avatar utente
Foto UtenteCandy
32,5k 7 10 13
CRU - Account cancellato su Richiesta utente
 
Messaggi: 10123
Iscritto il: 14 giu 2010, 22:54

0
voti

[3] Re: Lettura wattmetro

Messaggioda Foto UtenteGigis » 20 gen 2014, 19:27

Se non sbaglio quello che misura il wattmetro è:
W=E_1\cdot I_1
dove E_1 è la tensione della fase 1 rispetto al centro stella e I_1 è la corrente nella fase 1.
di solito E_1 è quasi sempre 220 V, o almeno così era nel mio corso di elettrotecnica, se hai la misura del wattmetro ti ricavi I_1 e gli assegni fase 0, così hai un punto di partenza.
Avatar utente
Foto UtenteGigis
120 5
Frequentatore
Frequentatore
 
Messaggi: 134
Iscritto il: 18 gen 2014, 18:07

-1
voti

[4] Re: Lettura wattmetro

Messaggioda Foto UtenteXtony92 » 20 gen 2014, 19:40

Ecco i dati:
W=1000 W
P=1000 W
Q= 500 W
R=100 ohm
Xc=80 ohm
V=?

io avevo pensato che la W fosse: W=-\left( {{P}_{R}}+\frac{P}{3} \right)
dove {{P}_{R}} è la potenza assorbita da uno dei tre resistori R del carico a stella

E' giusto? come dovrei proseguire?
Avatar utente
Foto UtenteXtony92
-8 2
 
Messaggi: 18
Iscritto il: 17 set 2013, 17:17

0
voti

[5] Re: Lettura wattmetro

Messaggioda Foto UtenteCandy » 20 gen 2014, 19:44

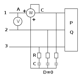
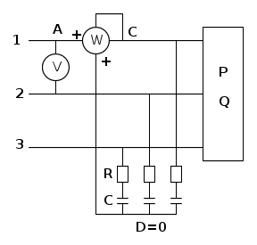
No, scusa, W misura 1000 W dal testo esercizio? Se così fosse, lo schema postato è giusto?
Avatar utente
Foto UtenteCandy
32,5k 7 10 13
CRU - Account cancellato su Richiesta utente
 
Messaggi: 10123
Iscritto il: 14 giu 2010, 22:54

0
voti

[6] Re: Lettura wattmetro

Messaggioda Foto UtenteXtony92 » 20 gen 2014, 19:45

L'unico errore dello schema è che la voltmetrica è posta al contrario scusami ora me ne sono accorto
Avatar utente
Foto UtenteXtony92
-8 2
 
Messaggi: 18
Iscritto il: 17 set 2013, 17:17

0
voti

[7] Re: Lettura wattmetro

Messaggioda Foto UtenteCandy » 20 gen 2014, 19:51

Mi sa che di errori ce ne sono ancora altri:
Q = 500 W :?:

E poi, ho dubbi che da quel carico trifase ignoto, la potenza attiva sia unicamente tutta sulla fase 1. Potrebbe essere, non è vietato, ma è strano. Ma i segni delle polarità del wattmetro sono giusti? Note P e Q del carico, con "quel" wattmetro che segna 1000, cosa potresti dire?
Avatar utente
Foto UtenteCandy
32,5k 7 10 13
CRU - Account cancellato su Richiesta utente
 
Messaggi: 10123
Iscritto il: 14 giu 2010, 22:54

0
voti

[8] Re: Lettura wattmetro

Messaggioda Foto UtenteXtony92 » 20 gen 2014, 19:55

Si q dovrebbe essere 500 mentre il + relativo alla voltmetrica è spostato sopra il wattmetro cioè abbiamo W=E_1\cdot I_1
Avatar utente
Foto UtenteXtony92
-8 2
 
Messaggi: 18
Iscritto il: 17 set 2013, 17:17

0
voti

[9] Re: Lettura wattmetro

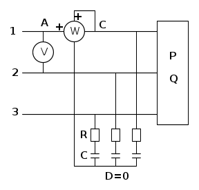
Messaggioda Foto UtenteXtony92 » 20 gen 2014, 20:02

Questo è il disegno corretto
Avatar utente
Foto UtenteXtony92
-8 2
 
Messaggi: 18
Iscritto il: 17 set 2013, 17:17

2
voti

[10] Re: Lettura wattmetro

Messaggioda Foto UtenteRenzoDF » 20 gen 2014, 20:06

Xtony92 ha scritto:Salve ... vi vorrei chiedere a quanto equivale la lettura del wattmetro


Memoria corta? :-)

viewtopic.php?t=47343

e, visto che sono le tue due sole domande al Forum e pure uguali, io un paio di pastiglie di memoril le prenderei.
:mrgreen:
"Il circuito ha sempre ragione" (Luigi Malesani)
Avatar utente
Foto UtenteRenzoDF
55,9k 8 12 13
G.Master EY
G.Master EY
 
Messaggi: 13189
Iscritto il: 4 ott 2008, 9:55

Prossimo

Torna a Elettronica generale

Chi c’è in linea

Visitano il forum: Majestic-12 [Bot] e 49 ospiti