Transistor bruciato
Moderatori:
carloc,
g.schgor,
BrunoValente,
IsidoroKZ
38 messaggi
• Pagina 4 di 4 • 1, 2, 3, 4
0
voti
0
voti
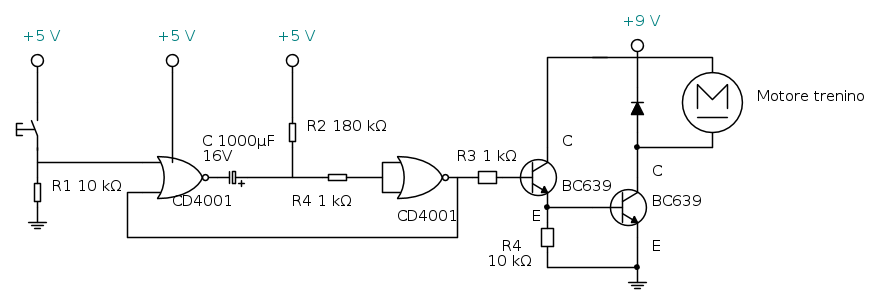
PietroBaima ha scritto:Come ti avevo già scritto modificherei il circuito in questo modo, per aumentarne l'affidabilità.
Grazie mille, apporterò sicuramente le modifiche da te consigliate
Ultima modifica di
marco438 il 21 gen 2014, 14:36, modificato 1 volta in totale.
Motivazione: Eliminato quoting inutile. Usa il tasto rispondi.
Motivazione: Eliminato quoting inutile. Usa il tasto rispondi.
0
voti
Con questo stadio di uscita hai un guadagno in corrente molto maggiore rispetto al caso con singolo transistor.
Poi se vuoi usare un semplice relè, che a mio parere è la soluzione più comoda per il tuo scopo, allora basta un solo transistor e stai tranquillo.
Ultima modifica di
Gigis il 21 gen 2014, 14:57, modificato 1 volta in totale.
2
voti
meglio in zona resistiva, la saturazione dei MOS e` dove le caratteristiche di uscita sono piatte 
Chi ha scelto il nome saturazione per i MOS avrebbe fatto bene a fare qualcos'altro, genera confusione con i bipolari!
Nello schema che hai fatto, le porte logiche non possono essere alimentate anche loro a 9V?
Chi ha scelto il nome saturazione per i MOS avrebbe fatto bene a fare qualcos'altro, genera confusione con i bipolari!
Nello schema che hai fatto, le porte logiche non possono essere alimentate anche loro a 9V?
Per usare proficuamente un simulatore, bisogna sapere molta più elettronica di lui
Plug it in - it works better!
Il 555 sta all'elettronica come Arduino all'informatica! (entrambi loro malgrado)
Se volete risposte rispondete a tutte le mie domande
Plug it in - it works better!
Il 555 sta all'elettronica come Arduino all'informatica! (entrambi loro malgrado)
Se volete risposte rispondete a tutte le mie domande
0
voti
beh nello schema mi sono limitato a modificare solo lo stadio di uscita.
Guardando il datasheet direi proprio di si.
Guardando il datasheet direi proprio di si.
1
voti
marco438 ha scritto:Ma metterci un mosfet e' vietato?
concordo
-

PietroBaima
90,7k 7 12 13 - G.Master EY

- Messaggi: 12206
- Iscritto il: 12 ago 2012, 1:20
- Località: Londra
38 messaggi
• Pagina 4 di 4 • 1, 2, 3, 4
Chi c’è in linea
Visitano il forum: Nessuno e 249 ospiti

Elettrotecnica e non solo (admin)
Un gatto tra gli elettroni (IsidoroKZ)
Esperienza e simulazioni (g.schgor)
Moleskine di un idraulico (RenzoDF)
Il Blog di ElectroYou (webmaster)
Idee microcontrollate (TardoFreak)
PICcoli grandi PICMicro (Paolino)
Il blog elettrico di carloc (carloc)
DirtEYblooog (dirtydeeds)
Di tutto... un po' (jordan20)
AK47 (lillo)
Esperienze elettroniche (marco438)
Telecomunicazioni musicali (clavicordo)
Automazione ed Elettronica (gustavo)
Direttive per la sicurezza (ErnestoCappelletti)
EYnfo dall'Alaska (mir)
Apriamo il quadro! (attilio)
H7-25 (asdf)
Passione Elettrica (massimob)
Elettroni a spasso (guidob)
Bloguerra (guerra)





pigreco]=π