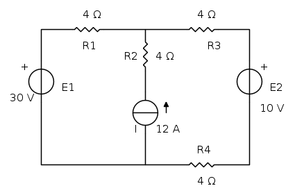
Ho inizialmente applicato la LKC e LKT, andando a considerare che la
che scorre nel generatore di corrente, quindi mi sembra palese che
.LKC:

Per quanto riguarda la LKT:
Siamo in presenza di una Supermaglia? Come scrivo la sua Equazione?
La sua Equazione di Vincolo dovrebbe essere:
?Se mi dite che fino a qui è corretto procedo :)

Elettrotecnica e non solo (admin)
Un gatto tra gli elettroni (IsidoroKZ)
Esperienza e simulazioni (g.schgor)
Moleskine di un idraulico (RenzoDF)
Il Blog di ElectroYou (webmaster)
Idee microcontrollate (TardoFreak)
PICcoli grandi PICMicro (Paolino)
Il blog elettrico di carloc (carloc)
DirtEYblooog (dirtydeeds)
Di tutto... un po' (jordan20)
AK47 (lillo)
Esperienze elettroniche (marco438)
Telecomunicazioni musicali (clavicordo)
Automazione ed Elettronica (gustavo)
Direttive per la sicurezza (ErnestoCappelletti)
EYnfo dall'Alaska (mir)
Apriamo il quadro! (attilio)
H7-25 (asdf)
Passione Elettrica (massimob)
Elettroni a spasso (guidob)
Bloguerra (guerra)










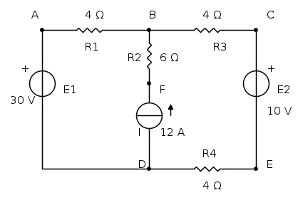
e
ovvero
.
sono uguali e inoltre calcolo
tramite Millmann come detto in precedenza.
è semplicemente ->
, ma per il generatore di corrente?




