Modello per piccolo segnale
Moderatori:
carloc,
g.schgor,
BrunoValente,
IsidoroKZ
16 messaggi
• Pagina 1 di 2 • 1, 2
0
voti
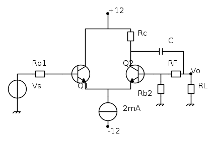
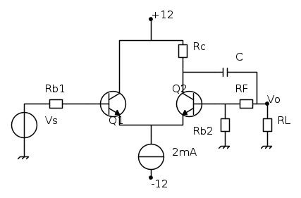
Qualcuno mi potrebbe spiegare come fare il modello per piccolo segnale (possibilmente usando il modello a π) di questo amplificatore retroazionato?
La reattanza di C è trascurabile e quindi dovrei approssimarla con un cortocircuito.
Grazie per l'aiuto :)
La reattanza di C è trascurabile e quindi dovrei approssimarla con un cortocircuito.
Grazie per l'aiuto :)
-

Francescof480
5 2 - Messaggi: 22
- Iscritto il: 22 mag 2013, 10:29
5
voti
Ottimo lavoro con FidoCadJ
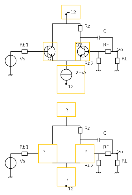
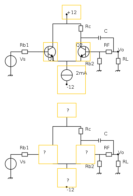
allora fare quello che vuoi fare è proprio una cosa semplice, anzi proprio "meccanica"...
si prendono gli elementi del tuo schema e si sostituiscono con i loro equivalenti per le variazioni
proprio così, in "automatico".
Ora vedi sopra ho già "scremato" ed ho evidenziato solo quelli che sono diversi nei due casi
E ora ti chiedo: "Conosci i circuiti equivalenti per le variazioni dei BJT e dei due generatori DC di polarizzazione?"
allora fare quello che vuoi fare è proprio una cosa semplice, anzi proprio "meccanica"...
si prendono gli elementi del tuo schema e si sostituiscono con i loro equivalenti per le variazioni
proprio così, in "automatico".
Ora vedi sopra ho già "scremato" ed ho evidenziato solo quelli che sono diversi nei due casi
E ora ti chiedo: "Conosci i circuiti equivalenti per le variazioni dei BJT e dei due generatori DC di polarizzazione?"
Se ti serve il valore di beta: hai sbagliato il progetto!
0
voti
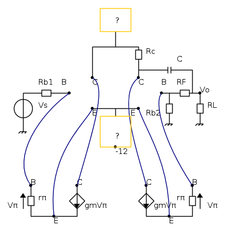
Il mio problema non sta nella sostituzione in se per se del modello a piccolo segnale, piuttosto mi confondo su q2 visto che è specchiato(rispetto alla visualizzazione "standard" [vd. Q1])
Rispondendo alla tua domanda:
il modello a π
Mentre tutti i generatori vanno messi a massa
Ora per come avrei pensato io i generatori gmVπ1 e gmVπ2 verrebbero in parallelo, cosa che non mi convince più di tanto.
EDIT: per i dati che ho, ovviamente la r0 è trascurabile
Rispondendo alla tua domanda:
il modello a π
Mentre tutti i generatori vanno messi a massa
Ora per come avrei pensato io i generatori gmVπ1 e gmVπ2 verrebbero in parallelo, cosa che non mi convince più di tanto.
EDIT: per i dati che ho, ovviamente la r0 è trascurabile
-

Francescof480
5 2 - Messaggi: 22
- Iscritto il: 22 mag 2013, 10:29
7
voti
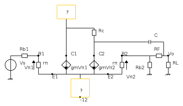
Ok
vedi che stai proprio affogando in un bicchier d'acqua
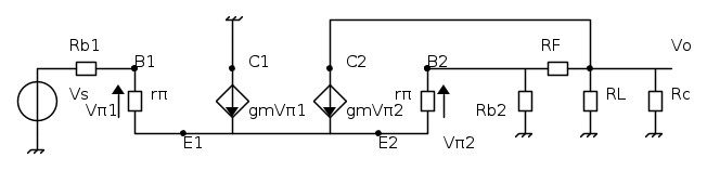
Nello schema hai tre nodi per ogni BJT B, C ed E e gli stessi tre li hai anche nel modello. Basta collegare i nodi con lo stesso nome
Se T2 specchiato "disturba" potresti specchiare anche i modello, così da poterlo sostituire senza stravolgere lo schema iniziale
Che poi messo un po' "in forma" diventa qualcosa del genere..
P.S. per i due generatori DC sei proprio sicuro che si cortocircuitino tutti e due
Nello schema hai tre nodi per ogni BJT B, C ed E e gli stessi tre li hai anche nel modello. Basta collegare i nodi con lo stesso nome
Se T2 specchiato "disturba" potresti specchiare anche i modello, così da poterlo sostituire senza stravolgere lo schema iniziale
Che poi messo un po' "in forma" diventa qualcosa del genere..
P.S. per i due generatori DC sei proprio sicuro che si cortocircuitino tutti e due
Se ti serve il valore di beta: hai sbagliato il progetto!
0
voti
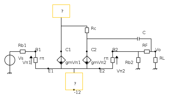
Ma essendo un modello dinamico ed le tensioni di alimentazione continue...dovrebbero andare a massa, no? ( o almeno son convinto di ciò)
-

Francescof480
5 2 - Messaggi: 22
- Iscritto il: 22 mag 2013, 10:29
0
voti
Francescof480 ha scritto:Ma essendo un modello dinamico ed le tensioni di alimentazione continue...dovrebbero andare a massa, no? ( o almeno son convinto di ciò)
+12 e -12 sì...ma il generatore di corrente?
_______________________________________________________
Gli oscillatori non oscillano mai, gli amplificatori invece sempre
Io HO i poteri della supermucca, e ne vado fiero!
Gli oscillatori non oscillano mai, gli amplificatori invece sempre
Io HO i poteri della supermucca, e ne vado fiero!
0
voti
Un circuito aperto?
Se così fosse, mi potete dare qualche indicazione su come calcolare Vo/Vs?
Se così fosse, mi potete dare qualche indicazione su come calcolare Vo/Vs?
-

Francescof480
5 2 - Messaggi: 22
- Iscritto il: 22 mag 2013, 10:29
4
voti
Ok per il circuito aperto al posto del generatore di corrente
...ma quel
dice che non sei troppo convinto
cerca di non imparare a memoria queste cose, pensa invece
...
circuito per le variazioni allora se ho una tensione costante significa che non varia, variazione=zero cioè lo zero delle variazioni, il riferimento (non è molto corretto chiamarla massa)
oppure
circuito per le variazioni allora se ho una corrente costante significa che non varia, variazione=zero cioè lo zero delle variazioni di corrente, e in effetti un circuito aperto assicura che la corrente sia zero....
Allora per l'analisi
prova ad impostare qualcosa tu.... come lo faresti?
... ti trovi con questo circuito equivalente?
...ma quel
Francescof480 ha scritto:....
Se così fosse
...
dice che non sei troppo convinto
circuito per le variazioni allora se ho una tensione costante significa che non varia, variazione=zero cioè lo zero delle variazioni, il riferimento (non è molto corretto chiamarla massa)
oppure
circuito per le variazioni allora se ho una corrente costante significa che non varia, variazione=zero cioè lo zero delle variazioni di corrente, e in effetti un circuito aperto assicura che la corrente sia zero....
Allora per l'analisi
... ti trovi con questo circuito equivalente?
Se ti serve il valore di beta: hai sbagliato il progetto!
0
voti
Mi scuso
per essere "sparito", ma con un mio collega abbiamo perso diverso tempo per risolverlo senza avere nessuna certezza sulla correttezza della soluzione
; quindi l'ho messo da parte per rivedere certe cose e riprenderlo il giorno prima dell'esame ,ovvero domani
Dallo schema equivalente che ha fatto carlos riproverò a a calcolare il guadagno di tensione, sperando sia corretto.

Dallo schema equivalente che ha fatto carlos riproverò a a calcolare il guadagno di tensione, sperando sia corretto.

-

Francescof480
5 2 - Messaggi: 22
- Iscritto il: 22 mag 2013, 10:29
0
voti
Allora, ho provato a calcolare Vo/vs in questo modo:
1)Mi son trovato la Vπ1 con il partitore di tensione di Vs
2)la Vπ2 come la somma delle correnti dei due generatori pilotati per la rπ(2)
3)la Vo come la corrente che scorre su Rc (gmVπ2) per Rc//RL
mettendo tutto insieme mi viene il rapporto di Vo/Vs
Che ve ne pare?
P.S: ho usato il modello di carloc
1)Mi son trovato la Vπ1 con il partitore di tensione di Vs
2)la Vπ2 come la somma delle correnti dei due generatori pilotati per la rπ(2)
3)la Vo come la corrente che scorre su Rc (gmVπ2) per Rc//RL
mettendo tutto insieme mi viene il rapporto di Vo/Vs
Che ve ne pare?
P.S: ho usato il modello di carloc
-

Francescof480
5 2 - Messaggi: 22
- Iscritto il: 22 mag 2013, 10:29
16 messaggi
• Pagina 1 di 2 • 1, 2
Chi c’è in linea
Visitano il forum: Nessuno e 54 ospiti

Elettrotecnica e non solo (admin)
Un gatto tra gli elettroni (IsidoroKZ)
Esperienza e simulazioni (g.schgor)
Moleskine di un idraulico (RenzoDF)
Il Blog di ElectroYou (webmaster)
Idee microcontrollate (TardoFreak)
PICcoli grandi PICMicro (Paolino)
Il blog elettrico di carloc (carloc)
DirtEYblooog (dirtydeeds)
Di tutto... un po' (jordan20)
AK47 (lillo)
Esperienze elettroniche (marco438)
Telecomunicazioni musicali (clavicordo)
Automazione ed Elettronica (gustavo)
Direttive per la sicurezza (ErnestoCappelletti)
EYnfo dall'Alaska (mir)
Apriamo il quadro! (attilio)
H7-25 (asdf)
Passione Elettrica (massimob)
Elettroni a spasso (guidob)
Bloguerra (guerra)








