Dovrei progettare un pannello luminoso a LED che riporti la massima velocità consentita per gli autoveicoli in transito.
Il display deve essere gestito da un circuito elettronico al quale sono collegati due sensori: uno
di pioggia ed uno di nebbia. Il sensore di pioggia permette di stabilire la quantità di acqua caduta
all’ora per unità di superficie. Esso fornisce un segnale di tensione Vp in continua, espresso dalla
seguente formula:
![Vp[mV]=10Q+50 Vp[mV]=10Q+50](/forum/latexrender/pictures/464347da96b5443095febf044ba52251.png)
dove Q è la quantità di acqua caduta misurata in litri all’ora e per metro quadrato. Il sensore di
nebbia è invece realizzato tramite un diodo LED ed un fotodiodo posti ad una determinata distanza
l’uno rispetto all’altro. In presenza di nebbia, l’intensità luminosa proveniente dal LED captata dal
fotodiodo si riduce drasticamente. Empiricamente si osserva che se la corrente In proveniente dal
fotodiodo è inferiore a 10 microA, si è in presenza di nebbia.
La massima velocità consentita visualizzata sul display deve essere dipendente dalle condizioni
meteorologiche, secondo la seguente tabella:
Presenza di nebbia: NO
pioggia caduta
: 0 | <5 | >5Velocità sul display [km/h]: Display spento | 90 | 70
Presenza di nebbia: SI
pioggia caduta
: 0 | <5 | >5Velocità sul display [km/h]: 70 | 50 | 50
al valore di pioggia caduta 0 corrisponde la velocità 90 nel caso di nebbia e spento se non c'e nebbia. Le pipe | le ho usate per dividere le possibili opzioni.
Per la realizzazione del prototipo dimostrativo si possono utilizzare dei piccoli display a LED a 7 segmenti.
Si dispone di clock di tipo TTL (se necessari) a qualsiasi frequenza.
N.B. Non si richiede il progetto dei due sensori.
Ecco cosa ho pensato e i dubbi che ho:
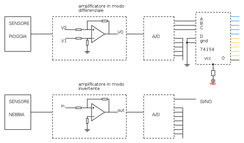
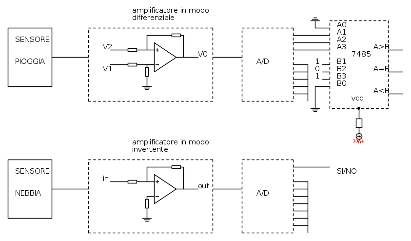
Voglio amplificare il segnale del sensore pioggia per eliminare rumori ecc. Ho deciso di usare un'amplificatore in modo differenziale. Ad ogni incremento di litri all'ora per metro quadrato vi è un incremento di 10mV. Volevo calcolarmi il guadagno A1 ma ci riesco. Vorrei dare un valore alla resistenza del partitore e alla resistenza di reazione negativa o retroazione.
Il segnale amplificato che supponiamo di essere ideale lo gestisco con un convertitore analogico/digitale. Ecco cosa ho pensato in questo caso.
Mi serve sapere solo quando la quantità di acqua sia 0, <5 (facciamo <=) e >5 e uso tre configurazioni per prendere questa informazione e inviarla al demux 4/16 per gestire il caso 0, i casi <=5 e per le restanti combinazioni >5.
Questa volta aplifico il segnale di nebbia con un amplificatore in modo invertente, ma ho dubbi in merito alla fattibilità. Il segnale amplificato convertito in digitale mi dirà se c'e nebbia o meno a seconda che la corrente id sia sotto o sopra 10microA ( anche qui magati facciamo <=).
I segnali vorrei inviarli a un encoder che mi farà contare un bcd per la velocità da segnalare sul display.
Scommetto di aver detto una serie di fesserie... spero di no

Elettrotecnica e non solo (admin)
Un gatto tra gli elettroni (IsidoroKZ)
Esperienza e simulazioni (g.schgor)
Moleskine di un idraulico (RenzoDF)
Il Blog di ElectroYou (webmaster)
Idee microcontrollate (TardoFreak)
PICcoli grandi PICMicro (Paolino)
Il blog elettrico di carloc (carloc)
DirtEYblooog (dirtydeeds)
Di tutto... un po' (jordan20)
AK47 (lillo)
Esperienze elettroniche (marco438)
Telecomunicazioni musicali (clavicordo)
Automazione ed Elettronica (gustavo)
Direttive per la sicurezza (ErnestoCappelletti)
EYnfo dall'Alaska (mir)
Apriamo il quadro! (attilio)
H7-25 (asdf)
Passione Elettrica (massimob)
Elettroni a spasso (guidob)
Bloguerra (guerra)






D1 interndetto e D2 in conduzione
D1 interdetto e D2 interdetto => Vo=0
D1 in codnuzione e D2 interdetto
. Sto sempre lontano da quello che c'e da fare ufff