DeMonio83924EL ha scritto:Si scusa... diamoci pure del tu! è che è un abitudine...
DeMonio83924EL ha scritto:hemmm...

che simbolo è quel cerchio con il più???? cosa significa??
Quel simbolo indica una EX-OR.
Questo è il simbolo circuitale:
in pratica quella porta realizza la funzione logica:

la sua tavola di verità è questa
si chiama OR esclusivo perché ... è esclusivo

, nel senso che l'uscita è vera quando almeno uno degli ingressi è vero (OR)
ma non entrambi.
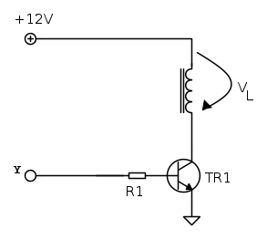
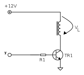
DeMonio83924EL ha scritto:1) che motivazione c'è per mettere il diodo lì?
Quel diodo serve per scaricare l'energia immagazzinata dall'induttore nel campo magnetico.
La corrente di un induttore non può variare istantaneamente, sicchè quando il transistore passa da ON a OFF (da saturazione ad interdizione) il circuito si dovrebbe interrompere bruscamente e quindi la corrente passare di colpo a zero.
Non essendo possibile (Legge di Lenz) la tensione ai capi dell'induttore cresce in modo da mantenere costante la corrente. Il verso della tensione è questo:
e quindi si somma al valore della tensione di alimentazione.
Questa tensione può raggiungere anche un centinaio di volt e far fuori senza pietà il povero transistor che si trova lì sotto.
Se aggiungiamo il diodo, quando TR1 passa da ON a OFF e la tensione ai capi dell'induttore (bobina del relè) assume quel verso, il diodo entra in conduzione, scaricando la bobina del relè e preservando il transistore.
DeMonio83924EL ha scritto:2) Per ricavare la formula: y=A'B+AC'+A'D+CD'+AB' hai usato la Mappa di Karnaugh?
No, per la verità l'ho vista senza farmi la mappa, ma dato che mi sono dimenticato l'ultimo implicante, probabilmente avrei fatto meglio a scrivermela su un pezzo di carta.
DeMonio83924EL ha scritto: perché ora avevo provato con quel metodo e mi risulta y=BC'+AB'+CD'+A'D... è giusta anche questa oppure ho sbagliato io?
è giusta. Ulteriore motivo per farmi la mappa
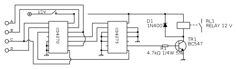
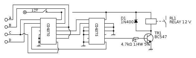
DeMonio83924EL ha scritto:3) che tu sappia fanno integrati logici che accettano segnali da 12 V?
Sì, la vecchia serie 4000, se non hai troppe esigenze.
Il CD4070 sono quattro EXOR a due ingressi e il CD4075 sono tre OR a tre ingressi.
Ricordati di collegare tutti gli ingressi che non usi o a 0V o a Vcc, in modo da essere immune al rumore.
Ciao,
Pietro.