Inserisco questo esercizio oltre che per avere una conferma sul corretto funzionamento anche per chi come me si è scritto a questo forum per iniziare a comprendere i circuiti elettronici e per potersi esercitare (il minimo che possa fare per sdebitarmi per l'aiuto che sto ricevendo).
TESTO:
Un motore passo-passo unipolare è costituito da quattro avvolgimenti la cui alimentazione consente lo spostamento (nei due sensi) o il bloccaggio del rotore. L’alimentazione delle quattro fasi deve avvenire applicando opportune sequenze di segnali digitali. Nella tabella seguente è descritta la sequenza degli stati assunti dai quattro avvolgimenti
STEP...Q1...Q2...Q3...Q4
..1.....ON..OFF..ON...OFF
..2.....ON..OFF..OFF...ON
..3.....OFF..ON..OFF...ON
..4.....OFF..ON..ON...OFF
A secondo dell’evoluzione della sequenza degli stati, la rotazione potrà essere oraria (CW) oppure antioraria (CCW).
Si realizzi il circuito di pilotaggio di un motore passo-passo unipolare. Il circuito deve essere provvisto di:
• un tasto di START/END;
• un selettore CW/CCW che stabilisca il verso di percorrenza del motore;
• un selettore a quattro posizioni che provveda a dimezzare la velocità per ogni posizione (rispetto alla velocità relativa alla posizione precedente), a partire da una velocità generica di riferimento.
Per la regolazione della velocità, si dispone di un solo clock a frequenza generica, settabile e resettabile tramite un impulso. Per tutte le operazioni per le quali sia necessario un circuito di temporizzazione, si può disporre di ulteriori clock.
SVOLGIMENTO:
Relazione tecnica:
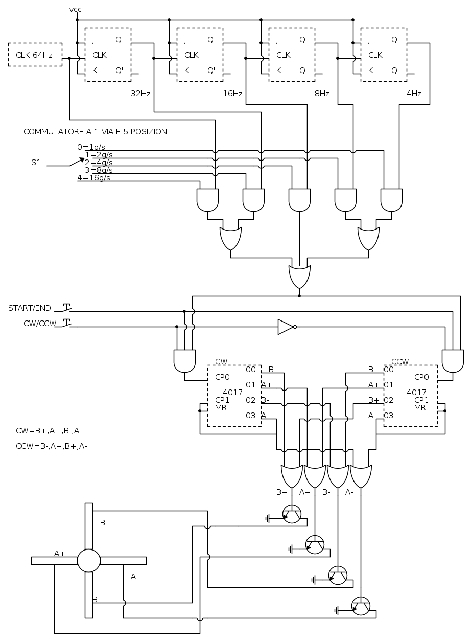
Per realizzare un motore passo-passo unipolare con regolazione di velocità si è utilizzato un generatore di clock a 64Hz e successivamente con un divisore di frequenza tramite FF-JK in cascata si sono ottenute le diverse frequenze che andranno a generare gli impulsi per far effettuare un giro al motore in tempi diversi.
Azionando il commutatore indicherò la velocità del motore, indicando con 0 che si trova alla velocità standard di 1 giro al secondo, salendo man mano a una velocità maggiore pari al doppio della precedente (mi sono accorto che il testo richiedeva il contrario, ma basta invertire i fili).
A questo punto, avendo selezionato la velocità, prendo la relativa frequenza per ottenere tale velocità e la collego a una porta AND. Così con le altre configurazioni. Unisco tutte le uscite a una OR che insieme ai pulsanti di START/END e CW/CCW regolerò il funzionamento.
CW= movimento orario del motore
CCW= movimento antiorario del motore
1=CW 0=CCW
Selezionata la modalità di utilizzo tramite il 4017 con gli impulsi che arrivano dal generatore di clock attivo sequenzialmente la parti del motore affinchè possa essere effettuato un giro orario o antiorario.
Motore passo-passo unipolare con regolatore di velocità
Moderatori:
carloc,
g.schgor,
BrunoValente,
IsidoroKZ
17 messaggi
• Pagina 1 di 2 • 1, 2
0
voti
c'è qualcosa che non mi convince sullo start/end e sul CW/CCW... sono pulsanti o interruttori?
poi non capisco il collegamento al motore come dovrebbe funzionare...
infine, il selettore non dovrebbe essere a 4 posizioni? (lo so, non cambia nulla, ma certi professori sono capaci di darti tutto sbagliato per una cosa così...)
poi non capisco il collegamento al motore come dovrebbe funzionare...
infine, il selettore non dovrebbe essere a 4 posizioni? (lo so, non cambia nulla, ma certi professori sono capaci di darti tutto sbagliato per una cosa così...)
Almeno l'itagliano sallo...
0
voti
li ho considerati come interruttori.
Io non ho capito il testo dell'esercizio a essere sincero. Ste Q1 Q2 Q3 Q4, ho pensato di farlo funzionare azionando sequenzialmente i giusti avvolgimenti. L'uscita 00 rappresenta quella che il testo dice on-off-on-off e così via.
Ho messo a 5 perché all'inizio avrà una posizione il selettore, quella di default che corrisponde a 1 g/s al secondo. Poi le altre 4 servono per regolare una velocità diversa dalla standard.
Io non ho capito il testo dell'esercizio a essere sincero. Ste Q1 Q2 Q3 Q4, ho pensato di farlo funzionare azionando sequenzialmente i giusti avvolgimenti. L'uscita 00 rappresenta quella che il testo dice on-off-on-off e così via.
Ho messo a 5 perché all'inizio avrà una posizione il selettore, quella di default che corrisponde a 1 g/s al secondo. Poi le altre 4 servono per regolare una velocità diversa dalla standard.
0
voti
ma se il problema chiede
che senso ha metterne uno a 5?
la prima posizione sarà la velocità base, le altre
rileggendo meglio mi pare manchi anche questo:
Linrush ha scritto:• un selettore a quattro posizioni che provveda a ...
che senso ha metterne uno a 5?
la prima posizione sarà la velocità base, le altre
rileggendo meglio mi pare manchi anche questo:
Linrush ha scritto:Per la regolazione della velocità, si dispone di un solo clock a frequenza generica, settabile e resettabile tramite un impulso.
Almeno l'itagliano sallo...
0
voti
ne ho messo uno in più per il motivo che ti dicevo, però vabè si può togliere una posizione.
Per la regolazione della velocità ho usato un clock a frequenza generica.. 64Hz. Settabile e resettabile tramite un impulso non capisco come potrei usarlo.
Come ho scritto all'inizio volevo anche una conferma se era corretto o meno. In questo momento non ho capito cosa non funziona
Per la regolazione della velocità ho usato un clock a frequenza generica.. 64Hz. Settabile e resettabile tramite un impulso non capisco come potrei usarlo.
Come ho scritto all'inizio volevo anche una conferma se era corretto o meno. In questo momento non ho capito cosa non funziona
0
voti
Ciao Linrush, qualche dubbio osservando lo schema che hai proposto, rispetto a quanto richiesto dal testo dell'esercizio, mi è venuto.
Però, magari mi sbaglio, vediamo una cosa alla volta.
E' una tua intenzione quella di usare i 4017 o c'è qualche altra direttiva ?
La domanda è dovuta dal fatto che, in tal caso, ad ogni clock viene attivata una uscita per volta, in sequenza (sono dei divisori ... per 8, per 10) e diversamente da quanto invece dovrebbe essere garantito dalla tabella (più di una uscita attiva contemporaneamente) per il pilotaggio dello stepper.
Correggimi se sbaglio, grazie.
Saluti
Però, magari mi sbaglio, vediamo una cosa alla volta.
E' una tua intenzione quella di usare i 4017 o c'è qualche altra direttiva ?
La domanda è dovuta dal fatto che, in tal caso, ad ogni clock viene attivata una uscita per volta, in sequenza (sono dei divisori ... per 8, per 10) e diversamente da quanto invece dovrebbe essere garantito dalla tabella (più di una uscita attiva contemporaneamente) per il pilotaggio dello stepper.
Correggimi se sbaglio, grazie.
Saluti
-

WALTERmwp
30,2k 4 8 13 - G.Master EY

- Messaggi: 8986
- Iscritto il: 17 lug 2010, 18:42
- Località: le 4 del mattino
0
voti
Ciao, possibilmente i dubbi che avete sono giusti. Io ho tentato una soluzione :)
Tutti i dati dell'esercizio sono quelli che ho scritto, non ci sono altre direttive. Ho utilizzato io il 4017 proprio perché ha la caratteristica di cambiare uscita ad ogni segnale di clock.
Sappiamo che ogni 4 impulsi viene effettuato un giro completo e per essere fatto bisogna sequenzialmente alimentare i giusti avvolgimenti. Sapendo questo Invio con un clock di frequenza multiplo di 4 segnali al 4017 che sequenzialmente andrà ad alimentare i giusti avvolgimenti. Maggiore è la frequenza, maggiore sarà la velocità e i giri al secondo.
La tabella io non l'ho capita molto, proprio quelle due uscite in on. Sapendo che un motore passo-passo unipolare a 5 fili funziona nel modo B+,A+,B-,A- in senso orario e alla fine l'esercizio vuole che il motore giri nei due versi, ho trovato (penso) la soluzione per farlo girare secondo questo funzionamento.
Come interpretate la tabella?
Tutti i dati dell'esercizio sono quelli che ho scritto, non ci sono altre direttive. Ho utilizzato io il 4017 proprio perché ha la caratteristica di cambiare uscita ad ogni segnale di clock.
Sappiamo che ogni 4 impulsi viene effettuato un giro completo e per essere fatto bisogna sequenzialmente alimentare i giusti avvolgimenti. Sapendo questo Invio con un clock di frequenza multiplo di 4 segnali al 4017 che sequenzialmente andrà ad alimentare i giusti avvolgimenti. Maggiore è la frequenza, maggiore sarà la velocità e i giri al secondo.
La tabella io non l'ho capita molto, proprio quelle due uscite in on. Sapendo che un motore passo-passo unipolare a 5 fili funziona nel modo B+,A+,B-,A- in senso orario e alla fine l'esercizio vuole che il motore giri nei due versi, ho trovato (penso) la soluzione per farlo girare secondo questo funzionamento.
Come interpretate la tabella?
0
voti
La tabella costituisce parte dei dati del problema ?
Se si, quella deve essere il riferimento poi, se vuoi, puoi approfondire l'effetto della sua applicazione ma il circuito deve essere fatto in modo da attualizzarla.
Per quanto detto prima, per esempio, al primo impulso che un 4017 riceve (a prescindere dalla frequenza selezionata) si attiva l'uscita "00" (B+) mentre in base al contenuto della tabella dovresti attivare, oltre all'uscita "00" (B+), anche l'uscita "02" (B-) se le associamo, rispettivamente, a Q1 e Q3.
In base a questa osservazione, al successivo impulso dovrebbero andare a "uno" le uscite "00" e "03" ... e così via.
Se ci si basa su questa interpretazione l'impiego dei 4017 non è funzionale allo scopo.
Se, per il momento, consideriamo "buona" la parte superiore del circuito deputata alla generazione/selezione della frequenza dell'impulso, la stessa cosa non vale per quanto riguarda la parte sottostante.
Se quanto sopra è corretto bisogna sostituire i 4017 con "una logica" che soddisfi la sequenza della tabella:
step_1 = 1010
step_2 = 1001
step_3 = 0101
step_4 = 0110
step_1 = 1010
ecc.
Saluti
Se si, quella deve essere il riferimento poi, se vuoi, puoi approfondire l'effetto della sua applicazione ma il circuito deve essere fatto in modo da attualizzarla.
Per quanto detto prima, per esempio, al primo impulso che un 4017 riceve (a prescindere dalla frequenza selezionata) si attiva l'uscita "00" (B+) mentre in base al contenuto della tabella dovresti attivare, oltre all'uscita "00" (B+), anche l'uscita "02" (B-) se le associamo, rispettivamente, a Q1 e Q3.
In base a questa osservazione, al successivo impulso dovrebbero andare a "uno" le uscite "00" e "03" ... e così via.
Se ci si basa su questa interpretazione l'impiego dei 4017 non è funzionale allo scopo.
Se, per il momento, consideriamo "buona" la parte superiore del circuito deputata alla generazione/selezione della frequenza dell'impulso, la stessa cosa non vale per quanto riguarda la parte sottostante.
Se quanto sopra è corretto bisogna sostituire i 4017 con "una logica" che soddisfi la sequenza della tabella:
step_1 = 1010
step_2 = 1001
step_3 = 0101
step_4 = 0110
step_1 = 1010
ecc.
Saluti
-

WALTERmwp
30,2k 4 8 13 - G.Master EY

- Messaggi: 8986
- Iscritto il: 17 lug 2010, 18:42
- Località: le 4 del mattino
0
voti
Si la tabella descrive il funzionamento del motore nei due versi.
La cosa dubbia e che un motore passo passo per girare in un verso deve seguire le direttive di abilitazione degli avvoglimenti uno a uno non due a due come dice l'esercizio. La domanda è: Esiste un motore passo passo che funziona così?
Ipotizziamo esista comunque.
Sempre utilizzando il 4017 (ma correggimi se è sbagliato) quando arrivano i 4 impulsi avrò:
- primo impulso abilito B+,B-
- secondo impulso B+,A-
- terzo A+,A-
- quarto A+,B-
In tal modo il giro è completo
La cosa dubbia e che un motore passo passo per girare in un verso deve seguire le direttive di abilitazione degli avvoglimenti uno a uno non due a due come dice l'esercizio. La domanda è: Esiste un motore passo passo che funziona così?
Ipotizziamo esista comunque.
Sempre utilizzando il 4017 (ma correggimi se è sbagliato) quando arrivano i 4 impulsi avrò:
- primo impulso abilito B+,B-
- secondo impulso B+,A-
- terzo A+,A-
- quarto A+,B-
In tal modo il giro è completo
0
voti
... se continui a porti il problema dell'attendibilità dell'applicazione di quella tabella in merito al criterio di pilotaggio del motore distogli l'attenzione dalla risoluzione del problema, a mio avviso.
La tabella è quella: applicala.
Non mi porrei il problema; se poi stabilisci che non è corretta, lo fai presente ... ma intanto cerca una soluzione in base ai dati dell'esercizio.
Se vuoi, puoi approfondire i criteri di controllo di un passo-passo ... e fai bene ... ma è un altro discorso.
Ora, quando arriva "un impulso" (uno per ogni step della tabella) al 4017, questo attiva "una sola uscita" (vale per il 4017, 4022 ...) e non "due uscite" come a te occorre.
Verifica, se puoi, sul data-sheet di un integrato in causa.
Ad ogni step della tabella, invece, devono risultare attive sempre due uscite delle quattro con le quali dovresti pilotare gli NPN.
Per questo vuoi impiegare il 4017 ?
Va bene ... ma fai vedere come lo adatti allo scopo, se ci riesci.
Saluti
La tabella è quella: applicala.
Non mi porrei il problema; se poi stabilisci che non è corretta, lo fai presente ... ma intanto cerca una soluzione in base ai dati dell'esercizio.
Se vuoi, puoi approfondire i criteri di controllo di un passo-passo ... e fai bene ... ma è un altro discorso.
Ora, quando arriva "un impulso" (uno per ogni step della tabella) al 4017, questo attiva "una sola uscita" (vale per il 4017, 4022 ...) e non "due uscite" come a te occorre.
Verifica, se puoi, sul data-sheet di un integrato in causa.
Ad ogni step della tabella, invece, devono risultare attive sempre due uscite delle quattro con le quali dovresti pilotare gli NPN.
Per questo vuoi impiegare il 4017 ?
Va bene ... ma fai vedere come lo adatti allo scopo, se ci riesci.
Saluti
-

WALTERmwp
30,2k 4 8 13 - G.Master EY

- Messaggi: 8986
- Iscritto il: 17 lug 2010, 18:42
- Località: le 4 del mattino
17 messaggi
• Pagina 1 di 2 • 1, 2
Chi c’è in linea
Visitano il forum: Nessuno e 228 ospiti

Elettrotecnica e non solo (admin)
Un gatto tra gli elettroni (IsidoroKZ)
Esperienza e simulazioni (g.schgor)
Moleskine di un idraulico (RenzoDF)
Il Blog di ElectroYou (webmaster)
Idee microcontrollate (TardoFreak)
PICcoli grandi PICMicro (Paolino)
Il blog elettrico di carloc (carloc)
DirtEYblooog (dirtydeeds)
Di tutto... un po' (jordan20)
AK47 (lillo)
Esperienze elettroniche (marco438)
Telecomunicazioni musicali (clavicordo)
Automazione ed Elettronica (gustavo)
Direttive per la sicurezza (ErnestoCappelletti)
EYnfo dall'Alaska (mir)
Apriamo il quadro! (attilio)
H7-25 (asdf)
Passione Elettrica (massimob)
Elettroni a spasso (guidob)
Bloguerra (guerra)



