Motore passo-passo unipolare con regolatore di velocità
Moderatori:
carloc,
g.schgor,
BrunoValente,
IsidoroKZ
17 messaggi
• Pagina 2 di 2 • 1, 2
0
voti
... così mi pare vada molto ma molto meglio.
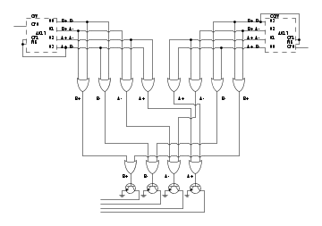
Ora, se ci si deve "calare nella realtà", e quindi farlo funzionare vorrei capire per quale motivo colleghi l'uscita "03" all'ingresso CP1 e MR.
Uno di questi per te rappresenta il reset ?
In tal caso ho dei dubbi sul fatto che possa "girare" correttamente: sto però dando una interpretazione.
Se le cose stanno così sostituirei intanto il 4017 con il 4022 (che è un divisore per 8) e, lasciando stare al momento CP1 ed MR, collegherei anche le altre uscite alle porte OR ovvero: numerando le uscite del 4022 come "00", "01" .... "07", nel tuo ultimo schema matterei la "04" insieme alla "00"
quindi la "05" con la "01", la "06" con la "02" e la "07" con la "03.
In questo modo non ti devi preoccupare di gestire il reset del 4022 mentre per "bloccare" la rotazione del motore, senza interferire sul segnale di clock, si potrebbe utilizzare l'ingresso "clock enable".
Questo, infatti, sempre che non mi sbagli, se lo poni a 1 congeli lo stato delle uscite del 4022 e di conseguenza blocchi anche la rotazione del motore.
Saluti
Ora, se ci si deve "calare nella realtà", e quindi farlo funzionare vorrei capire per quale motivo colleghi l'uscita "03" all'ingresso CP1 e MR.
Uno di questi per te rappresenta il reset ?
In tal caso ho dei dubbi sul fatto che possa "girare" correttamente: sto però dando una interpretazione.
Se le cose stanno così sostituirei intanto il 4017 con il 4022 (che è un divisore per 8) e, lasciando stare al momento CP1 ed MR, collegherei anche le altre uscite alle porte OR ovvero: numerando le uscite del 4022 come "00", "01" .... "07", nel tuo ultimo schema matterei la "04" insieme alla "00"
quindi la "05" con la "01", la "06" con la "02" e la "07" con la "03.
In questo modo non ti devi preoccupare di gestire il reset del 4022 mentre per "bloccare" la rotazione del motore, senza interferire sul segnale di clock, si potrebbe utilizzare l'ingresso "clock enable".
Questo, infatti, sempre che non mi sbagli, se lo poni a 1 congeli lo stato delle uscite del 4022 e di conseguenza blocchi anche la rotazione del motore.
Saluti
-

WALTERmwp
30,2k 4 8 13 - G.Master EY

- Messaggi: 8986
- Iscritto il: 17 lug 2010, 18:42
- Località: le 4 del mattino
0
voti
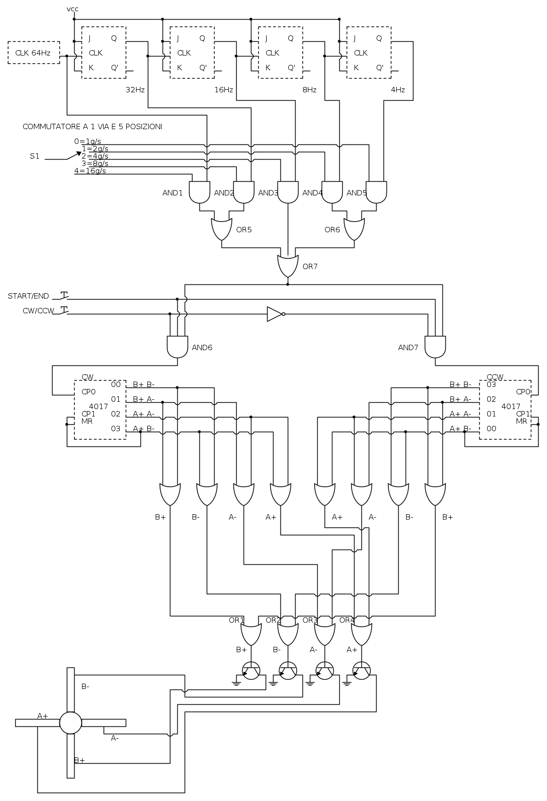
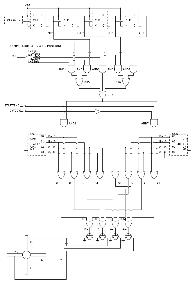
Si CP1 ed MR li uso per il reset. Ho scelto di fare in questo modo per non aggiungere ulteriori porte OR e complicare il circuito. In questo modo ottengo lo stesso risultato. Ho cercato il CE come poterlo usare per il blocco mtore ma nn ho trovato il funzionamento del pin dul datasheet.
Comunque attualmente se l'interruttore è OFF la AND da 0 e non parte il giro del motore, e funziona anche se il giro del motore non è completato volendo bloccarlo all'istante.
Hai ragione nel dire di svolgere l'esercizio per come è impostato, ma io avrei aperto una polemica in esame
Comunque attualmente se l'interruttore è OFF la AND da 0 e non parte il giro del motore, e funziona anche se il giro del motore non è completato volendo bloccarlo all'istante.
Hai ragione nel dire di svolgere l'esercizio per come è impostato, ma io avrei aperto una polemica in esame
0
voti
Ora, per apportare ulteriori modifiche/correzioni allo schema, sarebbe il caso di sistemarlo in base a quanto hai riportato in [11]; questo sempre ammesso che tu ritenga di dover proseguire.
Dal mio punto di vista c'è ancora da intervenire, sopratutto se deve rispecchiare un progetto da riprodurre in pratica (poi su certi dettagli si può "sorvolare").
Se lo sistemi dovresti anche numerare le porte logiche in modo tale che sia semplice identificarle nel corso della discussione, riportare/correggere la sigla dell'integrato e allineare la dicitura, degli input/output dello stesso, con quella di un datasheet.
In questo modo diventerebbe più semplice proseguire e si eviterebbero anche possibili fraintendimenti.
Buona prosecuzione.
Saluti
Dal mio punto di vista c'è ancora da intervenire, sopratutto se deve rispecchiare un progetto da riprodurre in pratica (poi su certi dettagli si può "sorvolare").
Se lo sistemi dovresti anche numerare le porte logiche in modo tale che sia semplice identificarle nel corso della discussione, riportare/correggere la sigla dell'integrato e allineare la dicitura, degli input/output dello stesso, con quella di un datasheet.
In questo modo diventerebbe più semplice proseguire e si eviterebbero anche possibili fraintendimenti.
Buona prosecuzione.
Saluti
-

WALTERmwp
30,2k 4 8 13 - G.Master EY

- Messaggi: 8986
- Iscritto il: 17 lug 2010, 18:42
- Località: le 4 del mattino
0
voti
0
voti
Ciao Linrush ... intanto complimenti per la tua operosità.
Allora ...
Invece ...
In questa condizione, anche se c'è alimentazione sui poli del motore, questo comunque non gira perché non c'è più l'effetto del trascinamento del campo magnetico rispetto ai poli, cosa che si verifica invece se c'è variazione di combinazioni nell'applicazione dell'alimentazione dei poli.
Con quanto presupposto non sarebbe necessario ricorrere all'impiego dell'ingresso di RESET.
Per quanto riguarda il clock, se ti chiede di potere selezionare tra quattro frequenze, eliminerei la AND1 che hai impiegato per veicolare la frequenza primaria (64Hz); così non servirebbe nemmeno la OR5 e l'uscita della AND2 andrebbe direttamente su OR7.
Poi, START/END e CW/CCW sarebbe meglio rappresentarli come selettori: ognuno dei due dovrebbe consentire di portare sulle porte AND7 e AND6 sia lo stato logico uno che lo zero (in tal caso la gestione del CE sarebbe ridondante).
Per ora è quanto, valuta tu.
Buon lavoro.
Saluti
Allora ...
... presupponendo di utilizzare il 4022, per quanto ho scritto nel [12], potresti collegare direttamente (mettere in cortocircuito, per semplificare, quindi "sorvoliamo" sugli aspetti relativi a queste connessioni ... senza banalizzarli nel caso in cui lo dovessimo cablare veramente) la quinta uscita (diciamo "04") con la prima cioè "00"; e così anche le altre uscite. In tal modo non devi ricorrere ad altre porte OR ed in più lasci "girare" liberamente il 4022 che continua ciclicamente a contare attivando in sequenza le uscite dalla "00" alla "07" per po riprendere con la "00" ... e così via. Praticamente, il 4022, in una sequenza di conteggio da "00" a "07" fa fare due giri al motore.Linrush ha scritto:Si CP1 ed MR li uso per il reset. Ho scelto di fare in questo modo per non aggiungere ulteriori porte OR e complicare il circuito.
Invece ...
... nel Timing Diagram del datasheet, a meno che mi confonda, si osserva che se il clock enable (CE) viene lasciato a uno gli output (tutti) rimangono nello stato in cui si trovano perché il conteggio non prosegue.Linrush ha scritto: Ho cercato il CE come poterlo usare per il blocco mtore ma non ho trovato il funzionamento del pin dul datasheet.
In questa condizione, anche se c'è alimentazione sui poli del motore, questo comunque non gira perché non c'è più l'effetto del trascinamento del campo magnetico rispetto ai poli, cosa che si verifica invece se c'è variazione di combinazioni nell'applicazione dell'alimentazione dei poli.
Con quanto presupposto non sarebbe necessario ricorrere all'impiego dell'ingresso di RESET.
Per quanto riguarda il clock, se ti chiede di potere selezionare tra quattro frequenze, eliminerei la AND1 che hai impiegato per veicolare la frequenza primaria (64Hz); così non servirebbe nemmeno la OR5 e l'uscita della AND2 andrebbe direttamente su OR7.
Poi, START/END e CW/CCW sarebbe meglio rappresentarli come selettori: ognuno dei due dovrebbe consentire di portare sulle porte AND7 e AND6 sia lo stato logico uno che lo zero (in tal caso la gestione del CE sarebbe ridondante).
Per ora è quanto, valuta tu.
Buon lavoro.
Saluti
-

WALTERmwp
30,2k 4 8 13 - G.Master EY

- Messaggi: 8986
- Iscritto il: 17 lug 2010, 18:42
- Località: le 4 del mattino
17 messaggi
• Pagina 2 di 2 • 1, 2
Chi c’è in linea
Visitano il forum: Nessuno e 55 ospiti

Elettrotecnica e non solo (admin)
Un gatto tra gli elettroni (IsidoroKZ)
Esperienza e simulazioni (g.schgor)
Moleskine di un idraulico (RenzoDF)
Il Blog di ElectroYou (webmaster)
Idee microcontrollate (TardoFreak)
PICcoli grandi PICMicro (Paolino)
Il blog elettrico di carloc (carloc)
DirtEYblooog (dirtydeeds)
Di tutto... un po' (jordan20)
AK47 (lillo)
Esperienze elettroniche (marco438)
Telecomunicazioni musicali (clavicordo)
Automazione ed Elettronica (gustavo)
Direttive per la sicurezza (ErnestoCappelletti)
EYnfo dall'Alaska (mir)
Apriamo il quadro! (attilio)
H7-25 (asdf)
Passione Elettrica (massimob)
Elettroni a spasso (guidob)
Bloguerra (guerra)


