Modifiche a stampante 3D
50 messaggi
• Pagina 2 di 5 • 1, 2, 3, 4, 5
0
voti
Scusate ma non si vedono 2 fili... non capisco... su fidocad ci sono... 
-

DeMonio83924EL
78 3 7 - Frequentatore

- Messaggi: 231
- Iscritto il: 24 ott 2009, 23:02
2
voti
Boh, non le vedo.
E' questo lo schema che volevi postare?
E' questo lo schema che volevi postare?
-

PietroBaima
90,7k 7 12 13 - G.Master EY

- Messaggi: 12206
- Iscritto il: 12 ago 2012, 1:20
- Località: Londra
0
voti
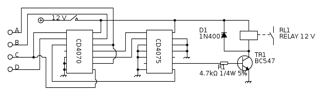
Esatto... proprio questo!
Va bene?!
Ho scaricato i datasheet dei componenti per sapere i pin... dovrebbero esser giusti!
Come mai al mio post non si vedono 2 collegamenti?!
Va bene?!
Ho scaricato i datasheet dei componenti per sapere i pin... dovrebbero esser giusti!
Come mai al mio post non si vedono 2 collegamenti?!
-

DeMonio83924EL
78 3 7 - Frequentatore

- Messaggi: 231
- Iscritto il: 24 ott 2009, 23:02
3
voti
DeMonio83924EL ha scritto:Va bene?!
Sì, va bene, ma che fatica controllare tutto seguendo le connessioni sugli integrati.
Esiste un modo migliore e più comprensibile per fare gli schemi elettrici logici e cioè
riportare le porte logiche da sole (per esempio fai riferimento alla EXOR che ti avevo disegnato
qualche post fa e scrivere il numero del pin vicino agli ingressi.)
In questo modo la comprensione aumenta molto.
Se vuoi puoi dare anche una occhiata a questo articolo, contenente dei consigli per il disegno tecnico.
DeMonio83924EL ha scritto:Ho scaricato i datasheet dei componenti per sapere i pin... dovrebbero esser giusti!
Lo sono, lo schema è ok.
Aggiungi però le capacità di by-pass, cioè due condensatori da 100nF collegati il più vicino possibile alle alimentazioni degli integrati (tra pin 14 e 7, in pratica). In questo modo l'alimentazione sarà più immune ai disturbi dati dalle commutazioni delle uscite.
DeMonio83924EL ha scritto:Come mai al mio post non si vedono 2 collegamenti?!
Purtroppo non ne ho idea. Ho aggiunto i collegamenti mancanti secondo logica, ma prima di procedere al controllo ho preferito chiederti se fosse stato lo schema elettrico che avevi in mente tu.
Ciao,
buona fortuna col tuo progetto!
Pietro.
-

PietroBaima
90,7k 7 12 13 - G.Master EY

- Messaggi: 12206
- Iscritto il: 12 ago 2012, 1:20
- Località: Londra
1
voti
PietroBaima ha scritto:Se vuoi puoi dare anche una occhiata a questo articolo, contenente dei consigli per il disegno tecnico.
Ok grazie del consiglio!
PietroBaima ha scritto:Aggiungi però le capacità di by-pass.
Lo farò! Sei stato chiarissimo!
PietroBaima ha scritto:buona fortuna col tuo progetto!
Grazie mille di tutto sai! Gentilissimo!
-

DeMonio83924EL
78 3 7 - Frequentatore

- Messaggi: 231
- Iscritto il: 24 ott 2009, 23:02
0
voti
Ciao! Sono nuovamente qui a rompere le scatole...
Ma oggi mi è sorto un dubbio... non è meglio mettere delle resistenze ai miei 4 segnali prima dell'integrato 4070? oppure gli input nel 4070 rimangono come fosse circuito aperto?
Grazie
P.S. ho ordinato i componenti, per il week-end dovrebbero essere qui... così testerò subito il circuito!
Ma oggi mi è sorto un dubbio... non è meglio mettere delle resistenze ai miei 4 segnali prima dell'integrato 4070? oppure gli input nel 4070 rimangono come fosse circuito aperto?
Grazie
P.S. ho ordinato i componenti, per il week-end dovrebbero essere qui... così testerò subito il circuito!
-

DeMonio83924EL
78 3 7 - Frequentatore

- Messaggi: 231
- Iscritto il: 24 ott 2009, 23:02
0
voti
Non ho capito.
Cosa vorresti mettere, dove e perché?
Cosa vorresti mettere, dove e perché?
-

PietroBaima
90,7k 7 12 13 - G.Master EY

- Messaggi: 12206
- Iscritto il: 12 ago 2012, 1:20
- Località: Londra
0
voti
Scusa se non sono stato chiaro!
Siccome non so se ci sono già delle resistenze sull'uscita del motore in questione (cioè i nostri 4 segnali 0-12V denominati A, B, C e D.) per limitare la corrente circolante... Quindi mi era venuto il dubbio che mi friggesse il CD4070... Allora avevo pensato di porre 1 resistenza in serie prima dell'input all'integrato per ognuno dei 4 segnali.
Mi sono spiegato meglio ora?
è un reale problema o sono io che mi faccio le "pippe" mentali
Siccome non so se ci sono già delle resistenze sull'uscita del motore in questione (cioè i nostri 4 segnali 0-12V denominati A, B, C e D.) per limitare la corrente circolante... Quindi mi era venuto il dubbio che mi friggesse il CD4070... Allora avevo pensato di porre 1 resistenza in serie prima dell'input all'integrato per ognuno dei 4 segnali.
Mi sono spiegato meglio ora?
è un reale problema o sono io che mi faccio le "pippe" mentali
-

DeMonio83924EL
78 3 7 - Frequentatore

- Messaggi: 231
- Iscritto il: 24 ott 2009, 23:02
0
voti
Dipende da che segnale esce dalle uscite che vuoi collegare ad ABCD.
Se esce un segnale logico 0-12V direi che non c'è problema, se esce qualcosa di diverso potrebbero essere necessarie delle resistenze in serie agli ingressi o qualcosa d'altro, in funzione di come è fatto il segnale.
Riesci a dirmi di più su questi segnali?
Se esce un segnale logico 0-12V direi che non c'è problema, se esce qualcosa di diverso potrebbero essere necessarie delle resistenze in serie agli ingressi o qualcosa d'altro, in funzione di come è fatto il segnale.
Riesci a dirmi di più su questi segnali?
-

PietroBaima
90,7k 7 12 13 - G.Master EY

- Messaggi: 12206
- Iscritto il: 12 ago 2012, 1:20
- Località: Londra
0
voti
Guarda purtroppo non possiedo un oscilloscopio... quei segnali servono a far muovere un motore passo-passo a 2 bobine... è tutto quello che so... 
-

DeMonio83924EL
78 3 7 - Frequentatore

- Messaggi: 231
- Iscritto il: 24 ott 2009, 23:02
50 messaggi
• Pagina 2 di 5 • 1, 2, 3, 4, 5
Torna a Costruzione, riparazione, riutilizzo
Chi c’è in linea
Visitano il forum: Nessuno e 45 ospiti

Elettrotecnica e non solo (admin)
Un gatto tra gli elettroni (IsidoroKZ)
Esperienza e simulazioni (g.schgor)
Moleskine di un idraulico (RenzoDF)
Il Blog di ElectroYou (webmaster)
Idee microcontrollate (TardoFreak)
PICcoli grandi PICMicro (Paolino)
Il blog elettrico di carloc (carloc)
DirtEYblooog (dirtydeeds)
Di tutto... un po' (jordan20)
AK47 (lillo)
Esperienze elettroniche (marco438)
Telecomunicazioni musicali (clavicordo)
Automazione ed Elettronica (gustavo)
Direttive per la sicurezza (ErnestoCappelletti)
EYnfo dall'Alaska (mir)
Apriamo il quadro! (attilio)
H7-25 (asdf)
Passione Elettrica (massimob)
Elettroni a spasso (guidob)
Bloguerra (guerra)
pigreco]=π