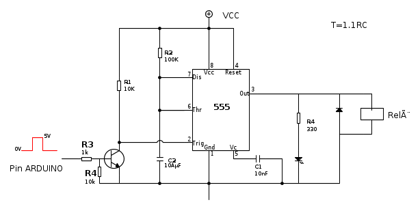
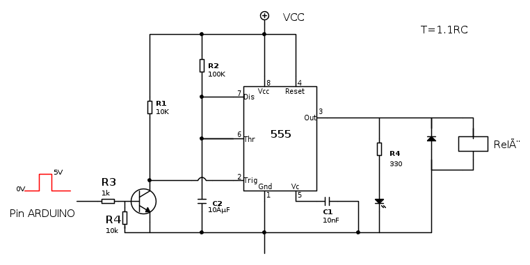
GiulioB ha scritto:Scusate l'intromissione, perché comandi il relay direttamente dal 555? Non sarebbe meglio interporre un transistor?
Ciao grazie per esserti unito alla discussione. Puoi spiegarmi perché sarebbe meglio mettere un transistor prima del relè? Mi sono avvicinato da poco al mondo dell'elettronica ed ho ancora poca esperienza

Elettrotecnica e non solo (admin)
Un gatto tra gli elettroni (IsidoroKZ)
Esperienza e simulazioni (g.schgor)
Moleskine di un idraulico (RenzoDF)
Il Blog di ElectroYou (webmaster)
Idee microcontrollate (TardoFreak)
PICcoli grandi PICMicro (Paolino)
Il blog elettrico di carloc (carloc)
DirtEYblooog (dirtydeeds)
Di tutto... un po' (jordan20)
AK47 (lillo)
Esperienze elettroniche (marco438)
Telecomunicazioni musicali (clavicordo)
Automazione ed Elettronica (gustavo)
Direttive per la sicurezza (ErnestoCappelletti)
EYnfo dall'Alaska (mir)
Apriamo il quadro! (attilio)
H7-25 (asdf)
Passione Elettrica (massimob)
Elettroni a spasso (guidob)
Bloguerra (guerra)





pigreco]=π

)