Fotovoltaico, intervento differenziale
Moderatori:
sebago,
MASSIMO-G,
lillo,
Mike
45 messaggi
• Pagina 3 di 5 • 1, 2, 3, 4, 5
0
voti
Postiamo una soluzione: credo che la connessione corretta sia quella che ho postato in figura allegata nei post precedenti, mentre il differenziale da 0,3A tipo A - inserito in fase di progetto sulla linea del FV è certamente corretto se previsto dal produttore dell'inverter; non ho verificato nei data sheet ma mi fido.
0
voti
scusate, mi collego solo adesso.
Non ho fidocad per fare uno schemino, al massimo lunedi posso fare il pdf del progetto.
Collegamenti: l'uscita dell'inverter va a monte del mtd 0,3, da sotto il mtd parte la linea 3G6 collegata sotto ad un mt nel quadro abitazione. Tale mt è in parallelo agli altri mt abitazione sotto al mtd generale cui sopra è collegato il contatore di scambio (unico contatore presente, ha usufruito delle detrazioni).
Lo strano è che quando piove e non produce resta tutto collegato, il difetto si presenta principalmente quando ci sono piogge improvvise durante la produzione.
Volevo provare a spostare il mt nel quadro generale in parallelo al mtd con poi un int generale a monte per fare una prova ma il progettista dissente.
Non ho fidocad per fare uno schemino, al massimo lunedi posso fare il pdf del progetto.
Collegamenti: l'uscita dell'inverter va a monte del mtd 0,3, da sotto il mtd parte la linea 3G6 collegata sotto ad un mt nel quadro abitazione. Tale mt è in parallelo agli altri mt abitazione sotto al mtd generale cui sopra è collegato il contatore di scambio (unico contatore presente, ha usufruito delle detrazioni).
Lo strano è che quando piove e non produce resta tutto collegato, il difetto si presenta principalmente quando ci sono piogge improvvise durante la produzione.
Volevo provare a spostare il mt nel quadro generale in parallelo al mtd con poi un int generale a monte per fare una prova ma il progettista dissente.
0
voti
batfab ha scritto:...Non ho fidocad per fare uno schemino ...
In questa pagina vai su "Help"->"Fidocad e Fidocaj" e te lo scarichi.
Non lo devi neanche installare.
"La follia sta nel fare sempre la stessa cosa aspettandosi risultati diversi".
"Parla soltanto quando sei sicuro che quello che dirai è più bello del silenzio".
Rispondere è cortesia, ma lasciare l'ultima parola ai cretini è arte.
"Parla soltanto quando sei sicuro che quello che dirai è più bello del silenzio".
Rispondere è cortesia, ma lasciare l'ultima parola ai cretini è arte.
-

TardoFreak
73,9k 8 12 13 - -EY Legend-

- Messaggi: 15754
- Iscritto il: 16 dic 2009, 11:10
- Località: Torino - 3° pianeta del Sistema Solare
2
voti
1
voti
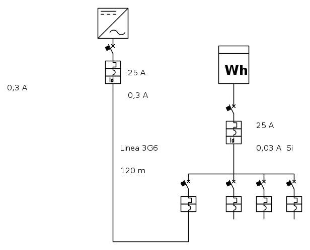
Io l'avrei collegato così.
Se non riesci a rispettare la condizione dei 3 metri nei tratti rossi aggiungi un unico DG immediatamente a valle del contatore.
Ultimo appunto: una linea da 6 mmq per 120 m e 3 kW mi pare un dimensionamento fatto davvero al risparmio...
-

Giovepluvio
5.978 3 6 10 - G.Master EY

- Messaggi: 2947
- Iscritto il: 21 dic 2010, 1:10
- Località: Mantova
0
voti
Io l'avrei collegato così.
Se non riesci a rispettare la condizione dei 3 metri nei tratti rossi aggiungi un unico DG immediatamente a valle del contatore.
Ultimo appunto: una linea da 6 mmq per 120 m e 3 kW mi pare un dimensionamento fatto davvero al risparmio...
Non ci credo..! quoto l'ulitimo intervento di Giovepluvio , è quello che ho faticosamente dettato in questo post e in un altro argomento analogo in questo portale, dove sono stato bannato a dovere.
La normativa, consente di associarsi anche in paralello a monte dei morsetti del primo generale, e vieta di associarsi in parallelo ai morsetti del Gem. E' prassi associarsi come previsto ai morsetti a monte del Generale in parallelo ad essi. interferire con la linea montante interfacciando una morsettiera non lo trovo consono con le prescrizioni in ordine alla posa di questa linea, per opportunismo grafico spesso i progetti sono serigrafati in tal modo come in figura, ma è solo una formalità.
0
voti
elettro ha scritto:Non ci credo..! quoto l'ulitimo intervento di Giovepluvio
Beh, non sarò
è quello che ho faticosamente dettato in questo post e in un altro argomento analogo in questo portale, dove sono stato bannato a dovere.
Per capire che avresti voluto dire questo ci sarebbe voluta la palla di vetro.
La normativa, consente di associarsi anche in paralello a monte dei morsetti del primo generale, e vieta di associarsi in parallelo ai morsetti del Gem.
E ci risiamo... Ho capito cosa vuoi dire ma scritta in questo modo è una delle tue solite inesattezze! Per non dire altro...
Secondo appunto che mi sono già permesso di farti: quando dici "la normativa" cita anche il numero ed il paragrafo della norma. Altrimenti è aria fritta.
Tanto per dire... La CEI 0-21 prescrive che il cavo di collegamento di DG (o DGL) al PdC sia costituito da un solo conduttore per ciascuno dei morsetti del
contatore art.7.4.4, avresti dovuto dirla così.
E' prassi associarsi come previsto ai morsetti a monte del Generale in parallelo ad essi. interferire con la linea montante interfacciando una morsettiera non lo trovo consono con le prescrizioni in ordine alla posa di questa linea,
Devi segnalarlo al prof. Carrescia allora perché la pensa diversamente da te. Vedi Tuttonormel aprile 2012 pag. 14.
per opportunismo grafico spesso i progetti sono serigrafati in tal modo come in figura, ma è solo una formalità.

-

Giovepluvio
5.978 3 6 10 - G.Master EY

- Messaggi: 2947
- Iscritto il: 21 dic 2010, 1:10
- Località: Mantova
1
voti
Beh, non sarò Mike ma qualche volta ci azzecco pure io.
Neppure io ho la comepetenza di Mike, intervengo solo quando penso di avere contezza di quello che scrivo, almeno ci provo.
E ci risiamo... Ho capito cosa vuoi dire ma scritta in questo modo è una delle tue solite inesattezze! Per non dire altro...
Secondo appunto che mi sono già permesso di farti: quando dici "la normativa" cita anche il numero ed il paragrafo della norma. Altrimenti è aria fritta.
Tanto per dire... La CEI 0-21 prescrive che il cavo di collegamento di DG (o DGL) al PdC sia costituito da un solo conduttore per ciascuno dei morsetti del
contatore art.7.4.4, avresti dovuto dirla così.
Quoto il tuo intervento, hai ragione... dopo quello che ho letto in ordine al problema in essere ed alle difficoltà nel rappresentare il metodo di allacciamento corretto - con i miei interventi taggati a raffica - dovevo essere esaustivo, e spiegare passo-passo come e dove collegare i conduttori, magari anche come "spellare il cavo", oppure se usare una morsettiera o fare delle giunzioni volanti. Pensavo che lo schema funzionale fosse esaustivo, ho dato per scontato i concetti più basilari, ma ho commesso un errore.
Riguardo a questo post e al problema in essere - di cui discutiamo, come ho detto avevo attivato anche una ricerca sulla rete, e con uin po di fortuna ho letto il testo di un problema analogo di un impianto FV posto in ambiente residenziale con scambio sul posto e medesima associazione all'impianto utente.. Stesso problema con l'avvento della pioggia. Il committente - afferrato in elettrotecnica non ha trovava il "bandolo della matassa", con il senno di poi, ha interpellato dei professionisti diversi da chi ha progettato l'impianto e lo ha installato, ha fatto rettificare le modalità di allacciamento all'impianto utente come indicato nella figura ultima postata in questo topic, il risultato è stato la soluzione del problema.
Sulle cause di questo inconveniente, lascio da parte la mia tesi onde evitare inutili polemiche.
Di fatto, l'impianto FV è rappresentato o da considerare come un mero GE di corrente, mentre la rete è rappresentata come un GE di tensione, il GE di corrente dove lo vogliamo allacciare...?? a monte dell'impianto utente ed in parallelo alla rete..? o in una diramazione dell'impianto utente a caso..??
Ora, io non so se nel caso in esame, l'impianto è stato progettato ed installato in difformità rispetto al progetto, o se c'e' una concausa di volontà tra progetto ed installazione, in molti casi gli "ingegneri-progettisti" redigono il progetto e le pratiche, mentre l'installatore esegue il resto, anche il collaudo dell'inverter e dell'impianto, compreso l'allacciamento. Di solito per piccoli impianti l'ingegnere non sopraggiuinge sul luogo. Io non so chi ha valutato in questo modo l'impainto, sarà cura del committente capire e e tutelarsi in merito.
Cerco sulla rete l'intervento di Carrescia..lo leggerò con interesse...
0
voti
elettro ha scritto:Di fatto, l'impianto FV è rappresentato o da considerare come un mero GE di corrente, mentre la rete è rappresentata come un GE di tensione, il GE di corrente dove lo vogliamo allacciare...?? a monte dell'impianto utente ed in parallelo alla rete..? o in una diramazione dell'impianto utente a caso..??
Va bene, ci rinuncio.

-

Giovepluvio
5.978 3 6 10 - G.Master EY

- Messaggi: 2947
- Iscritto il: 21 dic 2010, 1:10
- Località: Mantova
0
voti
Posso giocare l'ultima carta, ti posto la mia guida della Ab* in pdf - al capitolo 2/ 2.1 è serigrafato il circuito funzionale con la spiegazione e definizione dell'impainto FV dal punto di vista prettamente "Eleettrotecnico"..
http://www-3.unipv.it/ingegneria/copist ... ltaici.pdf
Al cap 2 pag 37 / 2.1 + cap 4.1 - troverei lo chema funzionel ove spiegato cos'e' un generatore FV.
Al cap 6.pag 45 / 6.1.2 + 6.1.3 c'e' una rappresentazione dei problemi derivati dalle celle in caso di guasto o ombreggiamento e il comportamento dell'inverter.
Andiamo avanti...
http://www.conergy.it/portaldata/1/reso ... mi_def.pdf
pagina 9 e 11 - impianto da 3kWp residenziale - schema elettrico unifilare + 5kwP residenziale.
Nelgi schemi elettrici c'e' l'indice della linea FV lato AC dopo la protezione di l'interfaccia - verso le utenze...questo un nvuole dire che lo si può associare ad ogni ramo dell'impianto a piacimento...
Nella guida Abb, c'e' anche una spiegazione in ordine al guasto o ombreggiamento integrale in tempi brevissimi - di un singolo pannello, che può essere utile per svelare l'arcano dell'impianto postato in questa sezione.
La guida Ab* è veramente ben fatta ..la tengo sempre da parte.
Probabilmente non hai notato che le persone più autorevoli di questo portale non hanno commentato i termini spiccioli di questa discussione - in questo caso riguardo le regole di connessione - cablaggio - inserimento...probabilmente perché l'argomento dovrebbe essere conosciuto e scontato.
Dopo questo mi ritiro...mi sto impegnando di più del committente.
http://www-3.unipv.it/ingegneria/copist ... ltaici.pdf
Al cap 2 pag 37 / 2.1 + cap 4.1 - troverei lo chema funzionel ove spiegato cos'e' un generatore FV.
Al cap 6.pag 45 / 6.1.2 + 6.1.3 c'e' una rappresentazione dei problemi derivati dalle celle in caso di guasto o ombreggiamento e il comportamento dell'inverter.
Andiamo avanti...
http://www.conergy.it/portaldata/1/reso ... mi_def.pdf
pagina 9 e 11 - impianto da 3kWp residenziale - schema elettrico unifilare + 5kwP residenziale.
Nelgi schemi elettrici c'e' l'indice della linea FV lato AC dopo la protezione di l'interfaccia - verso le utenze...questo un nvuole dire che lo si può associare ad ogni ramo dell'impianto a piacimento...
Nella guida Abb, c'e' anche una spiegazione in ordine al guasto o ombreggiamento integrale in tempi brevissimi - di un singolo pannello, che può essere utile per svelare l'arcano dell'impianto postato in questa sezione.
La guida Ab* è veramente ben fatta ..la tengo sempre da parte.
Probabilmente non hai notato che le persone più autorevoli di questo portale non hanno commentato i termini spiccioli di questa discussione - in questo caso riguardo le regole di connessione - cablaggio - inserimento...probabilmente perché l'argomento dovrebbe essere conosciuto e scontato.
Dopo questo mi ritiro...mi sto impegnando di più del committente.
45 messaggi
• Pagina 3 di 5 • 1, 2, 3, 4, 5
Torna a Impianti, sicurezza e quadristica
Chi c’è in linea
Visitano il forum: Nessuno e 46 ospiti

Elettrotecnica e non solo (admin)
Un gatto tra gli elettroni (IsidoroKZ)
Esperienza e simulazioni (g.schgor)
Moleskine di un idraulico (RenzoDF)
Il Blog di ElectroYou (webmaster)
Idee microcontrollate (TardoFreak)
PICcoli grandi PICMicro (Paolino)
Il blog elettrico di carloc (carloc)
DirtEYblooog (dirtydeeds)
Di tutto... un po' (jordan20)
AK47 (lillo)
Esperienze elettroniche (marco438)
Telecomunicazioni musicali (clavicordo)
Automazione ed Elettronica (gustavo)
Direttive per la sicurezza (ErnestoCappelletti)
EYnfo dall'Alaska (mir)
Apriamo il quadro! (attilio)
H7-25 (asdf)
Passione Elettrica (massimob)
Elettroni a spasso (guidob)
Bloguerra (guerra)



