Dovrei fare un progetto di uno stabilizzatore con operazionale, con tensione di uscita da 5 a 20V e 400mA. Sapreste dirmi come calcolare tutte le resistenze, che transistor scegliere e che zener?
Grazie in anticipo a tutti.
Stabilizzatore con operazionale
Moderatori:
carloc,
g.schgor,
BrunoValente,
IsidoroKZ
20 messaggi
• Pagina 1 di 2 • 1, 2
0
voti
2
voti
Carnozzo ha scritto: Sapreste dirmi come calcolare tutte le resistenze, che transistor scegliere e che zener?
Sì.
Ciao,
Pietro.
-

PietroBaima
90,7k 7 12 13 - G.Master EY

- Messaggi: 12206
- Iscritto il: 12 ago 2012, 1:20
- Località: Londra
4
voti
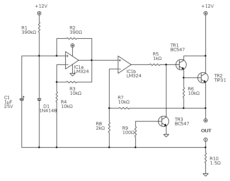
In questi giorni, mentre aspettavo la tua risposta ho buttato giù questo schema:
Come prima cosa ti chiedo scusa perché non è fatto in fidocadj.
Adesso non ho molto tempo, ma più tardi oppure stasera editerò il messaggio postando lo schema in fidocadj fatto per bene e con tutte le modifiche per renderlo umano.
Se poi vuoi convertirlo tu in fidocadj mi faresti un favorone.
L'ho simulato e sembra funzionare.
Comincia a studiare lo schema, più tardi ci torniamo sopra e ci facciamo un po' di ragionamenti.
Ciao,
Pietro.
EDIT: Ecco lo schema fidocadj
Come prima cosa ti chiedo scusa perché non è fatto in fidocadj.
Adesso non ho molto tempo, ma più tardi oppure stasera editerò il messaggio postando lo schema in fidocadj fatto per bene e con tutte le modifiche per renderlo umano.
Se poi vuoi convertirlo tu in fidocadj mi faresti un favorone.
L'ho simulato e sembra funzionare.
Comincia a studiare lo schema, più tardi ci torniamo sopra e ci facciamo un po' di ragionamenti.
Ciao,
Pietro.
EDIT: Ecco lo schema fidocadj
-

PietroBaima
90,7k 7 12 13 - G.Master EY

- Messaggi: 12206
- Iscritto il: 12 ago 2012, 1:20
- Località: Londra
1
voti
In nessun modo, per ora. Bisogna variare il guadagno del secondo operazionale con un potenziometro.
Tra l'altro l'alimentazione è a 12V, quindi l'uscita non potrebbe nemmeno arrivare a 20V.
Lo schema che ho fatto serve per far capire all'OP come ottenere un riferimento stabile e come fare per regolare la corrente in uscita.
Su quello schema possiamo ragionare su un bel po' di teoria, che adesso non ho tempo di fare.
Comunque a renderlo conforme alle specifiche ci va poco.
Ciao,
Pietro.
Tra l'altro l'alimentazione è a 12V, quindi l'uscita non potrebbe nemmeno arrivare a 20V.
Lo schema che ho fatto serve per far capire all'OP come ottenere un riferimento stabile e come fare per regolare la corrente in uscita.
Su quello schema possiamo ragionare su un bel po' di teoria, che adesso non ho tempo di fare.
Comunque a renderlo conforme alle specifiche ci va poco.
Ciao,
Pietro.
-

PietroBaima
90,7k 7 12 13 - G.Master EY

- Messaggi: 12206
- Iscritto il: 12 ago 2012, 1:20
- Località: Londra
0
voti
GiulioB ha scritto:Scusa Pietro, ma la regolazione da 5 V a 20V come avviene?
Se ci ragioni un po' sullo schema trovi anche il modo di regolarlo (e magari anche per migliorare qualche cosa del circuito se occorre).
Ciao
Piercarlo
0
voti
Ok, vedo cose che non ho mai visto (ovviamente, ne vedo tutti i giorni, ho tanto da imparare).
Per ora mi vengono piu' domande che risposte, dunque aspetto gli sviluppi cosi' imparo qualcosa pure io
Per ora mi vengono piu' domande che risposte, dunque aspetto gli sviluppi cosi' imparo qualcosa pure io

0
voti
GiulioB ha scritto: Per ora mi vengono piu' domande che risposte, dunque aspetto gli sviluppi cosi' imparo qualcosa pure io
Oops, non mi ero accorto che era cambiato l'interlocutore!
Ciao
Piercarlo
1
voti
Riferimento fatto con 1N4148??
...è forse un termometro?? Reazione positiva e negativa insieme?? 
...è forse un termometro?? Reazione positiva e negativa insieme?? 
-

BrunoValente
39,6k 7 11 13 - G.Master EY

- Messaggi: 7796
- Iscritto il: 8 mag 2007, 14:48
20 messaggi
• Pagina 1 di 2 • 1, 2
Chi c’è in linea
Visitano il forum: Nessuno e 477 ospiti

Elettrotecnica e non solo (admin)
Un gatto tra gli elettroni (IsidoroKZ)
Esperienza e simulazioni (g.schgor)
Moleskine di un idraulico (RenzoDF)
Il Blog di ElectroYou (webmaster)
Idee microcontrollate (TardoFreak)
PICcoli grandi PICMicro (Paolino)
Il blog elettrico di carloc (carloc)
DirtEYblooog (dirtydeeds)
Di tutto... un po' (jordan20)
AK47 (lillo)
Esperienze elettroniche (marco438)
Telecomunicazioni musicali (clavicordo)
Automazione ed Elettronica (gustavo)
Direttive per la sicurezza (ErnestoCappelletti)
EYnfo dall'Alaska (mir)
Apriamo il quadro! (attilio)
H7-25 (asdf)
Passione Elettrica (massimob)
Elettroni a spasso (guidob)
Bloguerra (guerra)
pigreco]=π


