Cos'è ElectroYou | Login Iscriviti

ElectroYou - la comunità dei professionisti del mondo elettrico

Controllo toni con operazionale (schema Nuova Elettronica)

Elettronica lineare e digitale: didattica ed applicazioni

Moderatori: Foto Utentecarloc, Foto Utenteg.schgor, Foto UtenteBrunoValente, Foto UtenteIsidoroKZ

1
voti

[1] Controllo toni con operazionale (schema Nuova Elettronica)

Messaggioda Foto UtenteGabrieleBe » 22 feb 2014, 16:37

Buongiorno,
Sono uno studente del quarto anno di elettronica all'ITIS e scrivo questo post per chiedere chiarenti sul circuito seguente, tratto da una vecchia rivista di Nuova Elettronica trovata a scuola:



E' un regolatore di toni: ruotando i due potenziometri si regolano rispettivamente gli alti e i bassi (primo operazionale) e il volume (secondo operazionale). Il secondo operazionale è un amplificatore non invertente, ma la cosa che mi lascia perplesso è la presenza di C17: in alternata si comporta come un cortocircuito, ma non capisco la sua funzione in continua; C15 e C19 penso siano condensatori di accoppiamento, mentre non capisco la presenza di R15 (pensavo servisse per rendere il potenziometro R13 logaritmico, ma è già indicato come tale). La parte più importante di questo circuito è sicuramente la prima, di cui non riesco a capirne proprio il funzionamento (sulla rivista è indicato che è una "classica configurazione baxendall"; ho cercato su internet ma non ho trovato molto).
Naturalmente è presente anche il circuito per il canale sinistro, uguale a quello riportato, che non ho disegnato per non rendere incasinato lo schema. :-)

I componenti hanno i seguenti valori:
R1 = 100K (lineare)
R2 = 3.3K
R3 = 10K
R4 = 10K
R5 = 10K
R13 = 22K
R15 = 100K
R17 = 100K
R18 = 10K
R19 = 39K
R23 = 100K
R24 = 100K
R25 = 100 ohm
R26 = 100k
R6 = 100K (lineare)
C1 = 22m (elettrolitico)
C3 = 3.3n (poliestere)
C4 = 3.3n (poliestere)
C5 = 33n (poliestere)
C6 = 33n (poliestere)
C15 = 100n (poliestere)
C19 = 22m (elettrolitico)

Ciao e grazie a tutti per le eventuali risposte. O_/
Avatar utente
Foto UtenteGabrieleBe
55 1 4
 
Messaggi: 37
Iscritto il: 12 giu 2013, 16:06
Località: Brescia, Italia

1
voti

[2] Re: Controllo Toni con Operazionale (schema Nuova Elettronic

Messaggioda Foto UtenteMavKtr » 22 feb 2014, 18:25

Ciao, se il circuito è solo quello non piace molto... soprattutto perché il segnale finale risulterà invertito di fase ripetto al segnale entrante.

Per l'equalizzazione Baxandall trovi una spiegazione qui.

C13 (di cui non hai specificato il valore) direi che è superfluo... basta C15 che insieme a R15 forma un filtro CR passa alto con taglio a circa 16 Hz. R15 stabilisce l'impedenza d'ingresso del secondo operazionale, ma bisogna tener conto anche della posizione del potenziometro R13 che sarà in parallelo a R15.

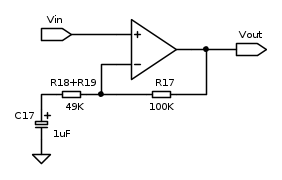
Per capire la funzione di C17 (di cui non hai specificato il valore), pensa solo a questo circuito:


Supponendo C17=1uF, otterremo anche qui un filtro passa alto con taglio a circa 3 Hz.

In particolare, per le frequenze al di sotto di 3 Hz, la reattanza di C17 sarà man mano più elevata fino a rendere trascurabile R18+R19. Mentre per le frequenze al di sopra di 3 Hz, viceversa, la reattanza di C17 andrà man mano a diminuire fino a diventare trascurabile nei confronti di R18+R19.
Avatar utente
Foto UtenteMavKtr
855 1 4 6
Expert
Expert
 
Messaggi: 734
Iscritto il: 3 mar 2012, 7:23

0
voti

[3] Re: Controllo toni con operazionale (schema Nuova Elettronic

Messaggioda Foto UtenteGabrieleBe » 22 feb 2014, 20:28

Per l'equalizzazione Baxandall trovi una spiegazione qui.

Grazie per il link. Domani lo leggerò con più calma.

Per i valori dei condensatori, mi sono dimenticato di inserirli nel post originale: C13 = 1m (poliestere) e C17 = 1m (elettrolitico).

In particolare, per le frequenze al di sotto di 3 Hz, la reattanza di C17 sarà man mano più elevata fino a rendere trascurabile R18+R19. Mentre per le frequenze al di sopra di 3 Hz, viceversa, la reattanza di C17 andrà man mano a diminuire fino a diventare trascurabile nei confronti di R18+R19

Questo mi era chiari, ma non capisco la sua funzione. Oltretutto in continua che comportamento ha l'operazionale (il condensatore dovrebbe essere un circuito aperto e l'operazionale si comporta come inseguitore?)

Grazie per l'attenzione. O_/
Avatar utente
Foto UtenteGabrieleBe
55 1 4
 
Messaggi: 37
Iscritto il: 12 giu 2013, 16:06
Località: Brescia, Italia

0
voti

[4] Re: Controllo toni con operazionale (schema Nuova Elettronic

Messaggioda Foto UtenteMavKtr » 22 feb 2014, 21:28

GabrieleBe ha scritto:Per i valori dei condensatori, mi sono dimenticato di inserirli nel post originale: C13 = 1m (poliestere) e C17 = 1m (elettrolitico).

Intendi 1 microfarad, non 1000 microfarad, giusto?
Se 1\mu F allora diciamo che avevo intuito correttamente il valore di C17. :-)
Come dicevo, C13 puoi anche eliminarlo...

Poi non so se ti interessa solo a livello teorico o se intendi realizzarlo, ma nella seconda ipotesi io aggiusterei il secondo stadio. Ovviamente dipende anche da dove sarà inserito il circuito.

GabrieleBe ha scritto:...non capisco la sua funzione.

Si, in pratica C17 agisce nel guadagno dell'amplificatore, attenuando gradualmente tutte le frequenze al di sotto della frequenza di taglio, fino ad arrivare al guadagno unitario (quindi non attenua ulteriormente), anche in continua.
Avatar utente
Foto UtenteMavKtr
855 1 4 6
Expert
Expert
 
Messaggi: 734
Iscritto il: 3 mar 2012, 7:23

0
voti

[5] Re: Controllo toni con operazionale (schema Nuova Elettronic

Messaggioda Foto UtenteGabrieleBe » 23 feb 2014, 10:16

Intendi 1 microfarad, non 1000 microfarad, giusto?

Intendo proprio 1mF per entrambi i condensatori, o almeno così c'è scritto sullo schema in mio possesso.

Come dicevo, C13 puoi anche eliminarlo...

Ok, C13 quindi lo elimino.

Poi non so se ti interessa solo a livello teorico o se intendi realizzarlo, ma nella seconda ipotesi io aggiusterei il secondo stadio. Ovviamente dipende anche da dove sarà inserito il circuito.


La mia intenzione è prima studiarlo dal punto di vista teorico e poi realizzarlo. Lo schema che ho postato è solo un modulo del mixer completo: è infatti presente anche lo stadio di ingresso lineare, lo stadio miscelatore dei segnali e uno stadio di preascolto, che comunque sono in grado di comprenderne in funzionamento e non ho inserito per evitare di incasinare lo schema. Come già detto il tutto è presente anche per il canale sinistro.

Si, in pratica C17 agisce nel guadagno dell'amplificatore, attenuando gradualmente tutte le frequenze al di sotto della frequenza di taglio, fino ad arrivare al guadagno unitario (quindi non attenua ulteriormente), anche in continua.

Grazie, adesso ho capito la sua funzione. Praticamente fa in modo che le frequenze sotto la banda udibile del suono vengano attenuate, ma non capisco la sua utilità a livello dell'effetto finale.

Adesso sto leggendo il link che mi hai dato ieri, se non mi è chiari qualcosa di chiedo. :lol: O_/
Avatar utente
Foto UtenteGabrieleBe
55 1 4
 
Messaggi: 37
Iscritto il: 12 giu 2013, 16:06
Località: Brescia, Italia

0
voti

[6] Re: Controllo toni con operazionale (schema Nuova Elettronic

Messaggioda Foto UtenteGabrieleBe » 23 feb 2014, 10:39

Sul link che mi hai indicato, non riesco a capire il seguente passaggio (si riferisce alla fig.1):
Here, R4 offers some isolation between this stage and the treble control section (frequencies above the center frequency are affected by this control). R5 represents the input resistance of the amplifier connected to the output of the James network and should be selected such that it imposes no appreciable load on the network.

Comunque lo schema indicato in figura, che viene analizzato nell'articolo da Te indicato, è simile a quello da me riportato, ma presenza alcune differenza, come ad esempio il fatto che i segnali non sono riferiti tutti a massa. Non capisco poi la funzione del primo operazionale.

Grazie per il Tuo interesse. O_/
Avatar utente
Foto UtenteGabrieleBe
55 1 4
 
Messaggi: 37
Iscritto il: 12 giu 2013, 16:06
Località: Brescia, Italia

8
voti

[7] Re: Controllo toni con operazionale (schema Nuova Elettronic

Messaggioda Foto Utentecarloc » 23 feb 2014, 12:10

MavKtr ha scritto:Ciao, se il circuito è solo quello non piace molto... soprattutto perché il segnale finale risulterà invertito di fase...

ma guarda questa mi pare proprio l'unica cosa che non ha nessuna influenza sul funzionamento :D ... e il finale a valle inverte oppure no :-) ? ... e gli altoparlanti invertono oppure no :-) ? e sopratutto come misuriamo la fase tra pressione sonora e tensione :-) ? ..cioè come fissiamo il riferimento? tensione positiva deltaP positiva, ma dove, a che distanza dall'altoparlante :-) ? ah e a proposito ma la sorgente, radio, mp3, cd con che fase sarà stata registrata? :D

Quello che si potrebbe ascoltare è la fase relativa tra i due canali stereo, ma se sono uguali :ok: ...altre sono le licenze poetiche prese con quel circuito :roll: :roll:


Per cominciare C17 non serve a nulla :D , mi spiego:

come giustamente dici il secondo stadio ha quel comportamento passa alto con guadagno unitario in continua e circa x3 alle "medie frequenze" ma perché mai introdurre un simile comportamento?

L'idea sarebbe "Amplifico i segnali nella banda di frequenze che mi interessano ma non amplifico la continua così da non amplificare la tensione di offset in ingresso".

Ora questo encomiabile proposito naufraga miseramente sui numeri :( , con un guadagno di tre anche il peggior offset in ingresso che ti possa venire in mente, che so 10mV, diventerebbe in uscita circa 30mV, cioè troveremmo una continua di una trentina di millivolt sovrapposta al segnale in uscita :?

Risposta: "chissenefrega" :mrgreen: viene comunque bloccata da C19, e la sua influenza sulla dinamica in uscita (massimo segnale che può uscire senza clipping) è assolutamente nulla. (i.e. con alimentazione di +/-15V e diciamo dinamica dell'opamp +/-12V il fatto di essere alcune decine di millivolt fuori zero è totalmente trascurabile)

Ora poi magari non è detto che in altri contesti quel condensatore abbia un suo perché, che so tensione di alimentazione molto più bassa, guadagno in banda molto più elevato, ma in questo caso particolare è inutile e quindi dannoso perché costa, si deve perder tempo a montarlo, introduce un ulteriore polo/zero che contribuisce a render meno piatta la risposta in frequenza....

Poi una domandina :D , secondo te Foto UtenteGabrieleBe perché hanno usato due resistenze serie per R18+R19 ? Non ne bastava una sola? ;-)

MavKtr ha scritto:... basta C15 che insieme a R15 forma un filtro CR passa alto con taglio a circa 16 Hz.
....

Anche qui il comportamento passa alto credo sia stato introdotto per non "lasciar passare l'offset in uscita dal primo stadio verso il secondo" ...ma comunque è stato realizzato con troppa generosità :mrgreen: solo C13 oppure solo C15 sono più che sufficienti allo scopo

ma qui la discussione sulla opportunità o necessità di farlo e come farlo potrebbe essere leggermente diversa da quanto detto sopra....

Da un punto di vista statico la necessità non c'è davvero ;-) i soliti 10mV, amplificati al più 10 volte dal primo stadio e poi altre tre dal secondo danno al più 300mV DC in uscita, come sopra, chissenefrega :mrgreen: ma stavolta c'è un ma :-)

Se immagini di avere 100mV DC all'uscita del primo stadio la rotazione di R13 trasforma quella continua in un segnale variabile, frequenza bassa ma comunque non nulla in dipendenza dalla velocità di rotazione, questo transitorio potrebbe "passare" dai vari stadi passa alto a valle e tradursi in un qualcosa di "ascoltabile" in condizioni particolari, specialmente con impianti audio di grande potenza, ad esempio ruoto velocemente il volume senza segnale in ingresso :D

In questa ottica appare più opportuno lasciare C13 così da avere effettivamente zero volt sul potenziometro ed essere così sicuri di non introdurre quel transitorio da rotazione di cui sopra.
Ma nota che non è che sia un obbligo, è una valutazione da fare in fase di progetto, alla fine potrei pure decidere di tenermi il transitorio da rotazione che comunque non sarà un difetto "importante" ed anzi va a finire che nella stragrande maggioranza dei casi sia proprio non ascoltabile :?

La funzione di R15 poi non è tanto quella di fissare la resistenza di ingresso del secondo stadio, quanto quella importantissima di realizzare un percorso per la corrente di polarizzazione dell'ingresso del secondo opamp.

Gli ingressi degli opamp devono sempre avere un percorso chiuso per la continua, altrimenti il primo stadio si "spegne" e l'opamp satura e non funziona.

Ora una finezza: R15 si deve mettere anche se non si mette C15 :shock: ... e perché mai? Senza C15 il percorso per la corrente di polarizzazione lo abbiamo attraverso il cursore di R13 e poi verso lo zero volt.

Esatto, ma il cursore di R13 potrebbe avere delle incertezze nel contatto, dei "buchi" e questo aprirebbe gli ingressi e farebbe appunto saturare l'opamp. L'effetto ascoltabile in uscita sarebbe quello di forti rumori alla rotazione del potenziometro.

Questo è il caso opposto al precedente, un componente che sembra superfluo ma che invece dà dei benefici. ;-)

Per il controllo di toni, ed anche altri topic audio, consiglio Audio Handbook della National che per quanto datato è sempre una buona fonte di info di base, cioè non cercate gli IC che usano loro :roll: ma la teoria sempre quella è ;-)
Se ti serve il valore di beta: hai sbagliato il progetto!
Avatar utente
Foto Utentecarloc
33,8k 6 11 13
G.Master EY
G.Master EY
 
Messaggi: 2153
Iscritto il: 7 set 2010, 19:23

0
voti

[8] Re: Controllo toni con operazionale (schema Nuova Elettronic

Messaggioda Foto UtenteGabrieleBe » 23 feb 2014, 12:38

Foto Utentecarloc Grazie per il tuo preziosissimo intervento! =D> =D> =D>

... e il finale a valle inverte oppure no :-) ? ... e gli altoparlanti invertono oppure no :-) ? e sopratutto come misuriamo la fase tra pressione sonora e tensione :-) ? ..cioè come fissiamo il riferimento? tensione positiva deltaP positiva, ma dove, a che distanza dall'altoparlante :-) ? Ah e a proposito ma la sorgente, radio, mp3, cd con che fase sarà stata registrata? :D

Il finale a valle lo ancora devo progettare, ma comunque credo noi sia un grosso problema. Pensavo ad uno stadio a transistor, ma questo per il momento è un altro discorso... Cosa intendi quando parli del fatto che gli altoparlanti invertono, come misuriamo la fase etc (scusa ma è il mio primo progetto audio). La sorgente è sempre MP3, comunque mi è chiaro il discorso che fai sulla fase. :D

L'idea sarebbe "Amplifico i segnali nella banda di frequenze che mi interessano ma non amplifico la continua così da non amplificare la tensione di offset in ingresso".

Anch'io avevo pensato che il condensatore servisse proprio a quello scopo, ma comunque la componente continua viene eliminata da C18...

Poi una domandina :D , secondo te GabrieleBe perché hanno usato due resistenze serie per R18+R19 ? Non ne bastava una sola? ;-)

Effettivamente non ho precisato bene la funzione delle due resistenze: su R19 è presente un interruttore che la cortocircuita se chiuso; è quindi una funzione di "muting", che diminuisce di molto il guadagno quando aperto (3 volte) rispetto a quando e chiuso (11 volte). Scusate per l'imprecisione iniziale :oops: :oops:
Adesso quindi credo che trovi senso C17, o è ancora superfluo grazie a C19?

Se immagini di avere 100mV DC all'uscita del primo stadio la rotazione di R13 trasforma quella continua in un segnale variabile, frequenza bassa ma comunque non nulla in dipendenza dalla velocità di rotazione, questo transitorio potrebbe "passare" dai vari stadi passa alto a valle e tradursi in un qualcosa di "ascoltabile" in condizioni particolari

Non avevo mai pensato ad una situazione del genere! :shock: :shock:

Gli ingressi degli opamp devono sempre avere un percorso chiuso per la continua, altrimenti il primo stadio si "spegne" e l'opamp satura e non funziona.

Scusa ma non mi è chiaro quello che hai detto... :oops:
Avatar utente
Foto UtenteGabrieleBe
55 1 4
 
Messaggi: 37
Iscritto il: 12 giu 2013, 16:06
Località: Brescia, Italia

8
voti

[9] Re: Controllo toni con operazionale (schema Nuova Elettronic

Messaggioda Foto Utentecarloc » 23 feb 2014, 13:34

Non ti preoccupare per la fase :D ... era tutto un mezzo ragionamento per chiarire (spero) che non è importante preoccuparsi se l'amplificatore inverte o meno :D

Ah ok per le due resistenze :D ... credevo che per un motivo incomprensibile sperassero/volessero avere un guadagno esattamente di tre nel secondo stadio. #-o
Comunque anche con G=11 direi che C17 sia inutile :ok:

Allora altra domanda :D , secondo te le polarità con cui sono collegati C17 e C19 sono ok? ;-)

Per la corrente di polarizzazione, di bias, considera che gli opamp non sono "scatolini magici", sono realizzati con BJT e/o FET e/o MOS integrati.
Ad esempio uno stadio differenziale a BJT NPN come questo

capirai che ha bisogno di fissare il punto di lavoro dei due transistor in ingresso in zona attiva diretta, cioè ci saranno due correnti di base, piccole magari che so 100nA o meno ma ci devono essere.

Se nello schema sopra pensi di lasciare aperto uno dei due ingressi il relativo BJT non potrà che interdirsi :( bloccando il funzionamento di tutto :( :(

Allora vedi che R15, o comunque un percorso chiuso per la DC, è indispnsabile.

L'altro ingresso invece viene polarizzato tramite R17, lo stadio di uscita dello stesso opamp e l'alimentazione positiva.

Domandina II :D come mai, in prima approssimazione, non passa corrente di bias in R18/19 ??

Questo schema è molto idealizzato, gli opamp veri sono abbastanza più complessi, ma il principio è quello :ok: .

Nel caso di differenziali a FET o MOS valo lo stesso, in questo caso le correnti saranno ancora più piccole, sono le correnti inverse di saturazione del gate dei JFET o le correnti di leackage (perdita) per i MOS comunque resta il principio che i gate devono essere assicurati ad un certo potenziale e quelle piccole correnti devo saper dove scorrere.
Se ti serve il valore di beta: hai sbagliato il progetto!
Avatar utente
Foto Utentecarloc
33,8k 6 11 13
G.Master EY
G.Master EY
 
Messaggi: 2153
Iscritto il: 7 set 2010, 19:23

1
voti

[10] Re: Controllo toni con operazionale (schema Nuova Elettronic

Messaggioda Foto UtenteMavKtr » 23 feb 2014, 13:45

carloc ha scritto:Non ti preoccupare per la fase :D ... era tutto un mezzo ragionamento per chiarire (spero) che non è importante preoccuparsi se l'amplificatore inverte o meno :D

Ma infatti dicevo "se il circuito è solo quello", perché l'impressione è che fosse solo una parte di un circuito più grande, tipo un piccolo mixer.

Sinceramente non so quale è la prassi con impianti Hi-Fi o simili, ma nel campo degli "strumenti musicali", per convenzione, un apparecchio audio "finito" non inverte la fase in modo arbitrario. Sui mixer professionali, ad esempio, è possibile invertire la fase sui singoli canali, ma è una funzione che si usa per risolvere qualche problema... tipo quando si amplifica una batteria con tanti microfoni vicini che tendono a disturbarsi tra di loro.

Ecco perché, per convenzione, se realizzo un apparecchio audio, piccolo che sia, preferisco sempre che non inverta la fase. :-P

Per il resto... iOi
Avatar utente
Foto UtenteMavKtr
855 1 4 6
Expert
Expert
 
Messaggi: 734
Iscritto il: 3 mar 2012, 7:23

Prossimo

Torna a Elettronica generale

Chi c’è in linea

Visitano il forum: Nessuno e 41 ospiti