MavKtr ha scritto:Ciao, se il circuito è solo quello non piace molto... soprattutto perché il segnale finale risulterà invertito di fase...
ma guarda questa mi pare proprio l'unica cosa che non ha nessuna influenza sul funzionamento

... e il finale a valle inverte oppure no

? ... e gli altoparlanti invertono oppure no

? e sopratutto come misuriamo la fase tra pressione sonora e tensione

? ..cioè come fissiamo il riferimento? tensione positiva deltaP positiva, ma dove, a che distanza dall'altoparlante

? ah e a proposito ma la sorgente, radio, mp3, cd con che fase sarà stata registrata?
Quello che si potrebbe ascoltare è la fase relativa tra i due canali stereo, ma se sono uguali

...altre sono le licenze poetiche prese con quel circuito
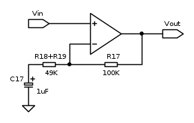
Per cominciare C17 non serve a nulla

, mi spiego:
come giustamente dici il secondo stadio ha quel comportamento passa alto con guadagno unitario in continua e circa x3 alle "medie frequenze" ma perché mai introdurre un simile comportamento?
L'idea sarebbe "Amplifico i segnali nella banda di frequenze che mi interessano
ma non amplifico la continua così da non amplificare la tensione di offset in ingresso".
Ora questo encomiabile proposito naufraga miseramente sui numeri

, con un guadagno di tre anche il peggior offset in ingresso che ti possa venire in mente, che so 10mV, diventerebbe in uscita circa 30mV, cioè troveremmo una continua di una trentina di millivolt sovrapposta al segnale in uscita
Risposta: "chissenefrega"

viene comunque bloccata da C19, e la sua influenza sulla dinamica in uscita (massimo segnale che può uscire senza clipping) è assolutamente nulla. (i.e. con alimentazione di +/-15V e diciamo dinamica dell'opamp +/-12V il fatto di essere alcune decine di millivolt fuori zero è totalmente trascurabile)
Ora poi magari non è detto che in altri contesti quel condensatore abbia un suo perché, che so tensione di alimentazione molto più bassa, guadagno in banda molto più elevato, ma
in questo caso particolare è inutile e quindi dannoso perché costa, si deve perder tempo a montarlo, introduce un ulteriore polo/zero che contribuisce a render meno piatta la risposta in frequenza....
Poi una domandina

, secondo te
GabrieleBe perché hanno usato due resistenze serie per R18+R19 ? Non ne bastava una sola?
MavKtr ha scritto:... basta C15 che insieme a R15 forma un filtro CR passa alto con taglio a circa 16 Hz.
....
Anche qui il comportamento passa alto credo sia stato introdotto per non "lasciar passare l'offset in uscita dal primo stadio verso il secondo" ...ma comunque è stato realizzato con troppa generosità

solo C13 oppure solo C15 sono più che sufficienti allo scopo
ma qui la discussione sulla opportunità o necessità di farlo e come farlo potrebbe essere leggermente diversa da quanto detto sopra....
Da un punto di vista statico la necessità non c'è davvero

i soliti 10mV, amplificati al più 10 volte dal primo stadio e poi altre tre dal secondo danno al più 300mV DC in uscita, come sopra, chissenefrega

ma stavolta c'è un ma
Se immagini di avere 100mV DC all'uscita del primo stadio la rotazione di R13 trasforma quella continua in un segnale variabile, frequenza bassa ma comunque non nulla in dipendenza dalla velocità di rotazione, questo transitorio potrebbe "passare" dai vari stadi passa alto a valle e tradursi in un qualcosa di "ascoltabile" in condizioni particolari, specialmente con impianti audio di grande potenza, ad esempio ruoto velocemente il volume senza segnale in ingresso
In questa ottica appare più opportuno lasciare C13 così da avere effettivamente zero volt sul potenziometro ed essere così sicuri di non introdurre quel transitorio da rotazione di cui sopra.
Ma nota che non è che sia un obbligo, è una valutazione da fare in fase di progetto, alla fine potrei pure decidere di tenermi il transitorio da rotazione che comunque non sarà un difetto "importante" ed anzi va a finire che nella stragrande maggioranza dei casi sia proprio non ascoltabile
La funzione di R15 poi non è tanto quella di fissare la resistenza di ingresso del secondo stadio, quanto quella importantissima di
realizzare un percorso per la corrente di polarizzazione dell'ingresso del secondo opamp.
Gli ingressi degli opamp devono sempre avere un percorso chiuso per la continua, altrimenti il primo stadio si "spegne" e l'opamp satura e non funziona.
Ora una finezza: R15 si deve mettere anche se non si mette C15

... e perché mai? Senza C15 il percorso per la corrente di polarizzazione lo abbiamo attraverso il cursore di R13 e poi verso lo zero volt.
Esatto, ma il cursore di R13 potrebbe avere delle incertezze nel contatto, dei "buchi" e questo aprirebbe gli ingressi e farebbe appunto saturare l'opamp. L'effetto ascoltabile in uscita sarebbe quello di forti rumori alla rotazione del potenziometro.
Questo è il caso opposto al precedente, un componente che sembra superfluo ma che invece dà dei benefici.

Per il controllo di toni, ed anche altri topic audio, consiglio
Audio Handbook della National che per quanto datato è sempre una buona fonte di info di base, cioè non cercate gli IC che usano loro

ma la teoria sempre quella è
