Circuiti, campi elettromagnetici e teoria delle linee di trasmissione e distribuzione dell’energia elettrica
Moderatori:
g.schgor,
IsidoroKZ
da
Millex » 22 feb 2014, 18:38
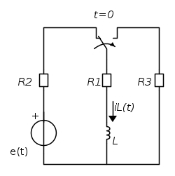
Nel circuito in figura l'interruttore si trova nella posizione indicata per lungo tempo.All'istante t=0 cambia.
Si determini

per

. Siano

,

,

,

ed

Nel calcolo del transitorio calcolo prima la

che è uguale a

.
Per t->tende ad infinito la

è uguale a 0?
La tau (

in questo caso quanto vale?

o infinito?
Grazie.
edit
mir. -le formule vanno scritte in latex, e gli schemi postati in fidocadj entrambe consentono la possibilità di apportare se necessarie modifiche o variazioni per ogni interessato al thread. 
Ultima modifica di
mir il 22 feb 2014, 19:57, modificato 1 volta in totale.
Motivazione: rieditate formule in latex e schema in fidocadj.
-

Millex
-2 3
-
- Messaggi: 39
- Iscritto il: 10 ago 2009, 20:53
da
GiulioB » 22 feb 2014, 18:59
Millex ha scritto:Nel calcolo del transitorio calcolo prima la

che è uguale a

.
Ok
Millex ha scritto:Per t->tende ad infinito la

è uguale a 0?
Si'.
Millex ha scritto:La tau (

in questo caso quanto vale?

o infinito?
La tua R è la somma di R1 ed R3, i resistori sui quali si scarica l'energia dell'induttore.
Come puo' essere L/R zero o infinito? Non è logico! L/R è 0.5.
-

GiulioB
615
3
11
- Frequentatore

-
- Messaggi: 244
- Iscritto il: 4 feb 2014, 20:51
Torna a Elettrotecnica generale
Chi c’è in linea
Visitano il forum: Nessuno e 19 ospiti