Bene, allora fai così:
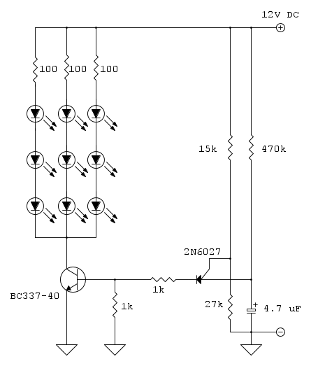
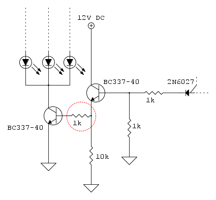
Le resistenze vanno bene tutte da 1/4 di watt. La frequenza dei flash sarà la stessa di prima, ma i flash stessi saranno molto più energetici. Ho messo la versione "-40" del BC337 perché assicura guadagno più alto, se così ancora non ti fanno abbastanza luce o sono i LED troppo scarsi o è l'impulso troppo breve. Nel secondo caso, ci toccherà aggiungere un altro transistor, così:
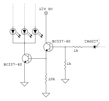
la seconda soluzione offre molti gradi di libertà in più rispetto alla prima, in cui la costante di tempo che regola la durata del flash è limitata dal guadagno in saturazione del transistor.
PUT NPN e Led in serie
Moderatori:
carloc,
g.schgor,
BrunoValente,
IsidoroKZ
32 messaggi
• Pagina 2 di 4 • 1, 2, 3, 4
1
voti
uffa...ho il 337-16 come versione...era dentro uno stock di transistor comprati alla futura elettronica
che sono questi:
28Pz BC547B
28Pz BC557B
12Pz BC337
12Pz BC327
12Pz BC517
6Pz BC516
4Pz BD139
4Pz BD140
mo provo i due circuiti che mi hai proposto e vi diro'
e comunque grazie a te obiuan e a tutti gli altri per l'aiuto e spiegazioni

che sono questi:
28Pz BC547B
28Pz BC557B
12Pz BC337
12Pz BC327
12Pz BC517
6Pz BC516
4Pz BD139
4Pz BD140
mo provo i due circuiti che mi hai proposto e vi diro'
e comunque grazie a te obiuan e a tutti gli altri per l'aiuto e spiegazioni

-

luponero76
15 3 - Messaggi: 32
- Iscritto il: 27 feb 2013, 16:13
0
voti
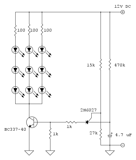
se usi il secondo circuito ti va bene il 337-16.
Ossignur!
ho notato di aver scordato una R nel secondo circuito, eccola:

Ossignur!
ho notato di aver scordato una R nel secondo circuito, eccola:

_______________________________________________________
Gli oscillatori non oscillano mai, gli amplificatori invece sempre
Io HO i poteri della supermucca, e ne vado fiero!
Gli oscillatori non oscillano mai, gli amplificatori invece sempre
Io HO i poteri della supermucca, e ne vado fiero!
0
voti
ho fatto il secondo circuito
viene moscio anche con 3 BC33-16!!
i led son bianchi sempre da 3.3Vf e 20mA

viene moscio anche con 3 BC33-16!!
i led son bianchi sempre da 3.3Vf e 20mA

-

luponero76
15 3 - Messaggi: 32
- Iscritto il: 27 feb 2013, 16:13
0
voti
iniziamo a fare qualche misura...V di alimentazione? sicuro siano 12V? LED bianchi a 20mA? sicuro? hai un codice?
puoi al volo provare a cambiare le 100 ohm con una più bassa, magari la metà e vedere se aumenta la luminosità..
puoi al volo provare a cambiare le 100 ohm con una più bassa, magari la metà e vedere se aumenta la luminosità..
_______________________________________________________
Gli oscillatori non oscillano mai, gli amplificatori invece sempre
Io HO i poteri della supermucca, e ne vado fiero!
Gli oscillatori non oscillano mai, gli amplificatori invece sempre
Io HO i poteri della supermucca, e ne vado fiero!
0
voti
rifaccio il circuito
per essere sicuro di come l ho messo
il led e' un 3,3V con 20mA
ho preso un alimentatore multi tensione e l'ho messo a 12V ma dall'etichetta eroga meno di 1A
per essere sicuro di come l ho messo
il led e' un 3,3V con 20mA
ho preso un alimentatore multi tensione e l'ho messo a 12V ma dall'etichetta eroga meno di 1A
-

luponero76
15 3 - Messaggi: 32
- Iscritto il: 27 feb 2013, 16:13
0
voti
Ma LED da 20mA non è che diano tanta luce, hai provato ad alimentarli direttamente con il 12V (ovviamente con i resistori di limitazione corrente in sede)? Così facendo, la loro luminosità è quella che ti aspetti?
E, mentre fai questa prova, misura anche la tensione di alimentazione (quella fornita dall'alimentatore) con i LED accesi
E, mentre fai questa prova, misura anche la tensione di alimentazione (quella fornita dall'alimentatore) con i LED accesi
-

FedericoSibona
5.022 3 5 8 - Master

- Messaggi: 3951
- Iscritto il: 19 mar 2013, 11:43
0
voti
luponero76 ha scritto:ho fatto il secondo circuito
viene moscio anche con 3 BC33-16!!
i LED son bianchi sempre da 3.3Vf e 20mA
Una curiosita', ma il terzo BJT come lo hai collegato?
marco
0
voti
FedericoSibona ha scritto:Ma LED da 20mA non è che diano tanta luce, hai provato ad alimentarli direttamente con il 12 V (ovviamente con i resistori di limitazione corrente in sede)? Così facendo, la loro luminosità è quella che ti aspetti?
mi son accorto che il sistema eroga 10,31V (non chiedetemi perché')
FedericoSibona ha scritto:E, mentre fai questa prova, misura anche la tensione di alimentazione (quella fornita dall'alimentatore) con i LED accesi
ho messo l'alimentatore(ora non più utilizzabile visto che e' caduto dal tavolo in una bella corona di scintille) sui 10V e con i giusti resistori per avere almeno 20mA avevano una bella luce decente.
se mi dici dove mettere i puntali per leggere i V i faresti un piacere intanto che cerco un alimentatore decente.
-

luponero76
15 3 - Messaggi: 32
- Iscritto il: 27 feb 2013, 16:13
0
voti
marco438 ha scritto:luponero76 ha scritto:ho fatto il secondo circuito
viene moscio anche con 3 BC33-16!!
i LED son bianchi sempre da 3.3Vf e 20mA
Una curiosita', ma il terzo BJT come lo hai collegato?
copiando la disposizione dell'ultimo BC quello coi 1K e 10K
-

luponero76
15 3 - Messaggi: 32
- Iscritto il: 27 feb 2013, 16:13
32 messaggi
• Pagina 2 di 4 • 1, 2, 3, 4
Chi c’è in linea
Visitano il forum: Nessuno e 209 ospiti

Elettrotecnica e non solo (admin)
Un gatto tra gli elettroni (IsidoroKZ)
Esperienza e simulazioni (g.schgor)
Moleskine di un idraulico (RenzoDF)
Il Blog di ElectroYou (webmaster)
Idee microcontrollate (TardoFreak)
PICcoli grandi PICMicro (Paolino)
Il blog elettrico di carloc (carloc)
DirtEYblooog (dirtydeeds)
Di tutto... un po' (jordan20)
AK47 (lillo)
Esperienze elettroniche (marco438)
Telecomunicazioni musicali (clavicordo)
Automazione ed Elettronica (gustavo)
Direttive per la sicurezza (ErnestoCappelletti)
EYnfo dall'Alaska (mir)
Apriamo il quadro! (attilio)
H7-25 (asdf)
Passione Elettrica (massimob)
Elettroni a spasso (guidob)
Bloguerra (guerra)




