Capsula microfono
Moderatori:
carloc,
g.schgor,
BrunoValente,
IsidoroKZ
18 messaggi
• Pagina 1 di 2 • 1, 2
0
voti
Salve, mi è capitato tra le mani una capsula microfonica, come si fa a testare il funzionamento? Ho provato a metterla in serie al multimetro impostandolo su ohm e ho battuto le mani e fatto alcuni rumori ma non vedo nessuna variazione...
0
voti
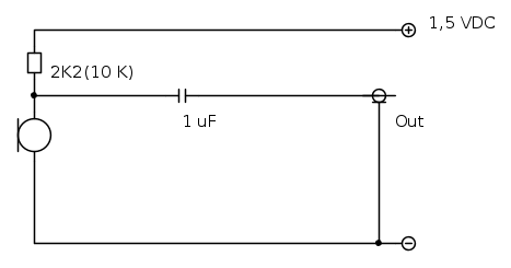
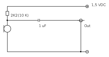
sul corpo della capsula è stampigliato la sigla XL-R su internet non ho trovato nessun riferimento... mi domando che per testare se questa capsula funziona devo prima costruire un piccolo circuito in figura e verificarne con i puntali su out e - del multimetro impostando sul valore in volt?
0
voti
Il circuito è giusto.
Forse il tester non rileverà il segale della capsula, prova con la portata più bassa.
Tieni conto che la carcassa della capsula è la massa di alimentazione.
Forse il tester non rileverà il segale della capsula, prova con la portata più bassa.
Tieni conto che la carcassa della capsula è la massa di alimentazione.
0
voti
non sono un esperto in questo campo, ma dall'immagine si direbbe di una capsula microfonica a condensatore, e se non erro questo tipo di capsula per poter funzionare ha bisogno di un circuito di preamplificazione che a sua volta andrà alimentato, potendo poi così fornire alla sua uscita il segnale con ampiezza modulata dalla capsula microfonica.
la dicitura XLR mi riconduce (anche qui ammesso che non io non sbagli) al tipo di cablaggio XLR probabilmente per indicare la relativa piedinatura di collegamento della capsula ...per realizzare lo schema di un semplice preamplificatore per capsula microfonica a cond, nel web non dovresti avere difficoltà nel reperirlo.
la dicitura XLR mi riconduce (anche qui ammesso che non io non sbagli) al tipo di cablaggio XLR probabilmente per indicare la relativa piedinatura di collegamento della capsula ...per realizzare lo schema di un semplice preamplificatore per capsula microfonica a cond, nel web non dovresti avere difficoltà nel reperirlo.
0
voti
Ripubblico la foto reale, non si tratta del caso di omonimia, è siglata XL–R ed inoltre ha 2 piedini di uscita e non 3 piedini come la capsula posta nel link da mir. Sul circuitino ho provato a testarla con il multimetro ma non vedo variazioni...
18 messaggi
• Pagina 1 di 2 • 1, 2
Chi c’è in linea
Visitano il forum: Google Adsense [Bot] e 450 ospiti

Elettrotecnica e non solo (admin)
Un gatto tra gli elettroni (IsidoroKZ)
Esperienza e simulazioni (g.schgor)
Moleskine di un idraulico (RenzoDF)
Il Blog di ElectroYou (webmaster)
Idee microcontrollate (TardoFreak)
PICcoli grandi PICMicro (Paolino)
Il blog elettrico di carloc (carloc)
DirtEYblooog (dirtydeeds)
Di tutto... un po' (jordan20)
AK47 (lillo)
Esperienze elettroniche (marco438)
Telecomunicazioni musicali (clavicordo)
Automazione ed Elettronica (gustavo)
Direttive per la sicurezza (ErnestoCappelletti)
EYnfo dall'Alaska (mir)
Apriamo il quadro! (attilio)
H7-25 (asdf)
Passione Elettrica (massimob)
Elettroni a spasso (guidob)
Bloguerra (guerra)





