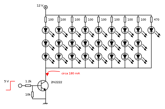
Bene o male cambia poco, ho ridimensionato la corrente in base, stavolta ce ne serve meno.
La freccia è la corrente totale che scorre nel transistor in saturazione, ovviamente.
Pilotare Led ad alta luminosità con transistor
0
voti
g.schgor ha scritto:No, sei "rami" sono 8 i mA totali sono 160.
Giusto... Sarà la stanchezza, ma ci siamo capiti

Domani vedo se a scuola posso testare il circuito, altrimenti in serata vi faccio sapere se funziona il tutto :)
In pratica devo realizzare l'accensione di questi benedetti led una volta oscurata la fotoresistenza. E questo è solo il primo passo!
0
voti
Bubino ha scritto:Con il circuito realizzato da Giulio, quante probabilità ci sono di dover buttare poi tutti i LED?
Il circuito postato e' sicuramente funzionante; se i led o altre parti del circuito si dovessero bruciare, vorrebbe dire che hai compiuto errori di montaggio.

marco
0
voti
GiulioB ha scritto:Se non ti fidi calcolati tu i valori, non è magia è matematica.
Nooo, mica perché non mi fido... Il mio prof mi ha messo la pulce nell'orecchio "e se si bruciassero"?
Andiamo bene
Stasera lo monto e vi farò sapere ;)
-1
voti
Non vorrei essere sgarbato, ma che razza di professori avete?
Non puo' avere dubbi su uno schema cosi' banale; ci credo che tu imparerai poco o nulla, e quel poco confuso, da una professore del genere.... sempre per non essere sgarbato.
Ah... Italia Italia, perché ti fanno questo...
Non puo' avere dubbi su uno schema cosi' banale; ci credo che tu imparerai poco o nulla, e quel poco confuso, da una professore del genere.... sempre per non essere sgarbato.
Ah... Italia Italia, perché ti fanno questo...
0
voti
Io ho detto tali parole:
"Prof, sul forum di ElectroYou mi hanno consigliato di utilizzare un 2N2222A per pilotare i 25 led in parallelo."
"Bene... Mica c'è il rischio che si possono bruciare?"
io:
Ma se si dovessero bruciare (facciamo tutti gli scongiuri del caso), sarebbe un bel casino.. Sono già tutti montati sull'apposita base, incollati e saldati!
"Prof, sul forum di ElectroYou mi hanno consigliato di utilizzare un 2N2222A per pilotare i 25 led in parallelo."
"Bene... Mica c'è il rischio che si possono bruciare?"
io:
Ma se si dovessero bruciare (facciamo tutti gli scongiuri del caso), sarebbe un bel casino.. Sono già tutti montati sull'apposita base, incollati e saldati!

0
voti
Bubino ha scritto:sul forum di ElectroYou mi hanno consigliato di utilizzare un 2N2222A per pilotare i 25 LED in parallelo.
detto così lascia adito a qualsiasi conclusione.
Dovevi spiegare come è stato impostato il circuito
(ammesso che sia realizzato così, visto che è "già montato")
8 rami in parallelo con 3 LED per ramo e resistenza di limitazione.
0
voti
g.schgor ha scritto:Dovevi spiegare come è stato impostato il circuito
Gli ho mostrato uno screen del circuito.. Pensa te!
Comunque il montaggio per oggi non c'è stato verso di farlo, lo eseguirò Lunedì
Adesso che ci penso, nel circuito ci sono anche 8 led da 3mm, non cambia niente vero?
Chi c’è in linea
Visitano il forum: Nessuno e 3 ospiti

Elettrotecnica e non solo (admin)
Un gatto tra gli elettroni (IsidoroKZ)
Esperienza e simulazioni (g.schgor)
Moleskine di un idraulico (RenzoDF)
Il Blog di ElectroYou (webmaster)
Idee microcontrollate (TardoFreak)
PICcoli grandi PICMicro (Paolino)
Il blog elettrico di carloc (carloc)
DirtEYblooog (dirtydeeds)
Di tutto... un po' (jordan20)
AK47 (lillo)
Esperienze elettroniche (marco438)
Telecomunicazioni musicali (clavicordo)
Automazione ed Elettronica (gustavo)
Direttive per la sicurezza (ErnestoCappelletti)
EYnfo dall'Alaska (mir)
Apriamo il quadro! (attilio)
H7-25 (asdf)
Passione Elettrica (massimob)
Elettroni a spasso (guidob)
Bloguerra (guerra)






