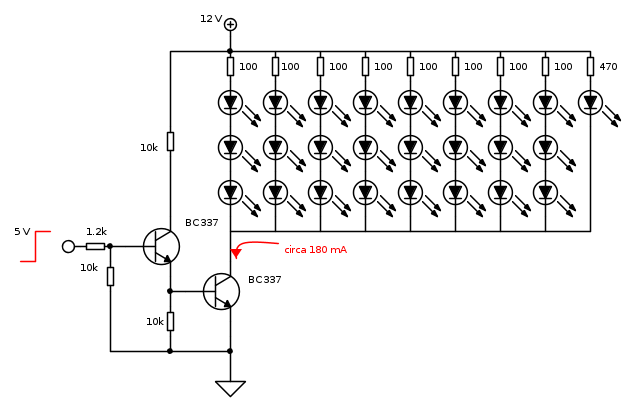
Quindi a quanto pare, devo trovare 2 BC337...
Bene, allora lunedì li procurerò ;)
Alla fine ognuno dice la sua il tutto diventa sempre più chiaro e semplice ;)
Pilotare Led ad alta luminosità con transistor
3
voti
obiuan ha scritto:
ehm... ma così, spanna più spanna meno, quanto sarebbe la IB del secondo transistor? Così tanto per vedere di che beta forzato stiamo parlando
Se ti serve il valore di beta: hai sbagliato il progetto!
1
voti
A spanne dire 1,13 mA.
Un po' pochini, bisogna pregare che l' hFE del 337 sia almeno di 160 ed in saturazione la vedo dura, mooolto dura.
Edit: ho scritto un a fesseria, non ho considerato la corrente di base del primo transistor.
Chiedo venia.
Un po' pochini, bisogna pregare che l' hFE del 337 sia almeno di 160 ed in saturazione la vedo dura, mooolto dura.
Edit: ho scritto un a fesseria, non ho considerato la corrente di base del primo transistor.
Chiedo venia.
"La follia sta nel fare sempre la stessa cosa aspettandosi risultati diversi".
"Parla soltanto quando sei sicuro che quello che dirai è più bello del silenzio".
Rispondere è cortesia, ma lasciare l'ultima parola ai cretini è arte.
"Parla soltanto quando sei sicuro che quello che dirai è più bello del silenzio".
Rispondere è cortesia, ma lasciare l'ultima parola ai cretini è arte.
-

TardoFreak
73,9k 8 12 13 - -EY Legend-

- Messaggi: 15754
- Iscritto il: 16 dic 2009, 11:10
- Località: Torino - 3° pianeta del Sistema Solare
2
voti
Si, dovrebbe andare anche se a me, come soluzione, non piace affatto anzi se devo essere sincero mi fa proprio ca ... ehm ... vabbè.
Invece di metterci due BC337 gli avrei messo un mosfet N come il PMV30UN in questo modo:
Invece di metterci due BC337 gli avrei messo un mosfet N come il PMV30UN in questo modo:
"La follia sta nel fare sempre la stessa cosa aspettandosi risultati diversi".
"Parla soltanto quando sei sicuro che quello che dirai è più bello del silenzio".
Rispondere è cortesia, ma lasciare l'ultima parola ai cretini è arte.
"Parla soltanto quando sei sicuro che quello che dirai è più bello del silenzio".
Rispondere è cortesia, ma lasciare l'ultima parola ai cretini è arte.
-

TardoFreak
73,9k 8 12 13 - -EY Legend-

- Messaggi: 15754
- Iscritto il: 16 dic 2009, 11:10
- Località: Torino - 3° pianeta del Sistema Solare
0
voti
Si', come ho detto prima, l'upgrade piu' logico dal mio semplice circuito con 2N2222 è un mosfet.
Non capisco tutto il discorso sul beta che sembra debba scendere drasticamente per non so' quale motivo, e al suo posto porre un "darlington apero" che sinceramente non capisco.
Era davvero cosi' critico il mio primo circuito? Bah...

Non capisco tutto il discorso sul beta che sembra debba scendere drasticamente per non so' quale motivo, e al suo posto porre un "darlington apero" che sinceramente non capisco.
Era davvero cosi' critico il mio primo circuito? Bah...

0
voti
carloc ha scritto:ehm... ma così, spanna più spanna meno, quanto sarebbe la IB del secondo transistor? Così tanto per vedere di che beta forzato stiamo parlando
tutta quella di cui ha bisogno, perché il primo BJT ha al massimo (5-1,2)/1,2k, circa 3mA, ma è in zona attiva quindi ha un beta di almeno 60, da cui il secondo BJT ha a disposizione fino anche 200mA di base.
GiulioB ha scritto:Si', come ho detto prima, l'upgrade piu' logico dal mio semplice circuito con 2N2222 è un mosfet.
Non capisco tutto il discorso sul beta che sembra debba scendere drasticamente per non so' quale motivo, e al suo posto porre un "darlington apero" che sinceramente non capisco.
Era davvero cosi' critico il mio primo circuito? Bah...
Cos'è il beta? come tu stesso hai scritto, è definito come il rapporto:

Se guardi la ben nota caratteristica di un transistor, che ti riporto qui per comodità:
Come vedi, in regione attiva hai una grande distanza fra le curve, e siccome il parametro è Ib e sulle ordinate hai Ic, la distanza distanza fra le curve ti da un'idea di quanto vari Ic al variare di Ib. Quando il transistor passa in saturazione, le curve mano a mano che Vce scende diventano quasi coincidenti, cioè detto in altri termini il beta si abbassa.
Guarda anche questo grafico, che si trova spesso nei datasheet dei transistor:
Come vedi, quando la Vce scende sotto la VceSat, a parità di Ic è necessaria una Ib maggiore, cioè beta scende fino ad arrivare anche a 1/10 del valore in zona attiva. A Vce = 0,2, a seconda della corrente di collettore, può essere il 30% in meno come anche circa un terzo a 500mA. Se guardi in particolare la curva per Ic = 300mA, vedi che a 1V di Vce hai una Ib di circa 2mA, cioè un beta di 150, mentra a Vce = 0,2 la Ib sale a 5mA (beta = 60), scendi a un beta di 20 con Vce intorno a circa 0,12V.
Inoltre, per la precisione, una cosa è il beta, un'altra è Hfe. Il beta è definito come sopra, l'Hfe è il termine H22 della matrice H rappresentativa del modello Ibrido, e cioè il rapporto fra Ic e Ib quando l'uscita è cortocircuitata a massa nel modello ai piccoli segnali, e pertanto ha significato solo in zona attiva (dove hanno senso i modelli ai piccoli segnali). In zona attiva, quindi, beta e Hfe circa coincidono in valore.
Se polarizzi un transistor senza degenerazione di emettitore, lui entrerà in saturazione solo se avrà a disposizione sufficiente corrente di base.
Dalle specifiche del 2N222:
da cui vedi che l'hfe dipende dalla corrente di collettore ma vedi anche la dipendenza dalla Vce: a 150mA di Ic l'Hfe vale 100 a 10V, 50 a 1V. Se quindi supponiamo
, e sappiamo di dover portare circa 200mA, vediamo che in base necessitiamo di almeno 200mA/50 = 4mA. Già così il tuo circuito è impiccato, ce la fa per un pelo. Se conti almeno un /2 per beta, hai che evidentemente non satura.Se poi il circuito lo monti, scopri che la Vce anzichè scendere a 0,15-0,2 si ferma a 0,6-0,7 (a spanne, non lo posso sapere), che con 0,2A fanno 300-350mW...il transistor si scalda, ma col suo case metallico probabilmente ce la fa lo stesso.
La conclusione è che in generale mica il circuito che hai disegnato faceva schifo (:D), solo era un po' critico e visto che le cose è sempre meglio farle bene, te l'ho fatto notare.
Per quanto riguarda la soluzione a MOS, sono d'accordo infatti l'ho anche scritto in fondo al mio post precedente. Quello proposto va benissimo, fin troppo bene...bel MOS, qualcuno sa quanto costa in quantità? se non è uno sproposito, lo terrò presente la prossima volta.
Ciao
Obi
_______________________________________________________
Gli oscillatori non oscillano mai, gli amplificatori invece sempre
Io HO i poteri della supermucca, e ne vado fiero!
Gli oscillatori non oscillano mai, gli amplificatori invece sempre
Io HO i poteri della supermucca, e ne vado fiero!
0
voti
Bubino ha scritto:Che gran confusione![]()
Alla fine cosa mi consigliate?
di leggerti tutti i post e scegliere una delle soluzioni...se vuoi imparare qualcosa. Se invece vuoi solo vedere i LED che si accendono, scegli una qualunque delle soluzioni proposte che vanno tutte bene.
_______________________________________________________
Gli oscillatori non oscillano mai, gli amplificatori invece sempre
Io HO i poteri della supermucca, e ne vado fiero!
Gli oscillatori non oscillano mai, gli amplificatori invece sempre
Io HO i poteri della supermucca, e ne vado fiero!
Chi c’è in linea
Visitano il forum: Nessuno e 2 ospiti

Elettrotecnica e non solo (admin)
Un gatto tra gli elettroni (IsidoroKZ)
Esperienza e simulazioni (g.schgor)
Moleskine di un idraulico (RenzoDF)
Il Blog di ElectroYou (webmaster)
Idee microcontrollate (TardoFreak)
PICcoli grandi PICMicro (Paolino)
Il blog elettrico di carloc (carloc)
DirtEYblooog (dirtydeeds)
Di tutto... un po' (jordan20)
AK47 (lillo)
Esperienze elettroniche (marco438)
Telecomunicazioni musicali (clavicordo)
Automazione ed Elettronica (gustavo)
Direttive per la sicurezza (ErnestoCappelletti)
EYnfo dall'Alaska (mir)
Apriamo il quadro! (attilio)
H7-25 (asdf)
Passione Elettrica (massimob)
Elettroni a spasso (guidob)
Bloguerra (guerra)








