Ragazzi verificate un po' l'esercizio, sopratutto ditemi se c'è qualche altro modo per risolvere.
Grazie
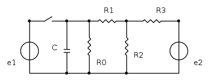
Nel circuito in figura, l’interruttore si apre all’istante t=0 e il generatore di tensione e2(t) si accende. Determinare la corrente che scorre nell’induttore in ogni istante di tempo.
R2 = 100
R3 = 200
R0 = 120
C = 47μF
e1 = 5V
e2(t)
0 V per t < 0
10 V per t > 0
Procedo con la sovrapposizione degli effetti:
Per t<0 il circuito è chiuso, ed è presente solo il generatore e1
Vc=Ve1
oppure calcolo con partitore facendo:
Facendo R2//R3 poi in serie con R1 ed in parallelo ancora con R0.
Calcolo poi la corrente totale, e con il partitore calcolo la corrente su R0, dopodiché Vc= R0*i0
per t>0
il circuito è aperto quindi è presente solo il generatore e2
Calcolo R1 serie R0, poi in parallelo con R2 ed in serie con R3
Procedo con il calcolo della corrente totale, e poi partitore sulla serie R0R1, applico la solita Vc=R0*i01
In fine scrivo la relazione fondamentale:
VC= [Vc(0)- Vcoo]e^-λt +Voo
Passate anche qui per cortesia, è urgente: viewtopic.php?f=2&t=50726#p483595
Grazie
Circuito interruttore+generatore
Moderatori:
g.schgor,
IsidoroKZ
17 messaggi
• Pagina 1 di 2 • 1, 2
0
voti
Ultima modifica di
luciano87 il 3 mar 2014, 15:13, modificato 5 volte in totale.
Ognuno è un genio. Ma se si giudica un pesce dalla sua abilità di arrampicarsi sugli alberi lui passerà tutta la sua vita a credersi stupido.
0
voti
Ciao
luciano87.
Per evitare fraintendimenti e per una maggiore chiarezza, per scrivere le relazioni matematiche, devi usare LATEX.
Al seguente link trovi una guida all' uso:
http://www.electroyou.it/mrc/wiki/intro ... o-di-latex
Per evitare fraintendimenti e per una maggiore chiarezza, per scrivere le relazioni matematiche, devi usare LATEX.
Al seguente link trovi una guida all' uso:
http://www.electroyou.it/mrc/wiki/intro ... o-di-latex
0
voti
Lo so
mrc ma è un'urgenza..ho bisogno di sapere solo se è corretto il modo di impostare il circuito, senza tener conto dei valori.
Quindi solo se ho ben ipotizzato corto o semplificazioni serie/parallello, ect
Quindi solo se ho ben ipotizzato corto o semplificazioni serie/parallello, ect
Ognuno è un genio. Ma se si giudica un pesce dalla sua abilità di arrampicarsi sugli alberi lui passerà tutta la sua vita a credersi stupido.
1
voti
La parte per T<0 supponendo che il circuito sia a regime è giusta. Il primo metodo va bene, il secondo è inutile poiché vedi subito che la R0 è in parallelo al generatore di tensione e1, quindi la tensione ai capi di R0 e di C a regime è per forza di cose la e1.
Per T>0 il procedimento che hai usato non lo capisco molto
Comunque io farei così, calcolerei l'equivalente di thévenin per la parte di rete a destra, poi hai un semplice RC serie e usi come tensione iniziale sul condensatore quella calcolata per T<0.
Per T>0 il procedimento che hai usato non lo capisco molto
Comunque io farei così, calcolerei l'equivalente di thévenin per la parte di rete a destra, poi hai un semplice RC serie e usi come tensione iniziale sul condensatore quella calcolata per T<0.
Atlant.
Behind every great man is a woman rolling her eyes.
Behind every great man is a woman rolling her eyes.
1
voti
spud ha scritto:La parte per T<0 supponendo che il circuito sia a regime è giusta. Il primo metodo va bene, il secondo è inutile poiché vedi subito che la R0 è in parallelo al generatore di tensione e1, quindi la tensione ai capi di R0 e di C a regime è per forza di cose la e1.
Prima ero di fretta e non mi ero accorto che non hai messo i versi dei generatori, comunque i risultati sono quelli, poi il segno dalla tensione su C dipenderà dal verso del generatore
Per il secondo procedimento intendevo una cosa del genere, dal circuito iniziale:
passare a questo, quando l'interruttore viene aperto:
lo studio della rete dovrebbe essere un pochino più agevole
Atlant.
Behind every great man is a woman rolling her eyes.
Behind every great man is a woman rolling her eyes.
0
voti
riguardo la semplificazione per t>0 intendevo procedere
Calcolando R1+R0, questo in parallelo con R2 e concludo con serie R3.
Calcolo Itot, poi partitore per trovare la corrente lungo R0R1.
Con questa corrente mi calcolo Vc=R0*i01
Ognuno è un genio. Ma se si giudica un pesce dalla sua abilità di arrampicarsi sugli alberi lui passerà tutta la sua vita a credersi stupido.
0
voti
Se non ti dispiace mi potresti dire passo dopo passo come procedere?
Così riesco a focalizzare meglio...grazie
Così riesco a focalizzare meglio...grazie

Ognuno è un genio. Ma se si giudica un pesce dalla sua abilità di arrampicarsi sugli alberi lui passerà tutta la sua vita a credersi stupido.
0
voti
Allora, per T<0 sarà in una certa situazione di regime, ai capi di C avrai una certa tensione, per ora non importa quale.
Quando si agisce sull'interruttore e si accende l'altro generatore la rete dovrà portarsi in una nuova situazione di equilibrio, per fare questo il condensatore si caricherà o scaricherà. In questo intervallo, detto transitorio, il condensatore non si comporta come fa a regime, ovvero come un circuito aperto, ma assorbirà o erogherà della corrente che gli servirà per raggiungere la nuova condizione di equilibrio.
Solo una volta raggiunto il nuovo regime di funzionamento il condensatore inizierà a comportarsi come un circuito aperto.
Ora tu applica thévenin come ti ho indicato prima, durante il transitorio vedi che hai un circuito RC, ne risolvi l'equazione differenziale usando come condizione iniziale la tensione su C calcolata per T<0.
In questo modo hai la tensione su C per ogni istante.
Spero di essere stato chiaro, non sono un gran che nelle spiegazioni
Quando si agisce sull'interruttore e si accende l'altro generatore la rete dovrà portarsi in una nuova situazione di equilibrio, per fare questo il condensatore si caricherà o scaricherà. In questo intervallo, detto transitorio, il condensatore non si comporta come fa a regime, ovvero come un circuito aperto, ma assorbirà o erogherà della corrente che gli servirà per raggiungere la nuova condizione di equilibrio.
Solo una volta raggiunto il nuovo regime di funzionamento il condensatore inizierà a comportarsi come un circuito aperto.
Ora tu applica thévenin come ti ho indicato prima, durante il transitorio vedi che hai un circuito RC, ne risolvi l'equazione differenziale usando come condizione iniziale la tensione su C calcolata per T<0.
In questo modo hai la tensione su C per ogni istante.
Spero di essere stato chiaro, non sono un gran che nelle spiegazioni

Atlant.
Behind every great man is a woman rolling her eyes.
Behind every great man is a woman rolling her eyes.
0
voti
Ti ringrazio per l'aiuto..
Quindi trovo Rth facendo:
R3//R2 questo in serie con R1. Poi in parallelo con R0.
Così il circuito sarà ridotto a RC, che risultano collegate in serie..ok?
Quindi trovo Rth facendo:
R3//R2 questo in serie con R1. Poi in parallelo con R0.
Così il circuito sarà ridotto a RC, che risultano collegate in serie..ok?
Ognuno è un genio. Ma se si giudica un pesce dalla sua abilità di arrampicarsi sugli alberi lui passerà tutta la sua vita a credersi stupido.
17 messaggi
• Pagina 1 di 2 • 1, 2
Torna a Elettrotecnica generale
Chi c’è in linea
Visitano il forum: Nessuno e 121 ospiti

Elettrotecnica e non solo (admin)
Un gatto tra gli elettroni (IsidoroKZ)
Esperienza e simulazioni (g.schgor)
Moleskine di un idraulico (RenzoDF)
Il Blog di ElectroYou (webmaster)
Idee microcontrollate (TardoFreak)
PICcoli grandi PICMicro (Paolino)
Il blog elettrico di carloc (carloc)
DirtEYblooog (dirtydeeds)
Di tutto... un po' (jordan20)
AK47 (lillo)
Esperienze elettroniche (marco438)
Telecomunicazioni musicali (clavicordo)
Automazione ed Elettronica (gustavo)
Direttive per la sicurezza (ErnestoCappelletti)
EYnfo dall'Alaska (mir)
Apriamo il quadro! (attilio)
H7-25 (asdf)
Passione Elettrica (massimob)
Elettroni a spasso (guidob)
Bloguerra (guerra)






