Cos'è ElectroYou | Login Iscriviti

ElectroYou - la comunità dei professionisti del mondo elettrico

Problema sfarfallio led di una torcia autocostruita

Elettronica lineare e digitale: didattica ed applicazioni

Moderatori: Foto Utentecarloc, Foto Utenteg.schgor, Foto UtenteBrunoValente, Foto UtenteIsidoroKZ

0
voti

[11] Re: problema sfarfallio LED di una torcia autocostruita

Messaggioda Foto Utenteclaudiocedrone » 7 mar 2014, 20:36

:-) Foto Utentealex92, mi pare evidente che tu non abbia studiato elettronica all'università (si può sapere in cosa sei laureato o è un segreto ?) e che voglia approcciarti all'elettronica senza sapere neanche il minimo sindacale di elettrotecnica che è fondamentale per imparare qualcosa di elettronica, quindi ti suggerisco almeno di guardarti un po' intorno nel portale di EY, in primis leggendo le regole del forum, poi usando la funzione di ricerca del forum, e sempre in questo portale troverai anche un corso basilare di elettrotecnica scritto da Foto Utenteadmin in persona iOi ! O_/
"Non farei mai parte di un club che accettasse la mia iscrizione" (G. Marx)
Avatar utente
Foto Utenteclaudiocedrone
21,3k 4 7 9
Master EY
Master EY
 
Messaggi: 15302
Iscritto il: 18 gen 2012, 13:36

0
voti

[12] Re: problema sfarfallio LED di una torcia autocostruita

Messaggioda Foto UtenteRiddik89 » 7 mar 2014, 23:35

secondo me come ti hanno fatto notare altri utenti sbagli quando decidi di mettere una resistenza da soli 8 ohm in serie.

I diodi sono molto sensibili alla tensione (http://it.wikipedia.org/wiki/Diodo) , basta dagli un pelino di tensione in più del dovuto per fargli assorbire molta più corrente (la batteria potrebbe non farcela), per questo è importante inserire una resistenza di valore adeguato.


Ti consiglio due led in serie con una resistenza .
Dopo aver fatto una prima stima numerica, secondo me è essenziale montare il tutto su una breadboard, in questo modo puoi andare a dimensionare la resistenza con maggiore accuratezza.

Io faccio una semplice prova, metto una resistenza di valore piuttosto elevato (rispetto a quella calcolata), poi vado ad abbasarla fino a quando non vedo che a un aumento considerevole di corrente assorbita corrisponde un aumento modesto di luminosità, a quel punto dovresti trovarti in prossimità delle condizioni nominali.

Ognuno ha i suoi metodi , ci saranno sicuramente utenti più esperti che sapranno consigliarti meglio di me.

PS prima di mettere mano al saldatore è molto importante testare il circuito su una breadboard!
Avatar utente
Foto UtenteRiddik89
254 4
Frequentatore
Frequentatore
 
Messaggi: 121
Iscritto il: 6 nov 2009, 22:01
Località: Torino

0
voti

[13] Re: problema sfarfallio LED di una torcia autocostruita

Messaggioda Foto UtentePepito » 8 mar 2014, 0:03

Ciao.
I led vanno sempre di moda vedo... :D
D'altronde, quando uno si avvicina all'elettronica, è sempre bello vedere qualcosa che si accende...

Iniziamo da alcune considerazioni su aspetti che ti hanno fatto notare anche altri utenti:

1) Le batterie da 9 V fanno schifo, durano poco e sono in grado di erogare poca corrente. Continuo l'esempio con i 9 V, ma fidati: cercati un altro tipo di batteria (sarebbero ideali le Polimeri di Litio, ma è un problema la ricarica se non hai gli strumenti giusti...)
2) I led si usano in corrente. Questo perché la loro caratteristica tensione/corrente (tensione sull'asse delle x, corrente sull'asse delle y) è esponenziale, quindi è difficile imporre una tensione talmente precisa da non provocare ampie ed inaccettabili variazioni di corrente (vari di poco la tensione, ti varia di tanto la corrente). Il compromesso, come già detto da altri, è la resistenza, che limita la corrente che scorre nel circuito.
3) Il fatto che i led sopportino 35 mA non vieta di usarli un po' meno al limite, diciamo attorno ai 20 mA: ne aumenti la vita utile.

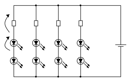
Fatte queste premesse se vuoi fare un piccolo esperimento ti consiglio il circuito fatto in questo modo:



Come tensione che cade sui led (il verso della quale è indicato dalla freccia a fianco del primo led) possiamo considerare qualcosa a metà degli estremi, diciamo 3.35 V. In realtà, se tu avessi il datasheet, ci sarebbe una curva caratteristica da cui ricavare la caduta di tensione che corrisponde ad una certa corrente di pilotaggio.

La resistenza su ogni ramo la calcoli (in base semplicemente alla legge di Ohm) come:

R_{led} = \frac{V_{batt} - 2 \cdot V_{led}}{I_{led}} = \frac{9 - 2 \cdot 3.35}{0.02} = 115

La resistenza commerciale che puoi scegliere è da 120 ohm.

Ciao

PSQ
_-^-_-^-_-^-_-^-_-^-_-^-_-^-_-^-_-^-_-^-_-^-_-^-_-^-_-^-_

Pepito Sbazzeguti
"gratta il Pepito e troverai il Pepone"
Avatar utente
Foto UtentePepito
1.759 6 12
Expert EY
Expert EY
 
Messaggi: 493
Iscritto il: 29 set 2012, 16:49

0
voti

[14] Re: problema sfarfallio LED di una torcia autocostruita

Messaggioda Foto UtentePepito » 8 mar 2014, 0:10

alex92 ha scritto:in pratica ho preso 9 diodi LED ad alta luminescienza bianchi


Ah, dimenticavo una precisazione. Non prenderla come una critica, ma penso che usare i termini giusti sia una cosa molto importante, soprattutto per un tecnico:

La luminescenza è un fenomeno fisico, i tuoi led sono ad alta luminosità, che è invece una grandezza misurabile. La differenza concettuale che c'è tra le due parole è importante.
ciao

PSQ
_-^-_-^-_-^-_-^-_-^-_-^-_-^-_-^-_-^-_-^-_-^-_-^-_-^-_-^-_

Pepito Sbazzeguti
"gratta il Pepito e troverai il Pepone"
Avatar utente
Foto UtentePepito
1.759 6 12
Expert EY
Expert EY
 
Messaggi: 493
Iscritto il: 29 set 2012, 16:49

0
voti

[15] Re: problema sfarfallio LED di una torcia autocostruita

Messaggioda Foto Utentealex92 » 8 mar 2014, 1:21

claudiocedrone ha scritto::-) Foto Utentealex92, mi pare evidente che tu non abbia studiato elettronica all'università (si può sapere in cosa sei laureato o è un segreto ?) e che

No infatti sto studiando ing meccanica e per ora queste cose le ho viste molto alla lontana solo in fisica... L'anno prossimo ho elettrotecnica, ma adesso sono a zero come vedete....mi andro a studiare un po di cose... Basta che non mi aggrediate... sto cercando di portsrmi avanti con il programma anticipando un po di cose nel tempo libero...se non ci sono arrivato mica e colpa mia...vi prometto che l'anno prossimo appena faccio elettrotecnica ci dedico il voto ahah.
Pepito ha scritto:Ciao.
I LED vanno sempre di moda vedo... :D
D'altronde, quando uno si avvicina all'elettronica, è sempre bello vedere qualcosa che si accende...

Iniziamo da alcune considerazioni su aspetti che ti hanno fatto notare anche altri utenti:


grazie mille non potevi essere più chiaro di cosi...ho capito benissimo :ok: per quanto riguarda luminescenza e luminosità hai fatto bene a Carmelo notare... Non sbagliero piu :mrgreen:
Avatar utente
Foto Utentealex92
5 2
 
Messaggi: 32
Iscritto il: 4 ott 2012, 17:38

0
voti

[16] Re: problema sfarfallio LED di una torcia autocostruita

Messaggioda Foto Utentealex92 » 8 mar 2014, 1:25

FedericoSibona ha scritto:E continui a parlare solo di tensione!!

Non ti arrabbiare... Intendevo che faro il circuito che ha detto g.schgor :ok:
Avatar utente
Foto Utentealex92
5 2
 
Messaggi: 32
Iscritto il: 4 ott 2012, 17:38

0
voti

[17] Re: problema sfarfallio LED di una torcia autocostruita

Messaggioda Foto Utenteclaudiocedrone » 8 mar 2014, 1:47

:-) Foto Utentealex92 ti chiedo scusa se ti ho dato l'impressione di averti aggredito ma ti assicuro che non era certo quella la mia intenzione ! Forse sono stato un po' brusco ma solo perché certe cose tendono a farmi imbufalire :mrgreen: , se avessi detto subito che stavi studiando ingegneria meccanica sarei stato più clemente :mrgreen: nei tuoi confronti anche se sei stato tu ad affermare che certe cose le avevi studiate all'università ;-) ; comunque i consigli che ti ho dato sono sempre validi e anzi ne aggiungo un altro: evita di citare per intero i post degli altri utenti (come hai fatto con quello di Pepito) che qui su EY non è cosa gradita anche perché si generano inutili doppioni che allungano il brodo e rendono noiosa la lettura del thread oltre a... rovinarne l'estetica; qui si tiene alla forma altrettanto che alla sostanza ;-) dai uno sguardo a tutte le voci (help p. es.) della pagina (tranne a quelle pubblicitarie :mrgreen: ) perché sono dei collegamenti ipertestuali in cui trovi molte cose interessanti e istruttive anche per il corretto uso del forum. O_/

Edit: ho notato che hai editato il post in cui avevi citato integralmente Pepito; bene ! Vedo che ti stai adeguando in fretta :ok:
Ultima modifica di Foto Utenteclaudiocedrone il 8 mar 2014, 1:59, modificato 2 volte in totale.
"Non farei mai parte di un club che accettasse la mia iscrizione" (G. Marx)
Avatar utente
Foto Utenteclaudiocedrone
21,3k 4 7 9
Master EY
Master EY
 
Messaggi: 15302
Iscritto il: 18 gen 2012, 13:36

1
voti

[18] Re: problema sfarfallio LED di una torcia autocostruita

Messaggioda Foto Utentealex92 » 8 mar 2014, 1:52

Tranquillo che non me la sono presa :mrgreen: comunque sto capendo benissimo..proprio ora mi stavo leggendo i post che ho trovato su help e sto trovando tantissime cose interessanti e sto capendo le "bufalate" che ho detto, soprattutto perché meglio usare una resistenza più grossa e perché non si parla solo di tensione... :mrgreen: ah scusate voi che siete più esperti avete un libro da consigliarmi? A livello universitario o no, non mi importa, basta che mi faccia capire le cose basilari al meglio :ok:
Avatar utente
Foto Utentealex92
5 2
 
Messaggi: 32
Iscritto il: 4 ott 2012, 17:38

0
voti

[19] Re: problema sfarfallio LED di una torcia autocostruita

Messaggioda Foto Utenteclaudiocedrone » 8 mar 2014, 2:13

:-) Più che un libro mi sento di ripeterti il consiglio di girovagare con mente aperta e un po' di attenzione per il portale leggendo i vari articoli e i thread altrui ;-) se cerchi qualcosa in particolare c'è la funzione "cerca" del forum; EY è una vera miniera di conoscenza e gli utenti esperti sono anche molto abili nella didattica e calibrano le risposte in base alle conoscenze degli utenti che si rivolgono in cerca di aiuto :-) O_/
"Non farei mai parte di un club che accettasse la mia iscrizione" (G. Marx)
Avatar utente
Foto Utenteclaudiocedrone
21,3k 4 7 9
Master EY
Master EY
 
Messaggi: 15302
Iscritto il: 18 gen 2012, 13:36

0
voti

[20] Re: problema sfarfallio LED di una torcia autocostruita

Messaggioda Foto Utentealex92 » 8 mar 2014, 14:42

Okok farò cosi.. Grazie :)
Avatar utente
Foto Utentealex92
5 2
 
Messaggi: 32
Iscritto il: 4 ott 2012, 17:38

PrecedenteProssimo

Torna a Elettronica generale

Chi c’è in linea

Visitano il forum: Google [Bot] e 40 ospiti