Cos'è ElectroYou | Login Iscriviti

ElectroYou - la comunità dei professionisti del mondo elettrico

Vecchio monitor da resuscitare

Elettronica lineare e digitale: didattica ed applicazioni

Moderatori: Foto Utentecarloc, Foto Utenteg.schgor, Foto UtenteBrunoValente, Foto UtenteIsidoroKZ

0
voti

[21] Re: Vecchio monitor da resuscitare

Messaggioda Foto Utentesidro007 » 6 mar 2014, 23:04

Quindi, mi consigli di riprovare con la scheda inserita nello zoccolo e con il collegamento dei 6 V....
Per quanto riguarda la tensione di alimentazione pensavo... ditemi se sbaglio... io ho valori di circa 10 volt superiori rispetto allo schema tecnico.
Lo schema però riporta una alimentazione a 220 V, mentre io a casa mia supero tranquillamente i 230V (d`estate anche i 250V grazie al fotovoltaico... #-o ) . Non è che il problema della sovratensione deriva proprio dalla sovratensione della rete?
Come dicevi tu, con componenti così vicini al limite, il pericolo di rottura può essere sempre in aguato...
Avatar utente
Foto Utentesidro007
55 6
Frequentatore
Frequentatore
 
Messaggi: 140
Iscritto il: 22 mag 2011, 17:40

4
voti

[22] Re: Vecchio monitor da resuscitare

Messaggioda Foto Utentecarloc » 7 mar 2014, 10:32

Eh si che una sovratensione così elevata sulla rete potrebbe portare qualche problemino, specialmente su apparecchi un po "vecchiotti" e progettati indubbiamente "in economia" :D

Comunque la VCE del 2N3055 non è uguale alla tensione di ingresso 54V, ma è la differenza tra ingresso ed uscita, forse una ventina di volt o meno quando l'alimentatore funzionerà.
Solo durante il transitorio di accensione ci potrebbero essere dei picchi che si avvicinano alla tensione di ingresso (forse) ma comunque per quanto "risicato" avrei l'impressione debba funzionare.

Piuttosto un problema da non sottovalutare sono i fake, 2N3055 è famoso per essere presente sul mercato anche come "qualsiasi TO3 venuto male e rimarcato così" :( :( Assicurati sia marcato da un costruttore "famoso" e/o acquistalo da un fornitore "sicuro".

Magari prendi invece un TO3 di potenza simile, ma non un 2N3055 (e se vuoi magari con VCEmax intorno ad 80V), così è più probabile non sia un fake.

Alla fine il problema più stringente di alimentare sopra targa sarà il calore, come vedi dallo schema che hai recuperato nominalmente si passa da 45V sul ponte a 33V stabilizzati, con una caduta di 12V.
Se invece tu avessi diciamo 52V sotto carico la caduta diventerebbe 19V quasi raddoppiando la potenza dissipata e quindi il salto termico.

Ora vista l'economia generale del progetto io non mi aspetterei che il dissipatore sia invece così generosamente sovradimensionato da non batter ciglio con una variazione così importante di potenza.

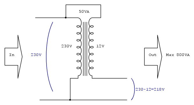
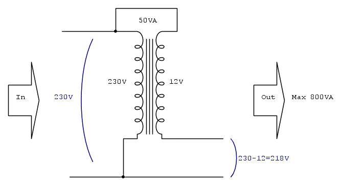
Poi anche il filamento del CRT non credo gradisca particolarmente :-) , insomma se hai un trasformatore 220/12 un 50VA (o giù di lì ) fai così


due cose:
IMPORTANTE a secondo della fase del secondario sommi o sottrai le tensioni, perciò PRIMA di collegare qualsiasi cosa provalo e misura l'uscita, se è ok bene, altrimenti inverti la fase del secondario

La potenza del trasformatore ausiliario si calcola con la differenza di tensione che devi imporre:
e.g. con 50VA a 12V hai approssimativamente 4A, allora all'uscita potrai prelevare circa 220Vx4A=880VA.

anzi tre:
Occhio che tutto il circuito è collegato alla rete: PERICOLO DI FOLGORAZIONE!
Se ti serve il valore di beta: hai sbagliato il progetto!
Avatar utente
Foto Utentecarloc
33,8k 6 11 13
G.Master EY
G.Master EY
 
Messaggi: 2153
Iscritto il: 7 set 2010, 19:23

0
voti

[23] Re: Vecchio monitor da resuscitare

Messaggioda Foto Utentesidro007 » 8 mar 2014, 1:12

Eccomi, ho fatto un po di lavori che riassumo, datemi sempre il vostro parere in merito:
Ho preso un trasformatore 230:12V da 40 W (quello che ho trovato...) e ho collegato moooolto attentamente seguando il tuo schema. Tutto ok, tranne il fatto che ho dovuto aspettare che venisse buio in quanto oggi pomeriggio avevo 250V in rete..... ?%
comunque, non ho rischiato di rimettere il 2N3055 e alla fine ho fatto bene così, poi capirai.
Ho cercato e trovato un TIP35C, parecchio sovradimensionato ma efficace. ho fatto una prova e alimentatore con carico finalmente mi da 30V in uscita.
Quindi continuo con il secondo controllo, ed esamino il verticale che aveva la resistenza di potenza che fumava, e mi accorgo che la resistenza è a massa. Dopo aver smontato tutti i componenti collegati alla resistenza e visto che era ancora a massa, decido di dare una bella ripulita alla scheda con la trielina e il problema si risolve :ok:
Monto la scheda del verticale, pulisco e monto le schede dell'amplificazione video e dell'orizzontale sullo zoccolo, piccolo controllo e poi accendo. Si vedono i filamenti del tubo che si illuminano. Si sente un piccolo ronzio, ma non salta niente. =D>
Manca solo l'EAT, lo pulisco e lo monto. Accendo, non sembra funzionare, in compenso il TIP35C comincia a scaldare parecchio. Provo le tensioni e ve do che la scheda EAT non funziona, e pare sforzare parecchio l'alimentazione.
Domani quindi vedrò cosa non va nella scheda EAT. Cerco di postare lo schema intero o almeno in due parti per suggerimenti.
Allegati
selti b&w2-2_stitch 2.jpg
selti b&w2-2_stitch 1.jpg
Avatar utente
Foto Utentesidro007
55 6
Frequentatore
Frequentatore
 
Messaggi: 140
Iscritto il: 22 mag 2011, 17:40

0
voti

[24] Re: Vecchio monitor da resuscitare

Messaggioda Foto Utenteclaudiocedrone » 8 mar 2014, 3:25

:-) Mi permetto di intervenire solo per una piccola osservazione; se hai così spesso 250 V dalla rete potresti considerare di mettere un trasformatore con secondario da 24 V invece che da 12 V come aggiunta a quello originario per diminuire la tensione così saresti più sicuro che la tensione non raggiunga livelli troppo elevati tanto penso che se "vede" una tensione di rete un po' inferiore ai 220 V per i quali era stato progettato dovrebbe funzionare ugualmente :? O_/
"Non farei mai parte di un club che accettasse la mia iscrizione" (G. Marx)
Avatar utente
Foto Utenteclaudiocedrone
21,3k 4 7 9
Master EY
Master EY
 
Messaggi: 15302
Iscritto il: 18 gen 2012, 13:36

1
voti

[25] Re: Vecchio monitor da resuscitare

Messaggioda Foto Utentesidro007 » 8 mar 2014, 9:32

Grazie per la segnalazione, ma il problema delle sovratensioni è da anni che si trascina ed è più grande del discorso relativo al cabinato in questione.
Abbiamo richiesto anche l'intervento dell'Enel, che però non è intenzionata a sostituire le linee vetuste e troppo piccole per il carico immesso dagli impianti fotovoltaici nati negli ultimi anni.
Capisci bene che 250V, con picchi da 260 in questa stagione e in autunno, non fanno bene ne al cabinato ne al resto degli apparecchi della casa, che non capisco come mai ancora non si sono bruciacchiati...
Tornando all'oggetto in questione, sarebbe meglio creare un alimentatore stabilizzato che eroghi 220volt in uscita anche con sovratensioni in ingreso, ma ci penserò appena avrò sistemato l'elettronica.
Anche perché sono solo alla scheda monitor, manca ancora da provare la scheda gioco che non so in che condizioni sia... :?
Allegati
IMAG1989.jpg
Avatar utente
Foto Utentesidro007
55 6
Frequentatore
Frequentatore
 
Messaggi: 140
Iscritto il: 22 mag 2011, 17:40

0
voti

[26] Re: Vecchio monitor da resuscitare

Messaggioda Foto Utenteclaudiocedrone » 8 mar 2014, 14:04

:-) Gli altri apparecchi molto probabilmente saranno più moderni e realizzati meno in economia per cui sopportano tranquillamente una tensione di rete superiore del 20% rispetto ai 230 V nominali; per il fatto della alimentazione del videogioco potresti considerare di sostituire solo il trasformatore con uno avvolto appositamente per 250 V sul primario; che io sappia è più complicato stabilizzare una tensione alternata (la rete) come hai scritto tu, che stabilizzare la continua erogata dall'alimentatore. O_/
"Non farei mai parte di un club che accettasse la mia iscrizione" (G. Marx)
Avatar utente
Foto Utenteclaudiocedrone
21,3k 4 7 9
Master EY
Master EY
 
Messaggi: 15302
Iscritto il: 18 gen 2012, 13:36

0
voti

[27] Re: Vecchio monitor da resuscitare

Messaggioda Foto Utentesidro007 » 10 mar 2014, 1:04

Aggiornamento:
A forza di ripassare e ricontrollare sono giunto al gruppo EAT. Qui trovo alcuni problemi che non riesco a risolvere.
Per comodità metto lo schema sotto, e spigo l'arcano. Il gruppo è in corto, di questo ne sono sicuro in quanto il blocco senza la scheda EAT sembra funzionare, le tensioni di base ci sono e sono buone, e i filamenti nel tubo si accendono, ma mancano ovviamente le alte tensioni, Si sente come ho gia detto un ronzio provenire da non so dove, probabilmente dall'alimentazione.
Quando inserisco la scheda EAT, non si sente più il ronzio, le tensioni vanno a 0 e il transistor dell'alimentatore comincia a scaldare da matti.
La situazione è questa, trovo tutto a massa, anche il collettore del BU406 è a massa (che dovrebbe essere un +32V), era a massa perfino il dissipatore su cui era montato... Ho dovuto staccare il collettore del BC 406 per poter far rifunzionare il sistema...
Le cose strane che ho trovato sono: un condensatore che non era in sequesna esatta con lo schema (ma non credo pregiudichi il funzionamento) e la continuità nel trasformatore, dove ho continuità tra l'entrata 2 e l'uscita 4, e non so perché. Tenete presente che la prova di continuità la faccio sempre con la scheda separata del resto, anche se per via dei vari collegamenti, il sistema può funzionare solo con tutte le schede inserite.
Allegati
selti b&w2-2_stitch EAT.jpg
Avatar utente
Foto Utentesidro007
55 6
Frequentatore
Frequentatore
 
Messaggi: 140
Iscritto il: 22 mag 2011, 17:40

0
voti

[28] Re: Vecchio monitor da resuscitare

Messaggioda Foto Utentestefanob70 » 10 mar 2014, 11:35

Ciao Foto Utentesidro007 per quanto riguarda il Gruppo EAT i guasti piu' comuni sono:
Finale di riga composto dall'oscillatore BU104 controlla se e' di Tipo D che ha un Diodo interno,e conviene misurarlo dissandandolo dal PCB.

Per quanto riguarda il presunto corto sulla 32V se guardi bene sullo schema il transistor BU104 sulla base-emettitore sono collegati al piccolo trasformatore driver verso GND,e successivamente sul collettore e' presente un Diodo interno che e' collegato alla +32Vcc.
Se misuri con il multimetro,la resistenza e' bassa,ma non e' detto che sia indice di cortocircuito tra +32VCC e Ground.

Ti conviene fare cosi:
Dissalda il BU104 ed i piedini 1 e 2 del trasformatore EHT.
Accendi il monitor,se la +32Vcc e' presente,vuol dire che :

-BU104D Guasto
-Oppure trasformatore EHT guasto

Per vedere se il BU104D e' guasto e' sufficiente mantenere staccati i piedini 1 e 2 del trasform. EHT.
Se la +32Vcc e' presente vuol dire che il BU104D e' buono,oppure se hai un oscilloscopio puoi vedere se l'oscillatore funziona sul collettore.
Allegati
monitor.jpg
ƎlectroYou
Avatar utente
Foto Utentestefanob70
14,1k 5 11 13
Master EY
Master EY
 
Messaggi: 3190
Iscritto il: 14 lug 2012, 13:14
Località: Roma

0
voti

[29] Re: Vecchio monitor da resuscitare

Messaggioda Foto Utentesidro007 » 10 mar 2014, 15:13

Ciao, la prova di scollegare il collettore del BU104 (non D) l'ho già fatta e ho i +32V al piedino 2 del trasformatore, ma il trasformatore non eroga l'alta tensione.
Il BU104 non ha il diodo interno, è presente un diodo esterno EMS181-400R in parallelo.
Quello che mi fa strano è la continuità che rilevo tra i piedini 2 e 4 del trasformatore che in teoria non dovrebbe esserci per via della separazione degli avvolgimenti. Proverò a dissaldare i piedini 1 e 2 per vedere se il corto è nel trasformatore o sullo stampato.
Se però il trasformatore è andato la vedo dura... è un modello piuttosto vecchiotto...
Allegati
EAT (1296 x 776).jpg
Avatar utente
Foto Utentesidro007
55 6
Frequentatore
Frequentatore
 
Messaggi: 140
Iscritto il: 22 mag 2011, 17:40

0
voti

[30] Re: Vecchio monitor da resuscitare

Messaggioda Foto Utentestefanob70 » 10 mar 2014, 16:15

Si ti conviene dissaldare i piedini e misurare il TF a vuoto tra prim. e sec.
ƎlectroYou
Avatar utente
Foto Utentestefanob70
14,1k 5 11 13
Master EY
Master EY
 
Messaggi: 3190
Iscritto il: 14 lug 2012, 13:14
Località: Roma

PrecedenteProssimo

Torna a Elettronica generale

Chi c’è in linea

Visitano il forum: Nessuno e 253 ospiti