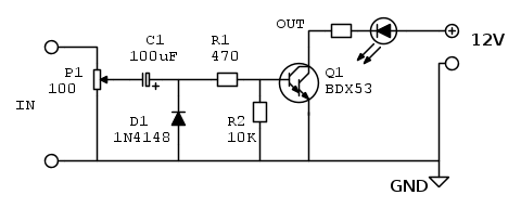
Dove collego lampada, segnale audio e 12V sullo schemino ridotto?
Io credo sia così:
IN = segnale audio +
OUT = 12V +
Lampada = Boh!!!

Moderatori:
carloc,
g.schgor,
BrunoValente,
IsidoroKZ











claudiocedrone ha scritto:marco438, come potrebbero accendersi con "polarità indifferente" se fossero LED ? Collegati in antiparallelo
![]()
).





Invece è una lampada col driver e fatta per collegarla a 12 V CA, per quello è indifferente la polarità ! 


Visitano il forum: Nessuno e 74 ospiti