
Se ho ben compreso, prima c'erano 0 volt con centrale inserita, mentre adesso si dovrebbero essere 12 volt (perché il LED segnala la centrale inserita).
Oppure ho preso lucciole per lanterne?
Moderatori:
carloc,
g.schgor,
BrunoValente,
IsidoroKZ




play1702 ha scritto:...ma il relè scatta ancora durante il lampegggio...![]()
sbaglio qualcosa?
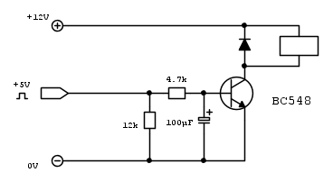
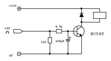
L'idea è che il relè si ecciti appena il LED inizia a lampeggiare
play1702 ha scritto:Veramente il relè dovrebbe eccitarsi alla fine dei lampeggi... quando la tensione diventa fissa...


Visitano il forum: Nessuno e 57 ospiti