Cos'è ElectroYou | Login Iscriviti

ElectroYou - la comunità dei professionisti del mondo elettrico

Vecchio monitor da resuscitare

Elettronica lineare e digitale: didattica ed applicazioni

Moderatori: Foto Utentecarloc, Foto Utenteg.schgor, Foto UtenteBrunoValente, Foto UtenteIsidoroKZ

0
voti

[31] Re: Vecchio monitor da resuscitare

Messaggioda Foto Utentesidro007 » 11 mar 2014, 0:04

Fatto, persiste continuità tra il primario n°2 e il secondario n°4 anche con il trasformatore dissaldato dalla scheda. Inoltre non ho continuità sul secondario ad alta tensione 10kV.
Ne deduco che sia da buttare... :cry:
Il brutto è che non ho idea di che modello sia per trovare qualcosa di compatibile...
Proverò a chiedere in giro...
Avatar utente
Foto Utentesidro007
55 6
Frequentatore
Frequentatore
 
Messaggi: 140
Iscritto il: 22 mag 2011, 17:40

0
voti

[32] Re: Vecchio monitor da resuscitare

Messaggioda Foto Utentestefanob70 » 11 mar 2014, 0:27

Sai quanti ne cambiavo vent'anni fa in assistenza tecnica....
comunque prova ad inserire il modello sul web e puo darsi magari qualcuno abbia un vecchio telaio monitor da buttare o vendere materiale riciclato....

Prendi le tensioni di riferimento al secondario come da schema,e' un buon indizio.
ƎlectroYou
Avatar utente
Foto Utentestefanob70
14,1k 5 11 13
Master EY
Master EY
 
Messaggi: 3190
Iscritto il: 14 lug 2012, 13:14
Località: Roma

0
voti

[33] Re: Vecchio monitor da resuscitare

Messaggioda Foto Utentesidro007 » 13 mar 2014, 14:38

Ho bisogno di AIUTO!
Devo riuscire a capire che modello di trasformatore di riga è questo che devo cambiare.
La marca è SAREA, ditta di milano chiusa da anni, ma non c'è traccia del modello. Ho bisogno che qualcuno mi aiuti a trovare almeno il codice del modello, magari anche in qualche catalogo di ricambi tipo HR o GBC, altrimenti il mio tentativo di rianimare il monitor si ferma qui... :-|
Allegati
IMAG2795.jpg
IMAG2794.jpg
IMAG2793.jpg
Avatar utente
Foto Utentesidro007
55 6
Frequentatore
Frequentatore
 
Messaggi: 140
Iscritto il: 22 mag 2011, 17:40

0
voti

[34] Re: Vecchio monitor da resuscitare

Messaggioda Foto Utentesidro007 » 13 mar 2014, 15:01

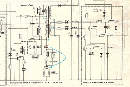
Lascio anche lo schema per le tensioni di lavoro...
Se qualcuno ha vecchi cataloghi di ricambi con foto e lo riconosce mi dica che modello è e magari dove ne posso trovare uno uguale. Grazie.
Allegati
selti b&w2-2_stitch EAT.jpg
Avatar utente
Foto Utentesidro007
55 6
Frequentatore
Frequentatore
 
Messaggi: 140
Iscritto il: 22 mag 2011, 17:40

0
voti

[35] Re: Vecchio monitor da resuscitare

Messaggioda Foto Utentesidro007 » 16 mar 2014, 23:28

Aggionamento:
Sono passato nel fine settimana in alcuni negozi di riparazione, diciamo nei principali, alla ricerca del finale di riga. Non vi dico le risate che si sono fatti... :evil:
comunque, prima di procedere nel disassemblaggio ho voluto controllare bene i collegamenti, e mi sembra ci sia qualcosa che non torna nello schema. Secondo quello che ho rilevato io il terminale 4 con l'uscita a +140Volt è collegatoai primari 1 e 2 e non al secondario come da schema.
Ho trovato in giro alcuni vecchi schemi dei trasformatori HR, ne ho preso uno e l'ho verosimilmente modificato per avere un'idea più precisa di quella che è la mia situazione.
Mi trovo ad avere diversi terminali non utilizzati e soprattutto un collegamento strano, con dei fili rossi che passano nel secondario (immerso nella resina) per poi attraverso i filtri di 5°armonica ricollegarsi all'ingresso 1.
Ultima cosa, non capisco il secondario di alta tensione dove prenda la massa... al punto 3 non risulta collegato...
Sono tentato di alimentarlo per controllare le tensioni di uscita...
Allegati
ImmagineHR.jpg
Avatar utente
Foto Utentesidro007
55 6
Frequentatore
Frequentatore
 
Messaggi: 140
Iscritto il: 22 mag 2011, 17:40

0
voti

[36] Re: Vecchio monitor da resuscitare

Messaggioda Foto Utentesidro007 » 20 mar 2014, 22:40

Nuovo aggiornamento:
La buona notizia ( e l'unica ) è che il finale di riga funziona. :ok:
Esponendo il problema a mio fratello, mi ha fatto notare che il corto non era nel trasformatore, ma nel transistor BU104. Mi fissavo talmente nel finale di riga che non ragionavo più... :?
Quindi ho risaldato il trasformatore e ho sostituito il BU104 provvisoriamente con un MJE13007 che ha le medesime caratteristiche ma formato TO-220.
Provando tutto il sistema SENZA COLLEGARE L'USCITA ALTA TENSIONE al monitor, mi ritrovo ad avere tutte le tensioni, giuste e al posto giusto, come segnato nello schema tecnico. Anche l'uscita in alta tensione funziona in quanto accidentalmente ho avvicinato il cavo (non la presa) alla massa e ho visto formarsi un piccolo arco attraverso l'isolamento.
Il problema viene quando collego il cavo dell'alta tensione nel suo alloggiamento nel monitor. Accendendo, il transistor MJE si surriscalda fino a quocersi e le tensioni si abbassano di parecchio. Credo che i vecchi BU104 si siano bruciati prorpio in questo modo...
Aiutatemi a capire...
Avatar utente
Foto Utentesidro007
55 6
Frequentatore
Frequentatore
 
Messaggi: 140
Iscritto il: 22 mag 2011, 17:40

0
voti

[37] Re: Vecchio monitor da resuscitare

Messaggioda Foto Utentestefanob70 » 20 mar 2014, 23:29

sidro007 ha scritto:Nuovo aggiornamento:
mi ha fatto notare che il corto non era nel trasformatore, ma nel transistor BU104. Mi fissavo talmente nel finale di riga che non ragionavo più... :?



Purtroppo non hai letto bene quello che ti avevo scritto nel post [28].
Ti avevo parlato gia' di questa operazione di dissaldare il transistor e misurarlo a vuoto. O_/
A che servono le risposte? O_/
ƎlectroYou
Avatar utente
Foto Utentestefanob70
14,1k 5 11 13
Master EY
Master EY
 
Messaggi: 3190
Iscritto il: 14 lug 2012, 13:14
Località: Roma

0
voti

[38] Re: Vecchio monitor da resuscitare

Messaggioda Foto Utentesidro007 » 21 mar 2014, 0:12

Hai ragione e faccio un mea culpa...
Come dicevo ero talmente convinto che fosse il trasformatore che pur provando il transistor e trovandolo in corto non ci facevo caso...
Ora peròta da capire perché si bruciano in quel modo...
Avatar utente
Foto Utentesidro007
55 6
Frequentatore
Frequentatore
 
Messaggi: 140
Iscritto il: 22 mag 2011, 17:40

0
voti

[39] Re: Vecchio monitor da resuscitare

Messaggioda Foto Utentesidro007 » 26 mar 2014, 18:43

Bene, (ma neanche tanto...)
Arrivato il nuovo BU104, ho fatto la prova, ma ho ottenuto il medesimo risultato. Dopo 10 secondi il transistor è già bollente, tanto che sono costretto a spegnere e a raffreddarlo per non "perderlo".
Ne deduco che c'è qualche altro problema, ma non capisco cosa possa esserci, anche se ritengo sia sempre legato alla scheda del trasformatore di riga...
Avatar utente
Foto Utentesidro007
55 6
Frequentatore
Frequentatore
 
Messaggi: 140
Iscritto il: 22 mag 2011, 17:40

4
voti

[40] Re: Vecchio monitor da resuscitare

Messaggioda Foto Utentecarloc » 27 mar 2014, 23:40

...potrebbe essere il diodo raddrizzatore HV in corto ;-) . Se lo provi a vuoto non te ne accorgi, ma se colleghi la ventosa allora la capacità di livellamento della tensione (in pratica metallizzazioni interna ed esterna del cinescopio) mettono in corto il secondario.

Anche se il diodo originale fosse inglobato nel trasformatore, puoi sempre provare a metterne uno esterno serie, questi diodi sono roba del secolo scorso ma magari qualche vecchio riparatore TV ne ha ancora qualcuno :-)

Mi pare che si "compravano a kV..." che so un 11kV :D
Se ti serve il valore di beta: hai sbagliato il progetto!
Avatar utente
Foto Utentecarloc
33,8k 6 11 13
G.Master EY
G.Master EY
 
Messaggi: 2153
Iscritto il: 7 set 2010, 19:23

PrecedenteProssimo

Torna a Elettronica generale

Chi c’è in linea

Visitano il forum: Nessuno e 72 ospiti